Heated seat not working right

2003 CHEVROLET SILVERADO
300,000 MILES • 6.0L • V8 • 4WD • AUTOMATIC
Avatar
GHOLLMAN
  • MEMBER
  • 1 POST
Heated seat driver side has a mind of its own! Turns on, steps down, turns off then turns itself back on intermittently. Also cannot lock rear and passenger doors from drivers door.
Nov 4, 2018 at 11:22 AM
Repair Safety Notice: This information is for general instructional purposes only. Vehicle repair can be dangerous. Verify all information, follow manufacturer service procedures, use proper tools and safety equipment, and consult a qualified repair shop when needed.
Advertisement
Avatar
STRAILER
  • CAR REPAIR CONTRIBUTOR
  • 54,189 POSTS
Hello,

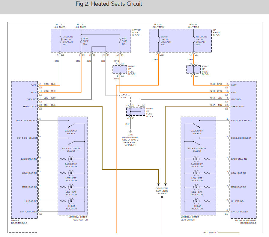
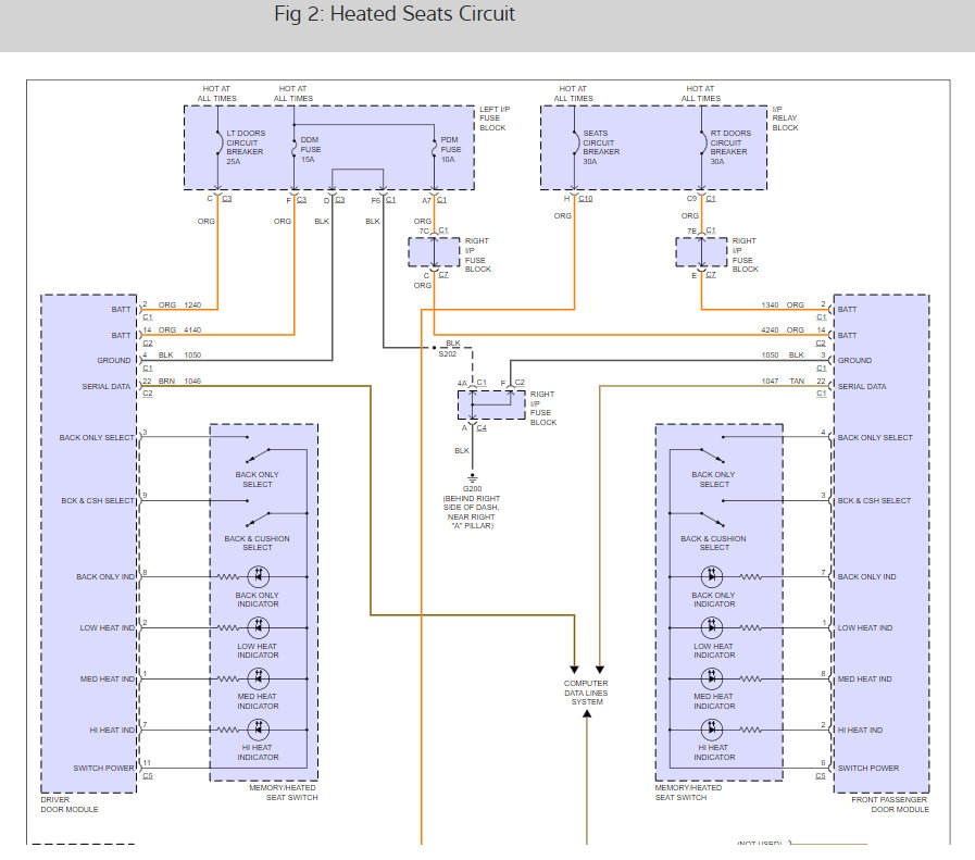
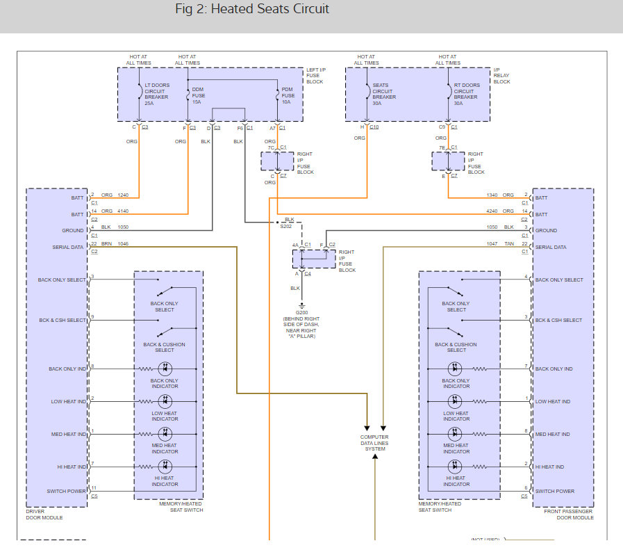
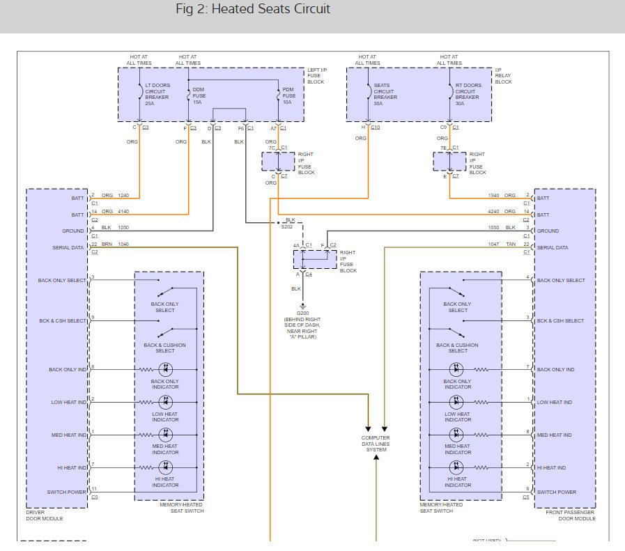
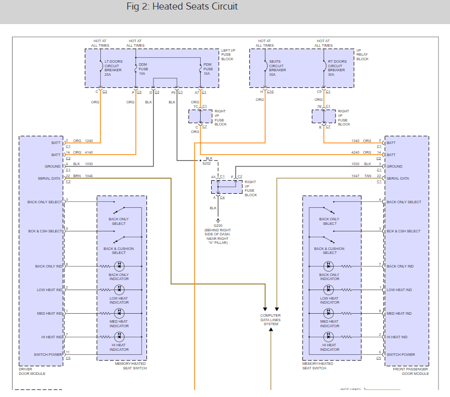
It sounds like the seat memory module is going out which is common. Here is the module location and the seat heater wiring diagrams so you can see how it works.

If a new memory seat module was installed, the seat needs to synchronized:
Operate the seat in all directions:
Front tilt
Rear tilt
Horizontal
Recline
If the seat stops part way due to programmed soft stop, release the switch and operate again in the same direction tilt the seat touches the mechanical stop.
Repeat the above for all seat positions.

Check out the diagrams (below). Please let us know what happens.

Cheers, Ken
Nov 5, 2018 at 3:56 PM
Advertisement