Where is the starter relay and the fuse that controls the relay located?

Tiny
MALLESO
  • MEMBER
  • 2017 VOLKSWAGEN PASSAT
  • 87,000 MILES
Need exact location of starter relay and the fuse that controls the relay no diagrams on the car.
Friday, July 22nd, 2022 AT 6:00 AM

1 Reply

Tiny
JACOBANDNICKOLAS
  • MECHANIC
  • 110,194 POSTS
Hi,

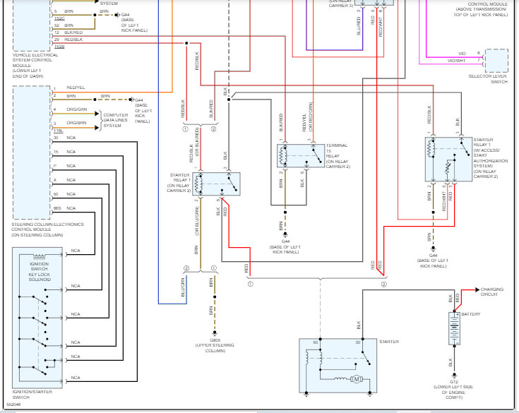
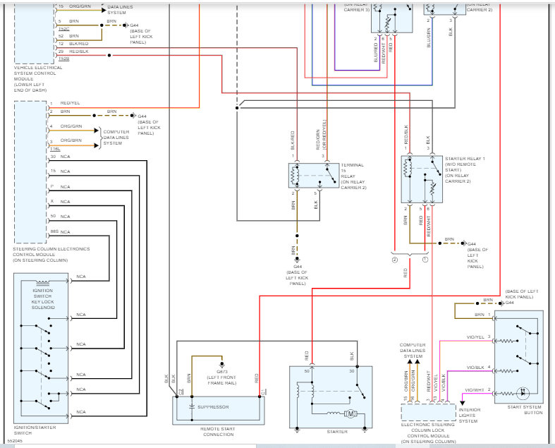
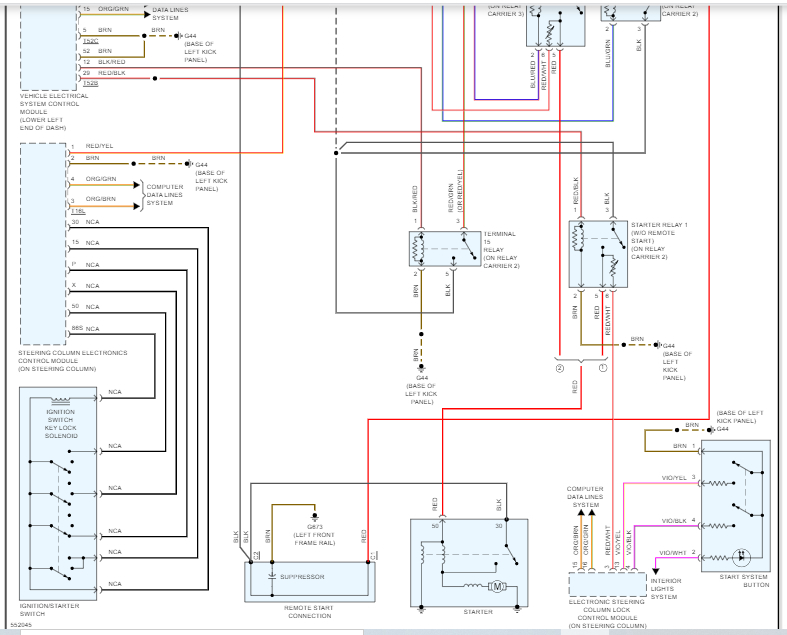
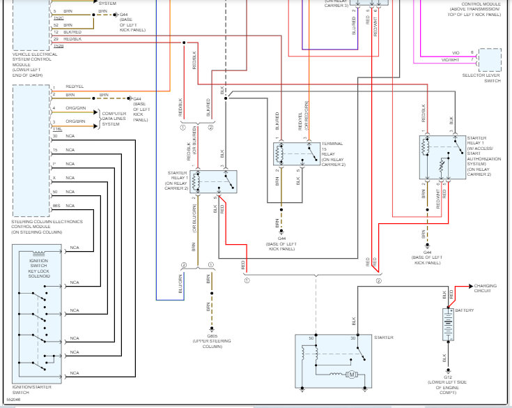
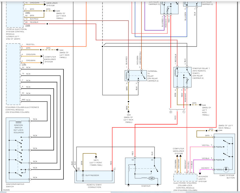
I'm not sure if you have the 4 or 6 cylinders. I attached the starter circuit schematic below for both. The first two pics are for the 4 cylinder and the second is the v6.

If you look through the schematic, it indicates the location s of fuses and relays.

Let me know if this helps or if you have other questions.

Take care,

Joe

See pics below.
Was this
answer
helpful?
Yes
No
Friday, July 22nd, 2022 AT 8:46 PM

Please login or register to post a reply.