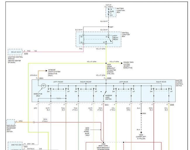
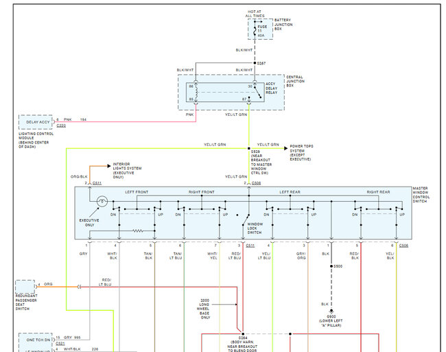
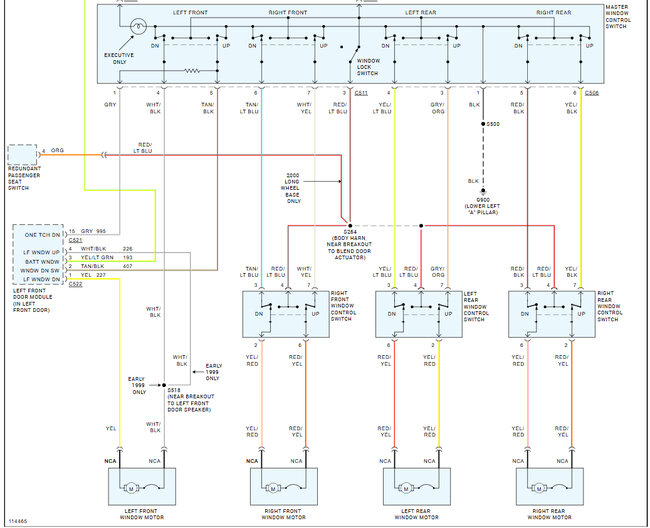
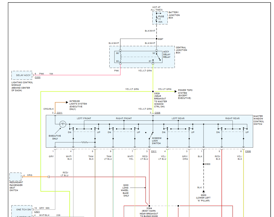
Saturday, June 21st, 2025 AT 2:49 PM
When I try to roll up or down the windows don't work, but if I jump 30 an 87 the windows work. I replaced the relay with a new relay but still won't work. What would cause that?





