Electric door lock problem

Tiny
EDUARDOMORAZAN
  • MEMBER
  • 2006 MAZDA 6
  • 2.3L
  • 4 CYL
  • MANUAL
  • 135,000 MILES
The door locks have stopped working as well as intermediate working of the parking and turn signals. What could be causing this?
Monday, May 30th, 2016 AT 4:28 PM

5 Replies

Tiny
JACOBANDNICKOLAS
  • MECHANIC
  • 110,194 POSTS
I am not sure what you are saying happened. Can you better describe the problem?
Was this
answer
helpful?
Yes
No
Monday, May 30th, 2016 AT 7:05 PM
Tiny
EDUARDOMORAZAN
  • MEMBER
  • 3 POSTS
Excuse my writing I so not speak English and I am using a translator, but try to explain better.

The problem is that the directional lights do not work as they should along with the parking lights.

Also, control locking of the locks on the doors stopped working and I assume that is the same problem.
Was this
answer
helpful?
Yes
No
Monday, May 30th, 2016 AT 7:25 PM
Tiny
JACOBANDNICKOLAS
  • MECHANIC
  • 110,194 POSTS
Have you checked all fuses?
Was this
answer
helpful?
Yes
No
Tuesday, May 31st, 2016 AT 8:48 PM
Tiny
EDUARDOMORAZAN
  • MEMBER
  • 3 POSTS
YES, I DID
I BELIEVE THAT MAY BE THE FLASHER, BUT NOT WHERE IS LOCATED TO LOOK FOR
Was this
answer
helpful?
Yes
No
Tuesday, May 31st, 2016 AT 9:30 PM
Tiny
KEN L
  • MASTER CERTIFIED MECHANIC
  • 55,522 POSTS
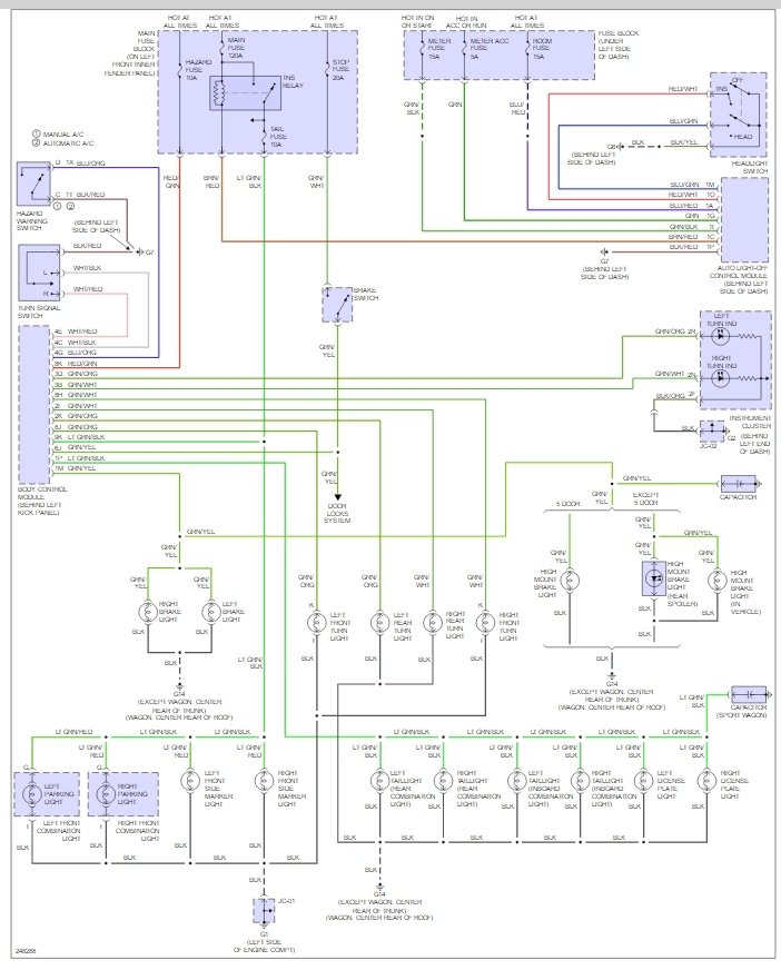
It sounds like the multi function switch or the BCM has failed causing the parking lights and directional light not to work along with the door locks. Here is a couple wiring diagrams.

Let us know what you find

Best, Ken
Was this
answer
helpful?
Yes
No
Wednesday, June 1st, 2016 AT 2:57 PM

Please login or register to post a reply.