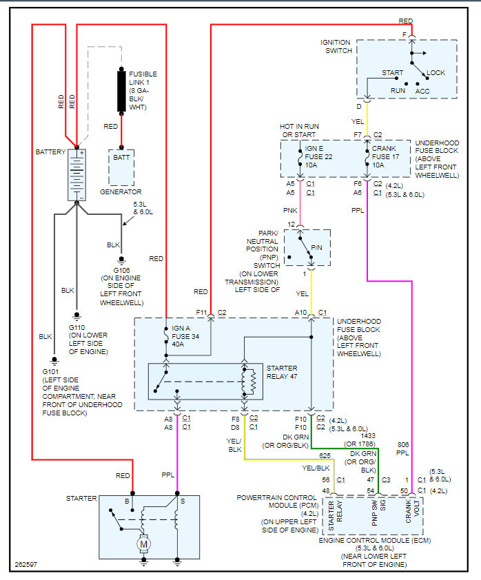
Sunday, July 5th, 2020 AT 2:36 PM
On ignition position 1 and then 2 all lights on dash work radio as well, but when I turn the key to start all electricity goes out completely no noise to it. Key gets stuck needs to be jumped after.




