Friday, March 30th, 2018 AT 11:03 PM
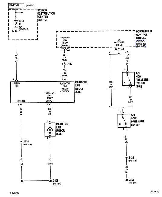
Electric fan is not working. I have a mechanical clutch fan also installed and it does work. I have an automotive logic probe and it will only turn green when I touch either wire. The electric fan does not come on at all, even when touching the wires directly with the logic probe. Am I doing something wrong? How do I test the fan vs testing the relay in hopes of isolating and repairing the problem?

