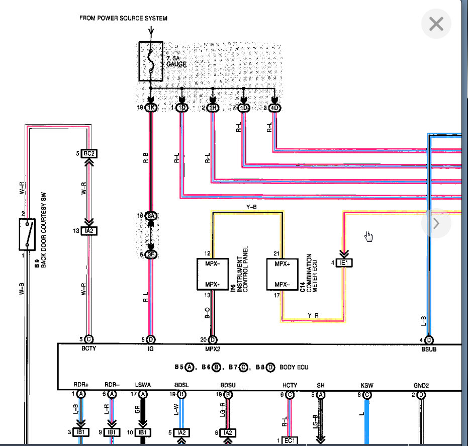
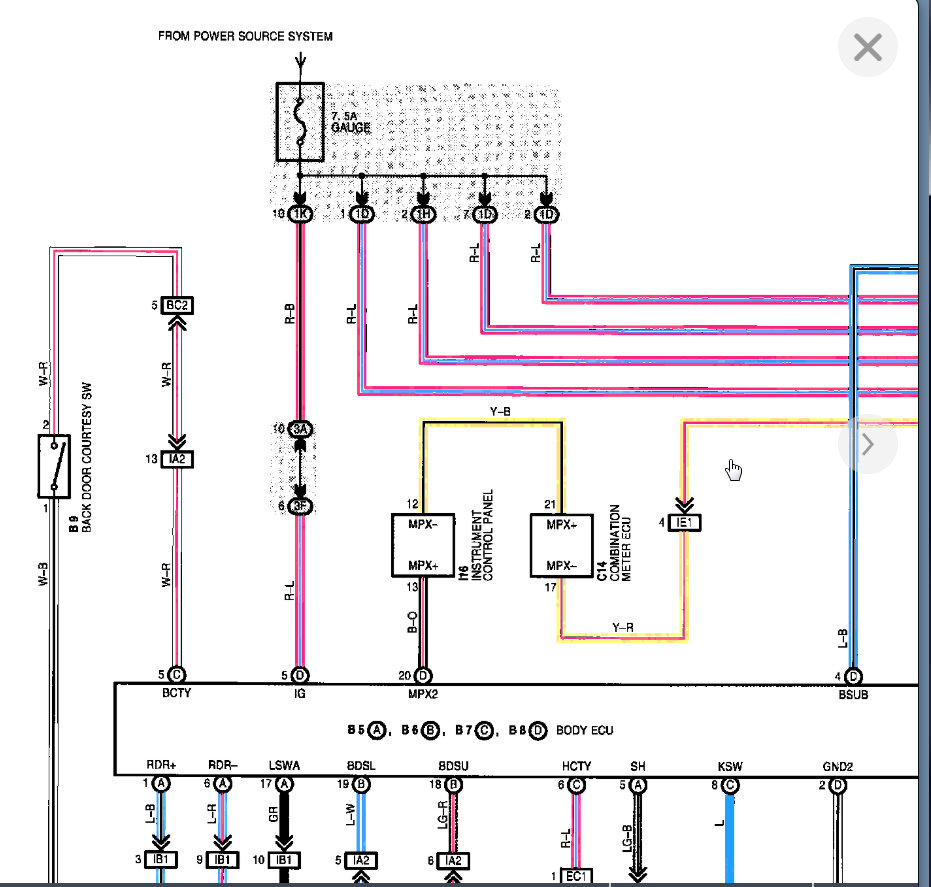
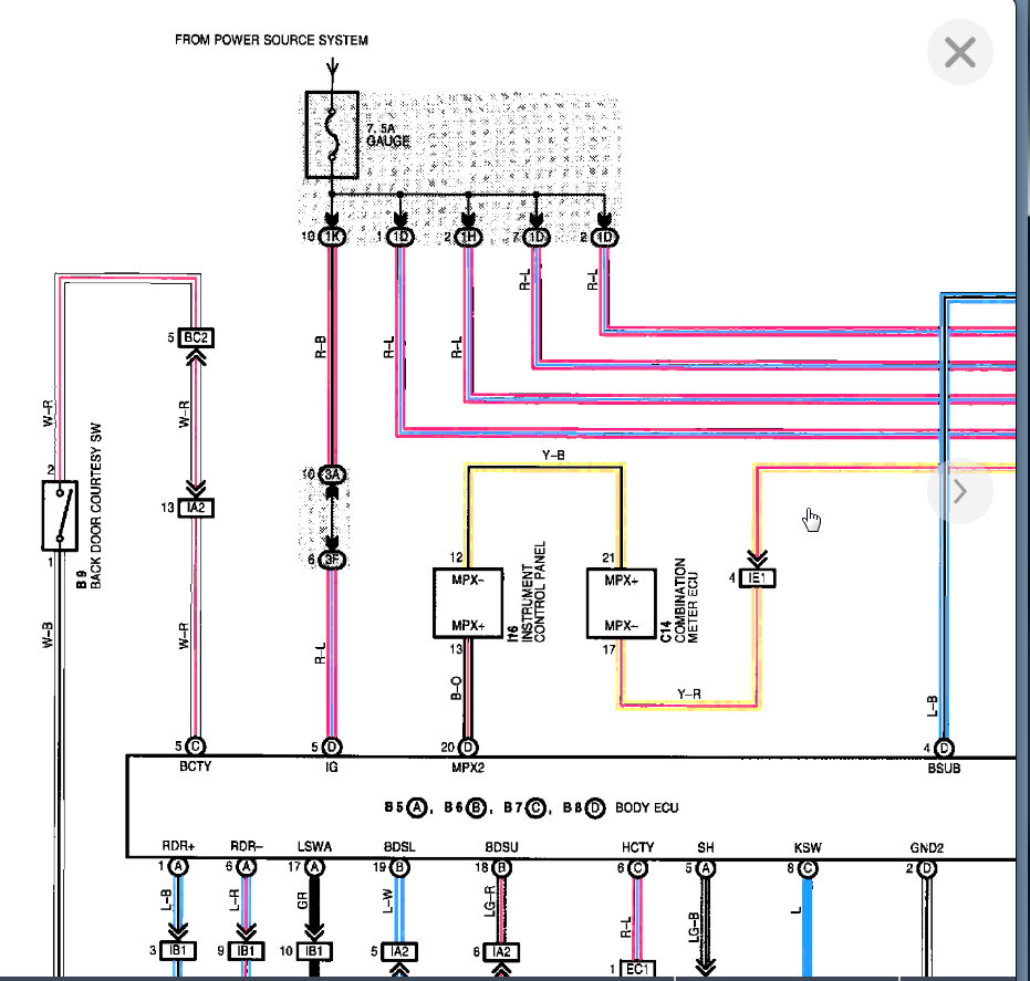
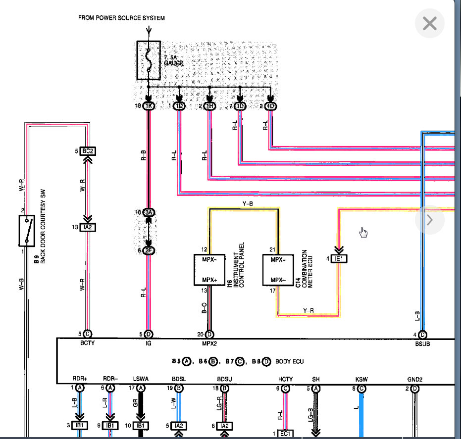
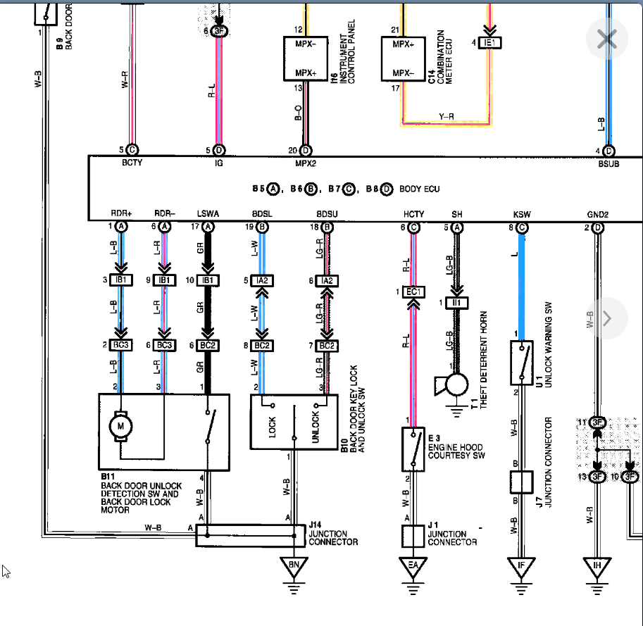
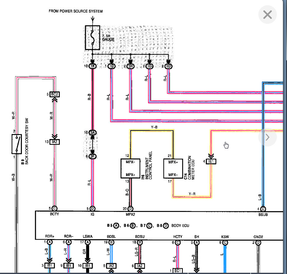
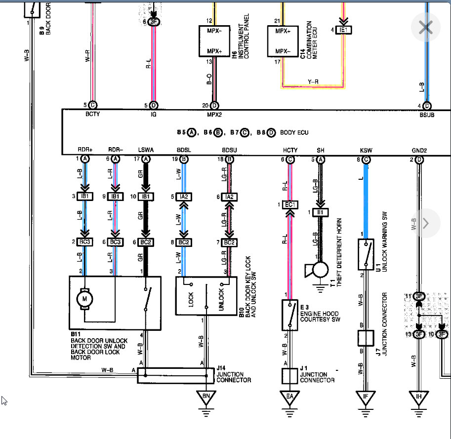
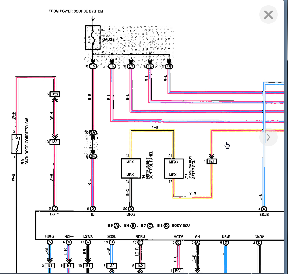
Monday, January 13th, 2020 AT 6:44 PM
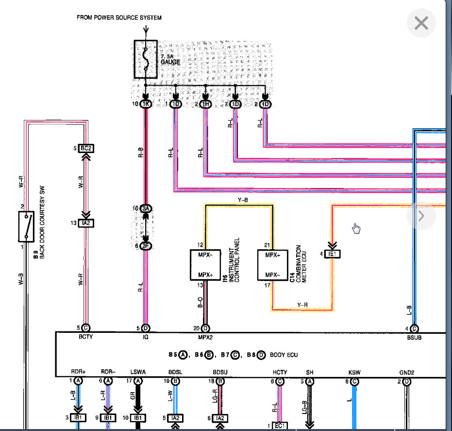
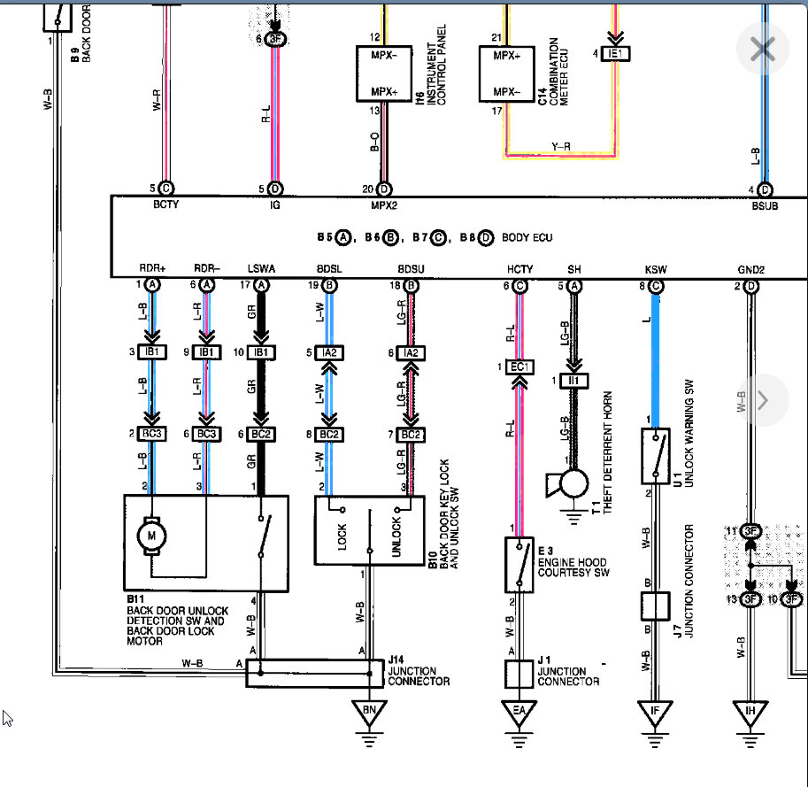
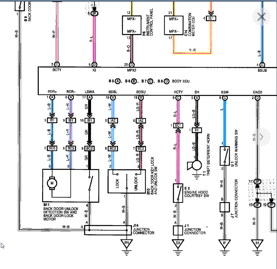
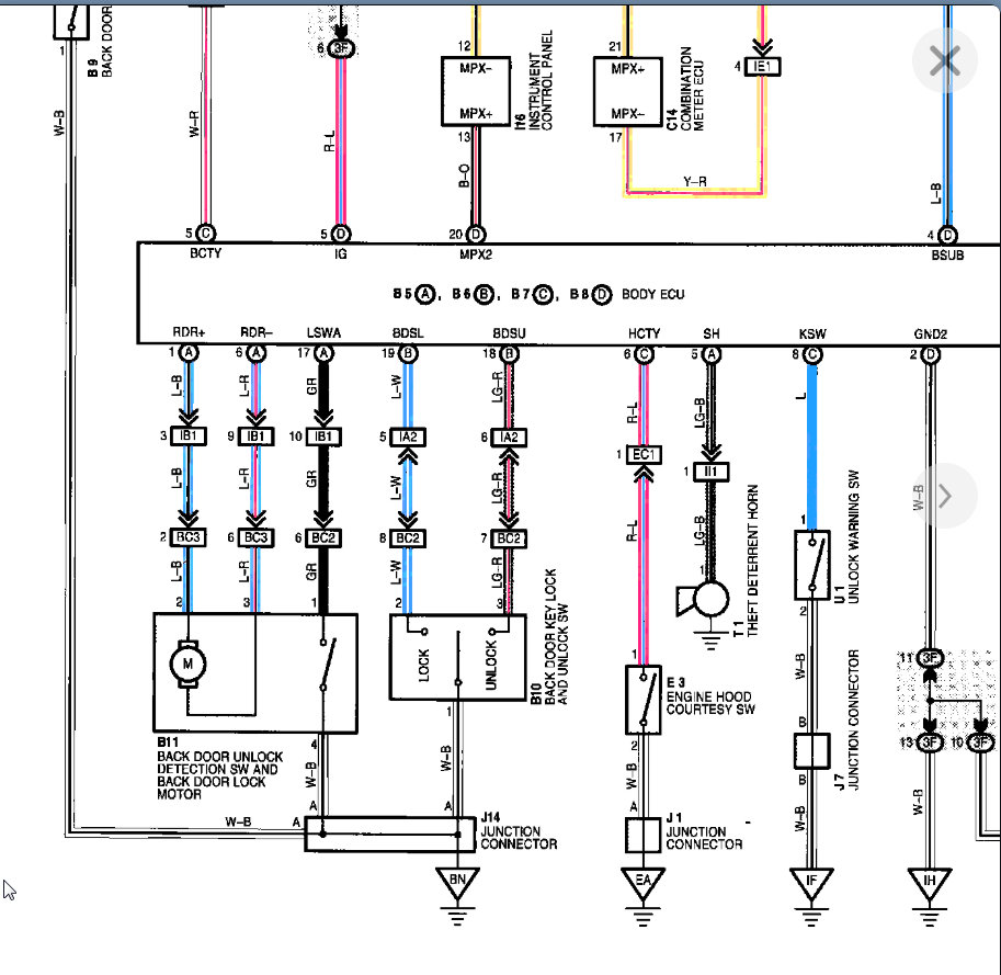
Remote electric key. Can hear it unlock all doors but hatch door did not unlock. I tried with key in key slot but would not unlock.















