Electric bulbs socket not working

2013 TOYOTA AVENSIS
190,000 MILES • 2.0L • 2WD • MANUAL
Avatar
IMTIAZ CHAUDHRY
  • MEMBER
  • 1 POST
I was replaced the front parking light normal bulb to led bulb was not a CAN BUS this is the reason socket stop working. I was visit to the electrician he couldn't find the problem he told me replace the headlight. please help me out what can I do?
Dec 4, 2020 at 6:11 AM
Repair Safety Notice: This information is for general instructional purposes only. Vehicle repair can be dangerous. Verify all information, follow manufacturer service procedures, use proper tools and safety equipment, and consult a qualified repair shop when needed.
Advertisement
Avatar
KASEKENNY
  • CAR REPAIR CONTRIBUTOR
  • 18,907 POSTS
Just so I am clear on what the issue is. You changed the actual bulbs and sockets/connectors to LED lights and now they do not work?

If this is the case it is due to the resistance in an LED bulb is much lower and so the bulbs don't work when you just plug them into the connectors. They actually require resistors to be installed with them so that they operate the same way as the other bulbs.

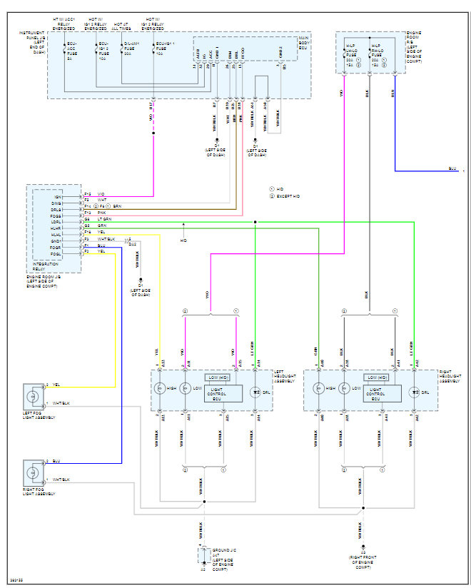
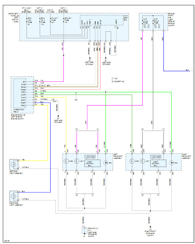
What type of bulbs did the vehicle have originally? Were they halogen or HID? I attached a wiring diagram that shows the version of the Avensis we have here in the USA which is the Avalon. Unfortunately we don't have info on your specific vehicle so we are going to have to work through this in other ways.

Let us know this info and then we can go from there. If you can get pictures of the sockets in their current state, that should help. Thanks
Dec 5, 2020 at 9:51 AM
Advertisement