Monday, June 11th, 2018 AT 8:40 AM
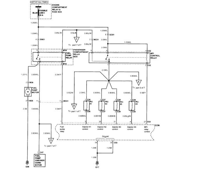
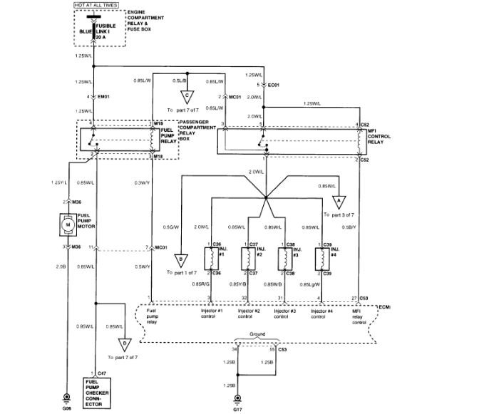
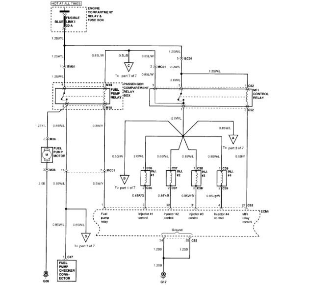
No voltage to fuel pump. New pump and screen due to car sitting for ten years. Hot wire pump and it runs. Relay checks good with substitution method. Fuse able link is good. With pump jumped and engine running, no MIL light. Wiring appears good, not brittle or chewed through.





