Where is the EGR Pressure Sensor located?

Tiny
GHOSTCOOKIES
  • MEMBER
  • 2004 FORD F-250
  • 6.8L
  • V10
  • 4WD
  • AUTOMATIC
  • 135,900 MILES
I’ve been trying to locate the EGR pressure sensor on my truck listed above SD. I already have the new part but can’t seem to find where it’s located to replace it.
Wednesday, May 3rd, 2023 AT 12:54 PM

3 Replies

Tiny
BRENDON S
  • MECHANIC
  • 653 POSTS
Hello GHOSTCOOKIES,

It should be on the firewall. I have added a picture for you. Looks like it's behind an intake pipe possibly in the center.

Thank you,
Brendon
Was this
answer
helpful?
Yes
No
Wednesday, May 3rd, 2023 AT 5:00 PM
Tiny
SCOTT MCLOUTH
  • MEMBER
  • 2 POSTS
  • 1999 CHEVROLET LUMINA
  • 3.1L
  • V6
  • 2WD
  • AUTOMATIC
  • 116,000 MILES
A/C stuck on defrost and floor. I'm looking for the heater vacuum control manifold. (Under the glove box?) Vacuum lines have been checked.
Was this
answer
helpful?
Yes
No
Thursday, May 4th, 2023 AT 12:24 PM (Merged)
Tiny
JACOBANDNICKOLAS
  • MECHANIC
  • 110,192 POSTS
Hi,

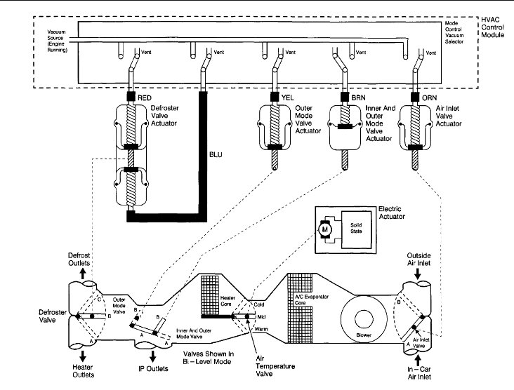
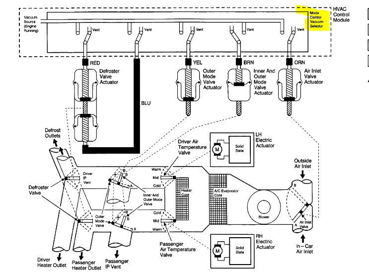
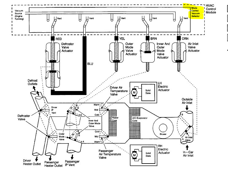
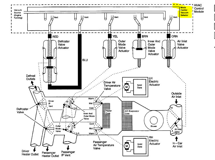
I believe you are referring to the vacuum control switch. That is the component that is adjusted to change the airflow direction mounted on the dash.

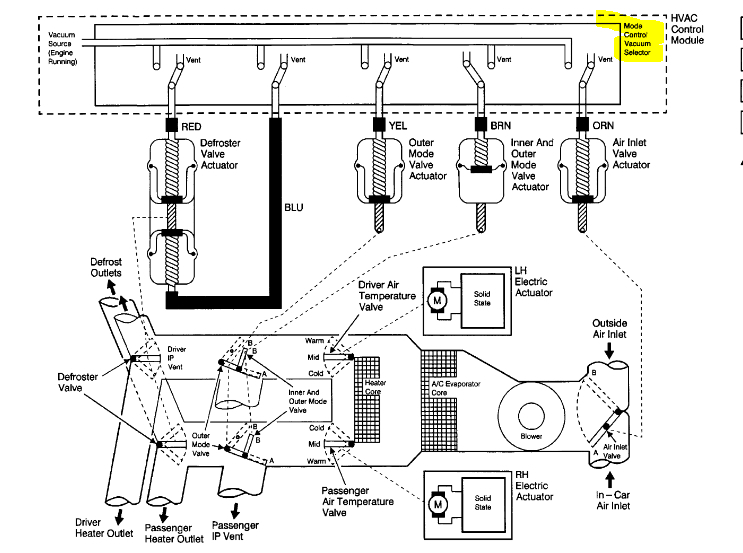
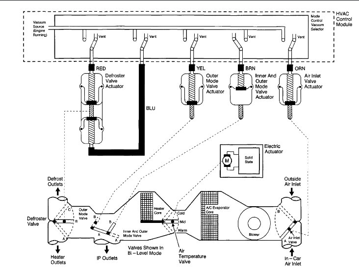
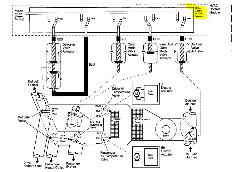
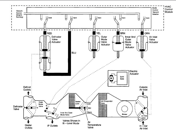
I attached two pics below. The first one is the vacuum schematic for a standard unit. The second schematic is for a dual climate control system. I'm not sure which you have, so I attached both. Also, here is a link you may find helpful:

https://www.2carpros.com/articles/air-vents-stay-in-the-defrost-position

Let me know if this helps or if you have other questions.

Take care,

Joe

See pics below.
Was this
answer
helpful?
Yes
No
Thursday, May 4th, 2023 AT 12:24 PM (Merged)

Please login or register to post a reply.