ECS Electronic Controlled Suspension not working properly

Tiny
M3CHANIC
  • MEMBER
  • 2011 HYUNDAI EQUUS
  • 4.6L
  • V8
  • 2WD
  • AUTOMATIC
  • 145 MILES
After getting an oil change, my air ride suspension did not go back to normal, suspension stayed up high instead of leveling off at the right height.
Thursday, July 29th, 2021 AT 8:01 AM

1 Reply

Tiny
JACOBANDNICKOLAS
  • MECHANIC
  • 110,194 POSTS
Hi,

There are a few things that can cause this. However, can you tell me if the vehicle was lifted on a hoist?

Because of the complexity and year of the vehicle, I feel it is necessary to have the can-bus scanned for codes related to the suspension. CAN stands for controller area network. Basically, all computers and modules are tied together via a few wires. When the CAN is scanned, it should identify any diagnostic trouble codes regardless of the module it's stored in. Here is a quick video showing how it's done:

https://youtu.be/InIlnsjOVFA

I attached some general diagnostics below, but it will require a scan tool that can communicate with the vehicle modules.

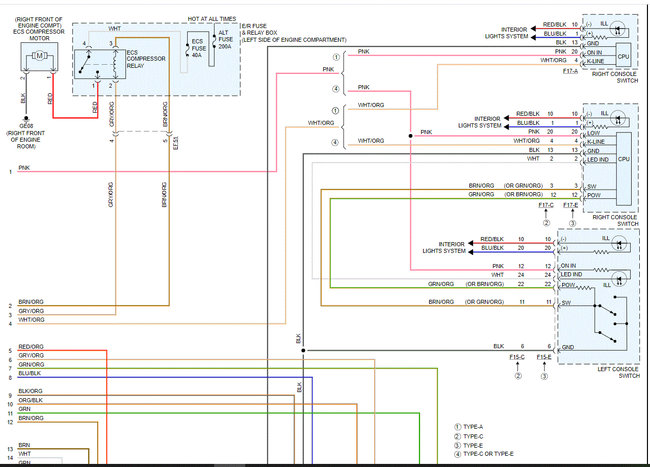
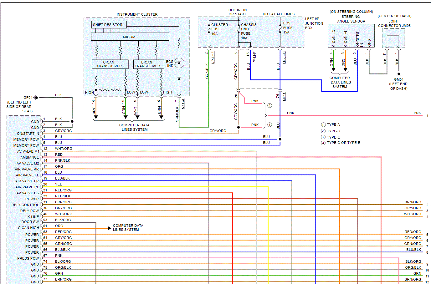
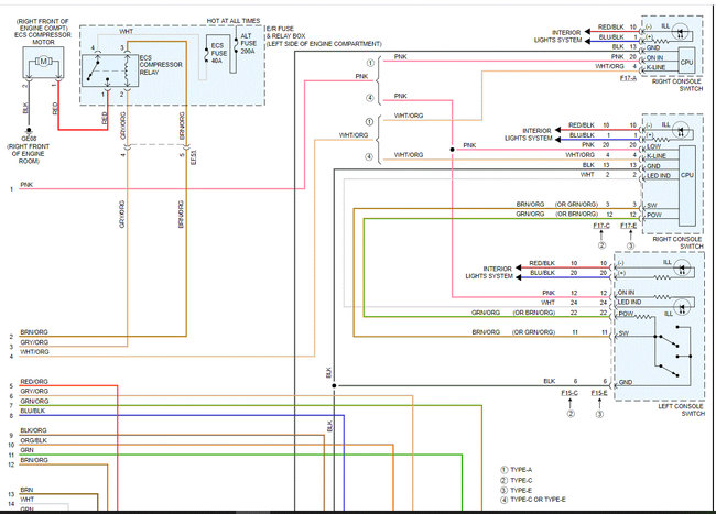
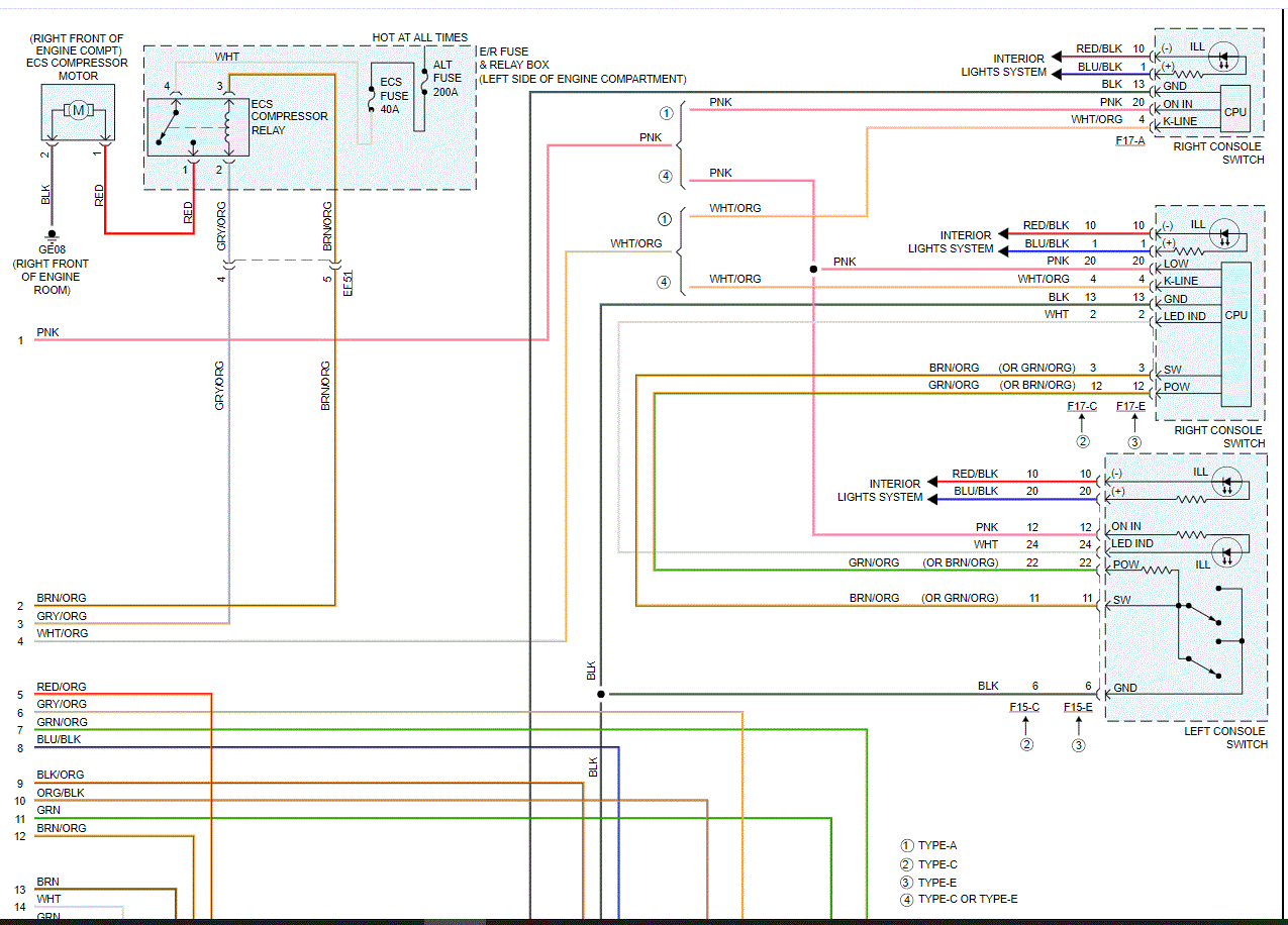
Also, pics 3, 4, 5, and 6 are the wiring schematic of the ECS system. There were two pages, but I had to cut them in half to make them readable for you. I did overlap them so you can follow from one to the next. In the second wiring schematic pic, I highlighted the solenoids related to the system. Note that the reverse valve is located under the hood on the right side of the engine compartment.

The reverse valve and air spring valves are open so compressed air can exit the air spring. If I had to guess, I would say that got disconnected when they were working. I don't feel it is any of the leveling sensors because all wheels are affected and not just one.

The connector to the reverse module will be black and have three wires going to it. If you look at the last pic, I provided the location of the module. Check and make sure nothing was damaged or disconnected.

Let me know if this helps or if you have other questions.

Take care,

Joe

See pics below.

Was this
answer
helpful?
Yes
No
+1
Thursday, July 29th, 2021 AT 9:12 PM

Please login or register to post a reply.