ECM pin outs

Tiny
PACIFICISLANDER
  • MEMBER
  • 1996 NISSAN HARDBODY
  • 2.4L
  • 4 CYL
  • 2WD
  • MANUAL
  • 100,000 MILES
Trying to see whether I can use this ECM for my truck listed above.
Sunday, October 13th, 2019 AT 6:32 PM

5 Replies

Tiny
DANNY L
  • MECHANIC
  • 5,648 POSTS
Hello, I'm Danny.

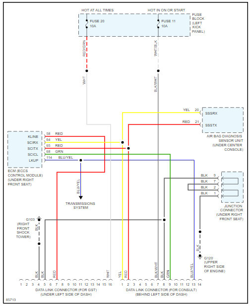
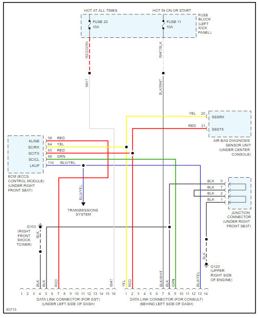
I'm not sure what your asking. Are you tying to use a 1996 ECM on your 1997 Hard body? I've attached 2 pictures of the ECM below. First picture is a 1996 and the second is for a 1997. Let me know and thanks for using 2CarPros.

Danny-
Was this
answer
helpful?
Yes
No
Sunday, October 13th, 2019 AT 6:50 PM
Tiny
PACIFICISLANDER
  • MEMBER
  • 240 POSTS
It looks like I can be able to use the 1996 PCM maybe I'm wrong.
Was this
answer
helpful?
Yes
No
Sunday, October 13th, 2019 AT 10:41 PM
Tiny
DANNY L
  • MECHANIC
  • 5,648 POSTS
Hello again.

Yes, Both the 1996 and 1997 are both the same. Hope this helps and thanks again for using 2CarPros.

Danny-
Was this
answer
helpful?
Yes
No
Monday, October 14th, 2019 AT 5:38 PM
Tiny
PACIFICISLANDER
  • MEMBER
  • 240 POSTS
Thank you sir, much appreciated.
Was this
answer
helpful?
Yes
No
Tuesday, October 15th, 2019 AT 12:28 AM
Tiny
DANNY L
  • MECHANIC
  • 5,648 POSTS
You're welcome!

Hope you will use us again in the future. Thanks again for using 2CarPros.
Danny-
Was this
answer
helpful?
Yes
No
Tuesday, October 15th, 2019 AT 2:14 PM

Please login or register to post a reply.