Wednesday, March 17th, 2021 AT 9:16 AM
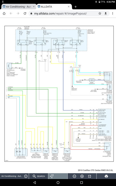
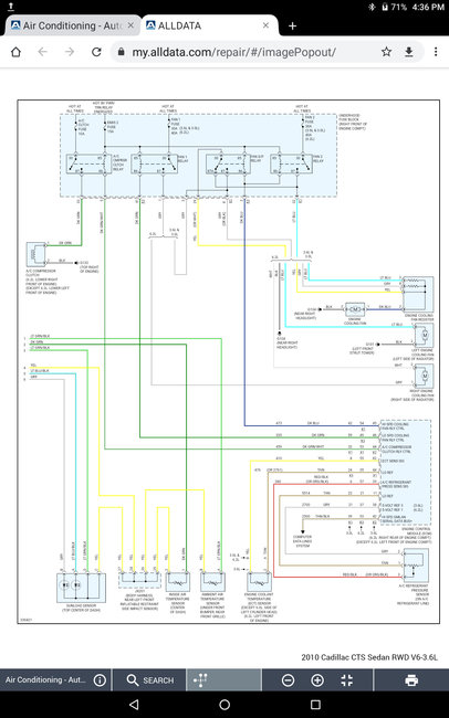
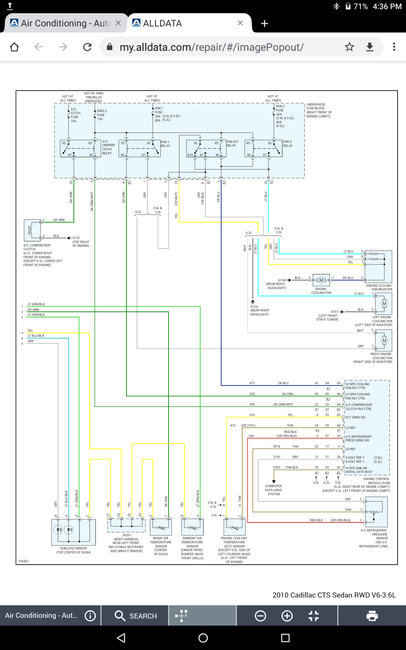
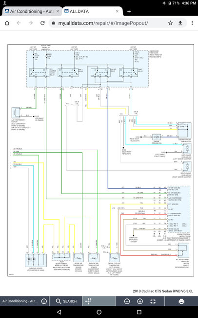
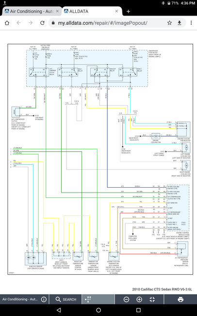
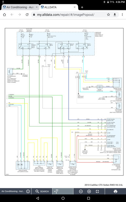
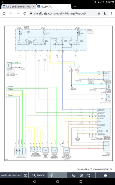
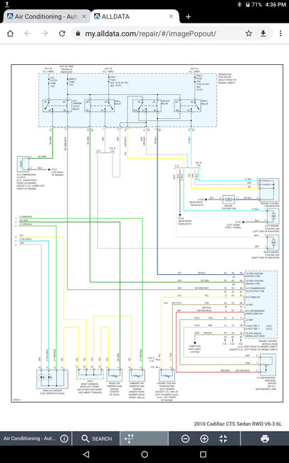
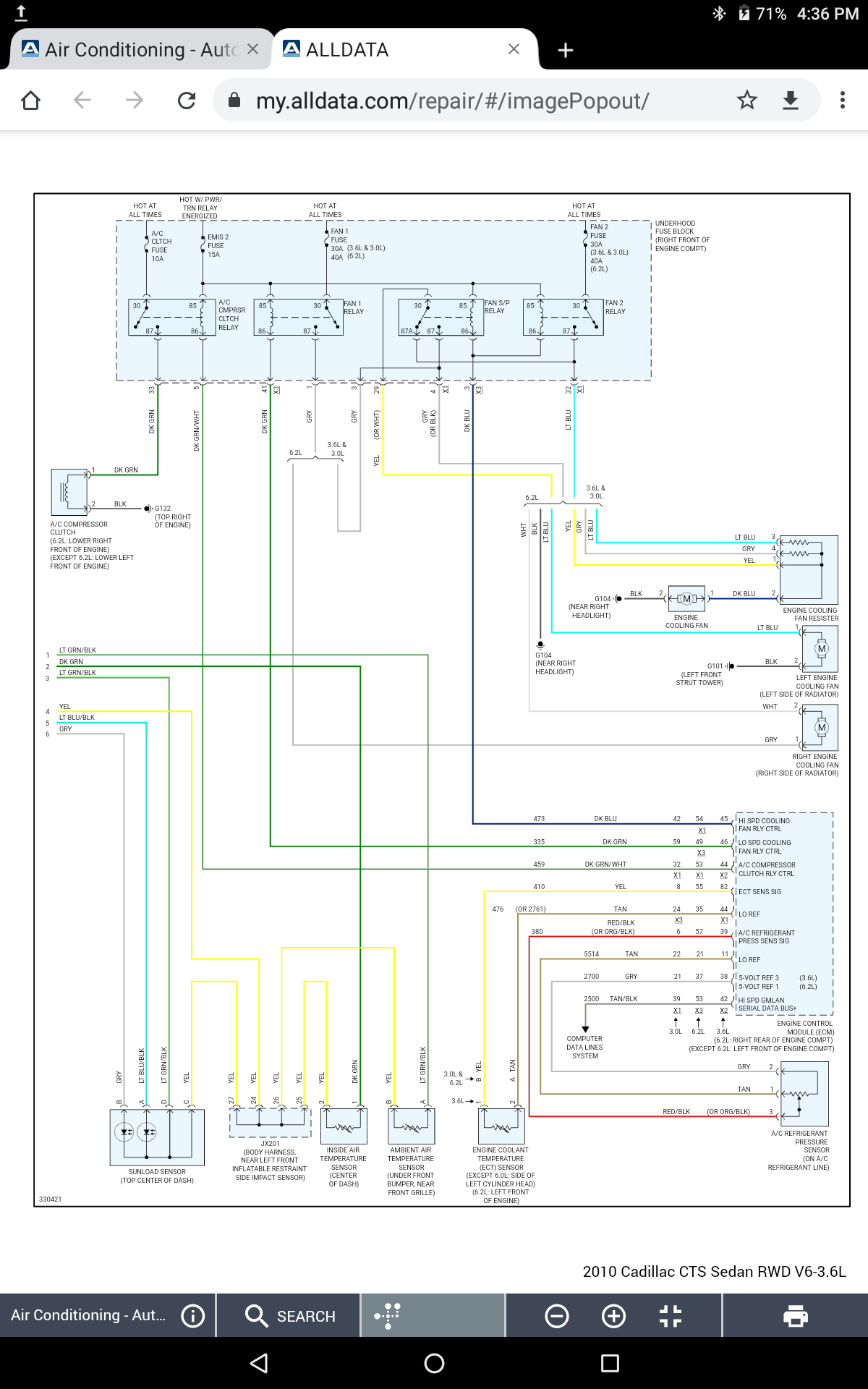
I can’t find the ECM, it is not next to the fuse box, under the hood. Your diagram, says that the v-6 is on the left rear engine compartment, but I still don’t see it. I’m not an idiot, I just can’t find the darn thing. Is it under the air box?








