Check engine light is on and DTC P0101?

Tiny
BUSINESSFRED
  • MEMBER
  • 2013 NISSAN ALTIMA
  • 2.5L
  • 4 CYL
  • 2WD
  • AUTOMATIC
  • 168,000 MILES
I had this code scanned
P0101

My car is driving normal, but my Check engine light is on.

I am requesting troubleshooting steps and if possible, a diagram to locate the affected parts to replace/repair.

Thank you
Sunday, April 14th, 2024 AT 5:40 PM

1 Reply

Tiny
JACOBANDNICKOLAS
  • MECHANIC
  • 110,194 POSTS
Hi,

As far as the code is concerned, it is related to the mass air flow sensor (MAF). The code can be set by a few things. For example, an engine vacuum leak, a wiring or connector issue, a failed MAF sensor, intake air temperature sensor, and so on.

I attached diagnostics below. However, before you jump into the diagnostics, I would remove and clean the MAF sensor. They make a special cleaner specifically for them.

Here is a link that shows how to service it:

https://www.2carpros.com/articles/mass-air-flow-service

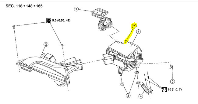
The mass air flow sensor is located in the air filter box. See pic 1 below. The remaining pics are the diagnostics related to the code.

Let me know if this helps or if you have other questions.

Take care,

joe

See pics below.
Was this
answer
helpful?
Yes
No
Sunday, April 14th, 2024 AT 8:37 PM

Please login or register to post a reply.