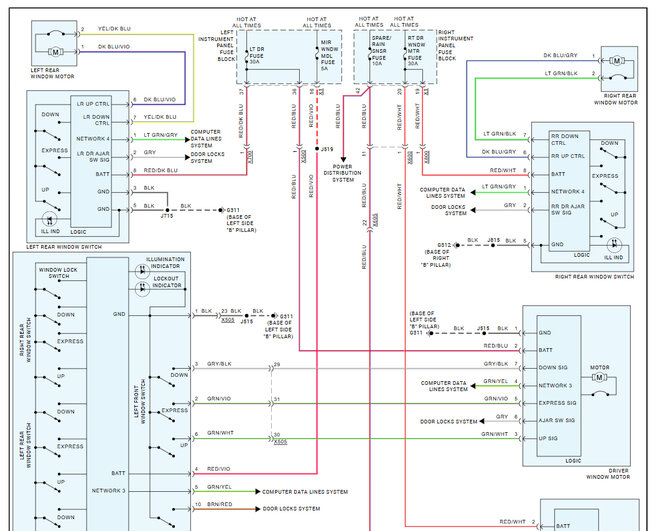
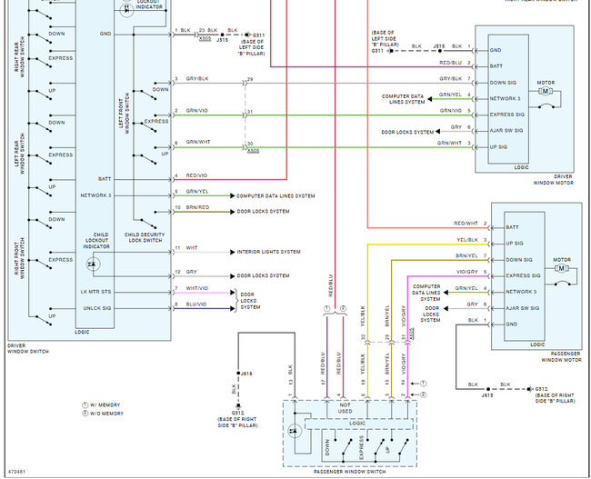
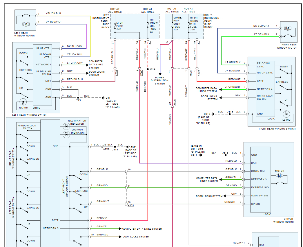
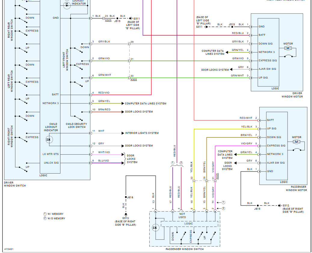
I replaced the regulator/motor (aftermarket) and then the master switch (first aftermarket, now OEM GM #23427094).
Other windows work fine. With the OEM switch, the dash calibration message returned (once only), but the driver window never works.
I tried applying 12V directly to both old and new motors — no movement. Fuse is good. No visible wire damage.
I am perplexed as to what the issue is.
Wednesday, July 30th, 2025 AT 11:02 AM




