windshield wiper stopped working

1999 CHEVROLET S-10
89,000 MILES • 4.3L • V6 • 2WD • AUTOMATIC
Avatar
DAVE L.
  • MEMBER
  • 1 POST
Wipers were on and then all of a sudden the driver's side stopped. The passenger side works fine as well as both sides washers. I can move the driver side up and down with no resistance. when I turn the wipers on the passenger side works fine, however the drivers side doesn't work at all. You can see it move about a 1/2" up and down while the passenger side is fine.
Apr 27, 2019 at 10:56 AM
Repair Safety Notice: This information is for general instructional purposes only. Vehicle repair can be dangerous. Verify all information, follow manufacturer service procedures, use proper tools and safety equipment, and consult a qualified repair shop when needed.
Advertisement
Avatar
JACOBANDNICKOLAS
  • AUTOMOTIVE REPAIR CONTRIBUTOR
  • 110,190 POSTS
Welcome to 2CarPros.

A few things may have happened. The wiper arm may have come loose, stripped, or there is a problem with the linkage.

What I want you to do is first, confirm the nut holding the arm to the wiper transmission is tight. If it is, remove the wiper arm. Here are the directions for removal. The attached pics correlate with the directions. Also, you will see how to access the nut to confirm it is tight. Once you remove the arm, check it to see if it is stripped where it mounts on the transmission. Also, if it isn't stripped, with the wiper arm off, turn on the wipers and see if the transmission is moving.

_____________________________________

WIPER ARM REPLACEMENT
REMOVAL PROCEDURE

picture 1

1. Mark the wiper park position on the windshield with a suitable non-permanent marker.
2. Remove the cover from the wiper arm nut.
3. Remove the wiper arm retaining nut.


picture 2

4. Remove the wiper arm from the wiper transmission drive shaft.

_______________________________

If the transmission doesn't move with the arm off and wipers on the linkage under the cowl at the base of the windshield may have come off. The wiper motor is mounted on the firewall under the hood. When on, it turns the linkage which is attached to each wiper. There is a ball joint connection at each side. See pic 3. It shows the joint being removed with a special tool. That may have come apart.

Let me know what you find so I can better help. Also, I will tell you that often times the wiper arm strips and needs replaced. You will know once it is removed. Regardless, I'm hoping it just came loose.

Take care and let me know if you have questions.

Joe


Apr 27, 2019 at 9:57 PM
Advertisement
Avatar
DAVE L.
  • MEMBER
  • 1 POST
I found the wiper arm lock nut only finger tight. I took it off and check the spline (it's a little worn), put arm back on and tightened it really good. It seems to work fine now. If the spline/wiper arm gets to worn I'll have to replace them. I'm not sure if the spline that's connected to the linkage is a replaceable part or not.
Thanks for your help.
Dave L.
Apr 29, 2019 at 11:05 AM
Avatar
JACOBANDNICKOLAS
  • AUTOMOTIVE REPAIR CONTRIBUTOR
  • 110,190 POSTS
Welcome back, Dave.

The spline itself isn't replaceable, but all you will need is the spline and what it is attached to under the cowl. The linkage is removable, so you could get one at a salvage yard if needed.

Regardless, I'm glad you got it going.

Take care and let us know if you have questions in the future.

Joe
Apr 29, 2019 at 6:56 PM
Avatar
DAVE L.
  • MEMBER
  • 1 POST
Thanks for all your help/advice.
Apr 30, 2019 at 2:22 PM
Avatar
KDIZZY42
  • MEMBER
  • 4 POSTS
I have had the same problem as many other s10 owners have had, where the wipers used to work (intermittently), now they dont work at all. I have replaced the connector to the motor and it worked great, very briefly. i read on some forums to re-solder some of the connections on the board. I did them all, and still nothing. Please help. 98, 4.3l, 2wd
Apr 30, 2019 at 2:23 PM (Merged)
Avatar
ZACKMAN
  • AUTOMOTIVE REPAIR CONTRIBUTOR
  • 4,202 POSTS
Have you considered replacing the pulse board? I have seen two Blazers with similar problem, and the pulse board replacement cured the problem.


https://images.2carpros.com/forum/automotive_pictures/55316_906136007_1.jpg

Available at your local parts store, Dorman 88136 retails for about $30.
Apr 30, 2019 at 2:23 PM (Merged)
Avatar
KDIZZY42
  • MEMBER
  • 4 POSTS
i will give that a try and let you know...thanks
Apr 30, 2019 at 2:23 PM (Merged)
Avatar
ZACKMAN
  • AUTOMOTIVE REPAIR CONTRIBUTOR
  • 4,202 POSTS
Please do.....
Apr 30, 2019 at 2:23 PM (Merged)
Avatar
KDIZZY42
  • MEMBER
  • 4 POSTS
i have replaced the pulse board module, and still nothing, the fuse is good(obviously) is it possible that i have a bad ground or something?
Apr 30, 2019 at 2:23 PM (Merged)
Avatar
ZACKMAN
  • AUTOMOTIVE REPAIR CONTRIBUTOR
  • 4,202 POSTS
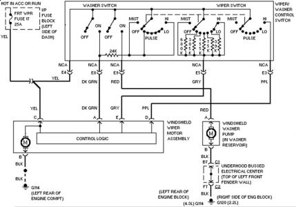
It is quite possible. Here is the diagnostic for your problem and the wiring diagram.


https://images.2carpros.com/forum/automotive_pictures/55316_98s10wiper1_1.jpg


https://images.2carpros.com/forum/automotive_pictures/55316_98s10wiper2_1.jpg


https://images.2carpros.com/forum/automotive_pictures/55316_98s10wiper3_1.jpg

Apr 30, 2019 at 2:23 PM (Merged)
Avatar
KDIZZY42
  • MEMBER
  • 4 POSTS
thank you very much for the diagnostic and wiring diagram....this will definitely get me to the bottom of the issue...ive looked in several places for the diagram, but to no avail. Thanks again.
Apr 30, 2019 at 2:23 PM (Merged)
Avatar
ZACKMAN
  • AUTOMOTIVE REPAIR CONTRIBUTOR
  • 4,202 POSTS
Glad to help. Let me know if you need anything else...
Apr 30, 2019 at 2:23 PM (Merged)
Avatar
NMP
  • MEMBER
  • 2 POSTS
1986 Chevy S10 wiper blades not working
Apr 30, 2019 at 2:23 PM (Merged)
Avatar
JACOBANDNICKOLAS
  • AUTOMOTIVE REPAIR CONTRIBUTOR
  • 110,190 POSTS
Have you checked fuses? Is there power to the wiper motor?

Let me know.
Joe
Apr 30, 2019 at 2:23 PM (Merged)
Avatar
NMP
  • MEMBER
  • 2 POSTS
Fuse good. Wiper motor humming. When tapped on it totalling went silent. Guess after 25 years the motor when out. So $57.00 for a new one pluse labor or go to the junk yard?
Apr 30, 2019 at 2:23 PM (Merged)
Avatar
JACOBANDNICKOLAS
  • AUTOMOTIVE REPAIR CONTRIBUTOR
  • 110,190 POSTS
That sounds like the problem. Honestly, you'll end up paying 25 bucks at a junk yard. I would spend the extra and get a life time warranty if possible. As far as replacement, it takes a little time, but if you have some mechanical ability and tools, you could most likely do it yourself.

Let me know what you decide.
Joe
Apr 30, 2019 at 2:23 PM (Merged)
Avatar
EHESENFLOW
  • MEMBER
  • 1 POST
1998 Chevy S-10

I turned the wipers on when they were frozen (winter time) and they didn't move. The next time I turned them on the passenger side worked but the drivers side wiper went all the way to the left, sticking out towards the side mirror. I had to pull over and push it back down, now it will not work at all. The passenger side still works.
Apr 30, 2019 at 2:23 PM (Merged)
Avatar
MATHIASO
  • AUTOMOTIVE REPAIR CONTRIBUTOR
  • 1,209 POSTS
Hello ehesenflow The wiper motor is most likely the problem, but to make sure the wiper linkage is not loose from the wiper transmission, it must be removed: Disconnect the negative battery cable. Remove the cowl vent grille and screen retainers


https://images.2carpros.com/forum/automotive_pictures/46384_1_6.jpg

Remove the cowl vent grille and screen from the vehicle


https://images.2carpros.com/forum/automotive_pictures/46384_2_4.jpg

Disconnect the wiper linkage from the wiper transmission


https://images.2carpros.com/forum/automotive_pictures/46384_3_2.jpg

Unfasten the wiper motor retainers


https://images.2carpros.com/forum/automotive_pictures/46384_5_1.jpg

Installation Install the controller on the wiper motor and attach the motor wiring harness to the controller. Place the wiper motor in position and install the two retaining screws. Do not tighten the screws until the wiper motor shaft is centered in the tailgate hole. Once the shaft is centered, tighten the screws to 57 inch lbs. (6.5 Nm). Attach the wiper motor electrical connection, then install the end gate trim panel. Install the spacer and nut onto the shaft and tighten the nut to 53 inch lbs. (6 Nm). Install the wiper arm assembly and connect the negative battery cable. Check for proper motor operation.
Apr 30, 2019 at 2:23 PM (Merged)
Avatar
NANNQ2000
  • MEMBER
  • 1 POST
i replaced the mutifunction swithch about 10 months ago to fix wipers not working , it worked until recently now they are not working again just coming on occasionnaly and not when i need them ,, is there any warrenty onthe part it cost me over $300 for the switch alone and inless than ayear it is failing again helLP!
Apr 30, 2019 at 2:23 PM (Merged)
Avatar
PEAR69
  • AUTOMOTIVE REPAIR CONTRIBUTOR
  • 1,482 POSTS
I don't know about a warranty but I do know that the ground on the wiper motor sometimes corrodes causing the wiper to fail. Check it and clean it.
Apr 30, 2019 at 2:23 PM (Merged)
Avatar
SWILLIAMS
  • AUTOMOTIVE REPAIR CONTRIBUTOR
  • 597 POSTS
Sounds like the wiper motor control board failure. Common problem on some GM vehicles. BUT GM says it's only on certain ones...

Anyway. There are a couple screws that hold the board to the wiper motor. Remove them and the wiring connection. If you want to repair it yourself you need to clean and re-solder the wiring harness connector on the board. Then put it back on. Or you can buy an updated board at many FLAPS and just bolt it on. I also make a small wire hanger to hold the wiring harness up so the strain is off the connection.
Apr 30, 2019 at 2:23 PM (Merged)
Avatar
TJCHEVY
  • MEMBER
  • 1 POST
I have windshield wipers that when activated while it is raining, will stop working. If i have them on delay they will function at the setting for a while, 4-5 minutes, then either quit or go into a longer delay.
I have had to wrap a piece of baling wire around the wireing harness and the wiper motor to try and keep it running but I still have to get out of the truck and wiggle it when the wiper action stops. I believe that there was a recall on this for 1996 models.
Have any better ideas than baling wire??
Apr 30, 2019 at 2:23 PM (Merged)
Avatar
MASTERTECHTIM
  • AUTOMOTIVE REPAIR CONTRIBUTOR
  • 4,750 POSTS
your problem is the circuit board on the wiper motor and yes there was a recall. call the dealer with your vin number and have them check to see if you qualify, if not then replace the circuit board. very easy to do, 3 torx screw and pull it straight off, then plug the new one in.
Apr 30, 2019 at 2:23 PM (Merged)