Sunday, January 12th, 2020 AT 11:35 AM
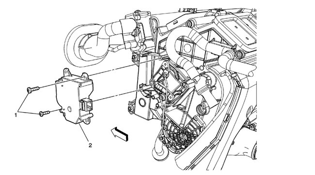
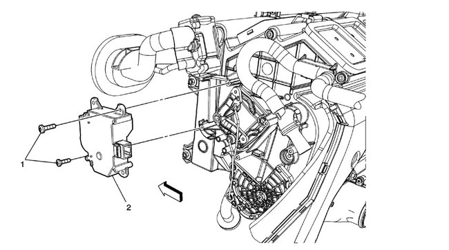
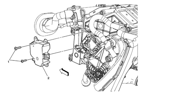
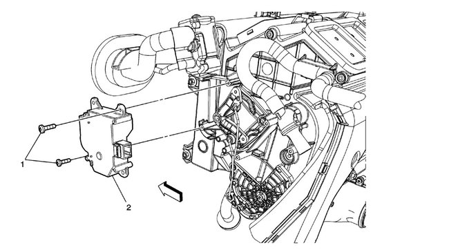
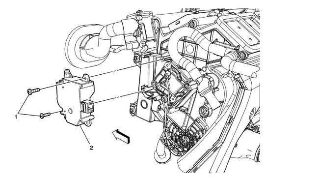
No heat on drivers compartment side. A/C and heat work on passenger side. Have been hearing clicking noise from HVAC system. Clicking noise started in summer but would stop.



