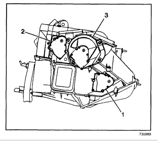
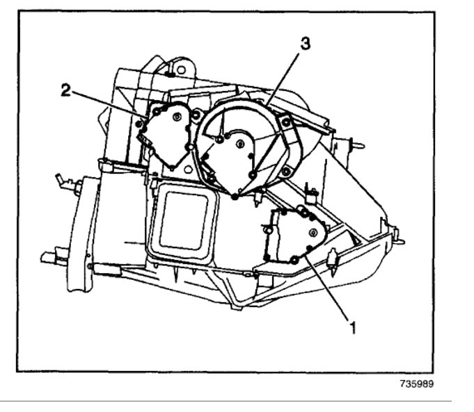
Drivers side blend door actuator

Tiny
TANYA NICHOLSON
  • MEMBER
  • 2002 GMC ENVOY
  • 250,000 MILES
My A/C on the drivers side blows hot. Which blend door actuator should I be replacing?
Friday, August 4th, 2017 AT 8:11 AM

1 Reply

Tiny
KEN L
  • MASTER CERTIFIED MECHANIC
  • 55,090 POSTS
Hello,

Here is an excellent guide to show you what you are in for when doing the job and some diagrams that will show you what it will be like on your car (below) it is the first one.

https://www.2carpros.com/articles/replace-blend-door-motor

Please let us know what happens.

Cheers, Ken
Was this
answer
helpful?
Yes
No
-2
Saturday, August 5th, 2017 AT 10:02 PM

Please login or register to post a reply.