Replaced light bulb and it blew out soon as the brakes was applied. Fuse the problem?
Feb 4, 2019 at 7:34 PM
Repair Safety Notice:
This information is for general instructional purposes only. Vehicle repair can be dangerous.
Verify all information, follow manufacturer service procedures, use proper tools and safety equipment,
and consult a qualified repair shop when needed.
Advertisement
SCGRANTURISMO
AUTOMOTIVE REPAIR CONTRIBUTOR
4,897 POSTS
Hello,
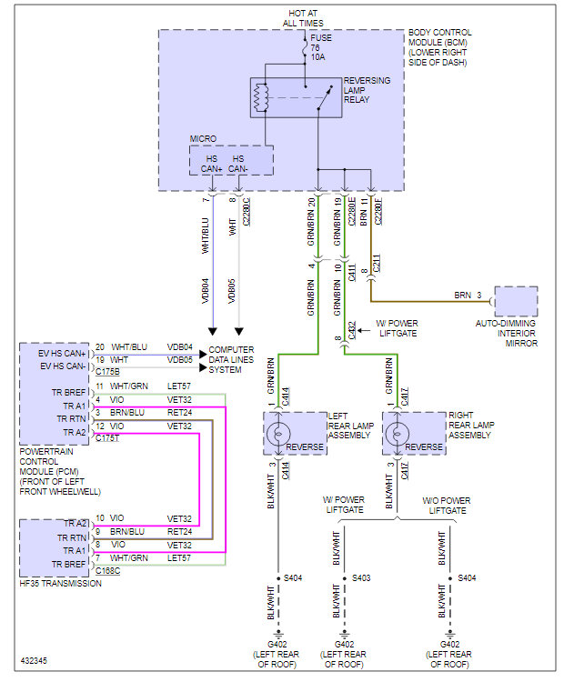
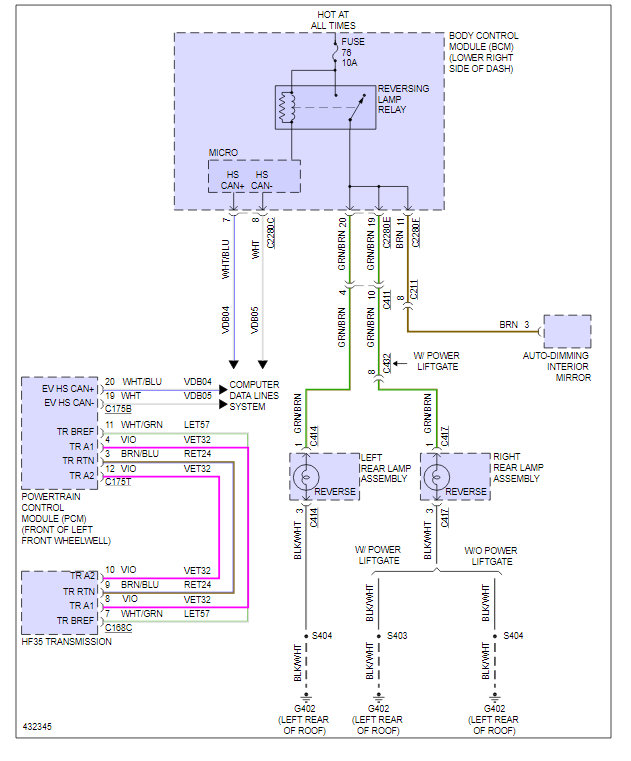
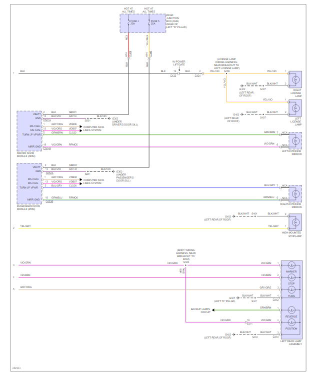
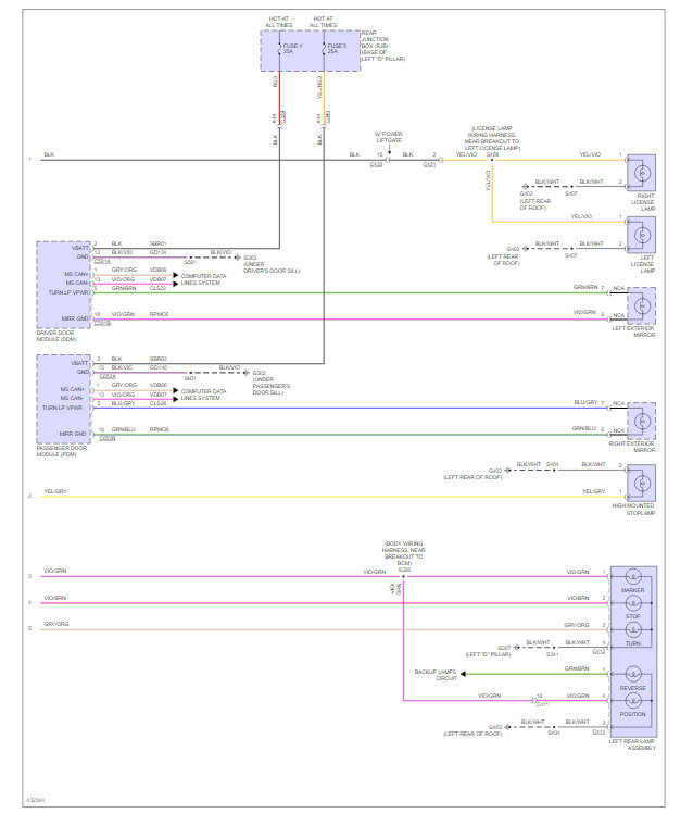
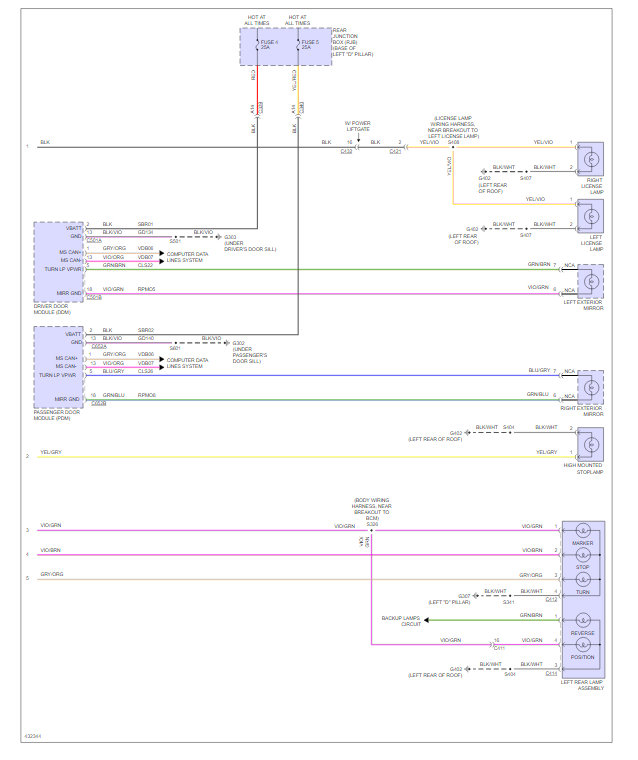
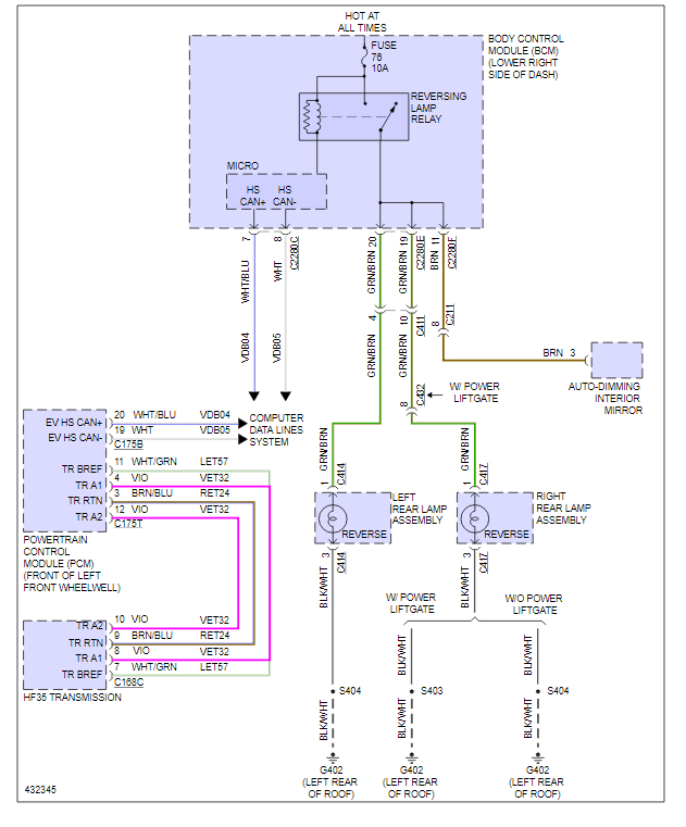
It sounds to me like you have a short to power with the marker light wire and the stop light wire. I am including all the wiring diagrams for the external lights on your vehicle. Hope this helps and let us know what you find out.