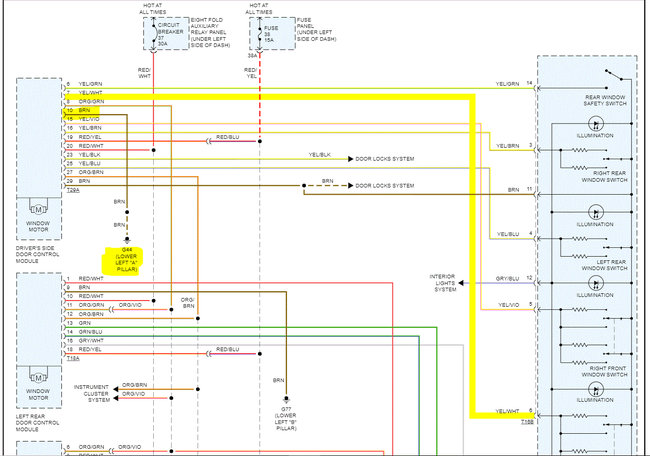
Car is a GLX wagon B5. The existing door switch is trashed, although I can pick one up. I've had a dozen Passat's in the past year from 1.8T to the W8. I have also replaced the window regulators, so I know them pretty well except for this issue. I am trying to avoid removing window regulator assembly and holding the window up with a stick, if possible. Also, we just want the window up, it doesn't work after that.
Thursday, January 6th, 2022 AT 1:34 PM


