Drivers door will not unlock

Tiny
DOC675
  • MEMBER
  • 2012 FORD F-250
  • 6.7L
  • V8
  • 4WD
  • AUTOMATIC
  • 150,000 MILES
The drivers door will not unlock using the key fob or the door lock switches. Door will lock okay. All other door lock operation is normal. Replaced drivers door lock actuator but did not help.
Monday, January 6th, 2020 AT 11:40 PM

3 Replies

Tiny
KASEKENNY
  • MECHANIC
  • 18,907 POSTS
This is the actuator and it is too weak to unlock the door. Unfortunately this is a pretty common failure of these.

Let me know if you have questions but if you want to verify it then remove the door panel and test for power at the actuator when pressing the button. If you have 12 volts then the actuator is the issue.
Was this
answer
helpful?
Yes
No
Tuesday, January 7th, 2020 AT 4:26 PM
Tiny
DOC675
  • MEMBER
  • 2 POSTS
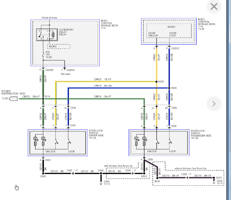
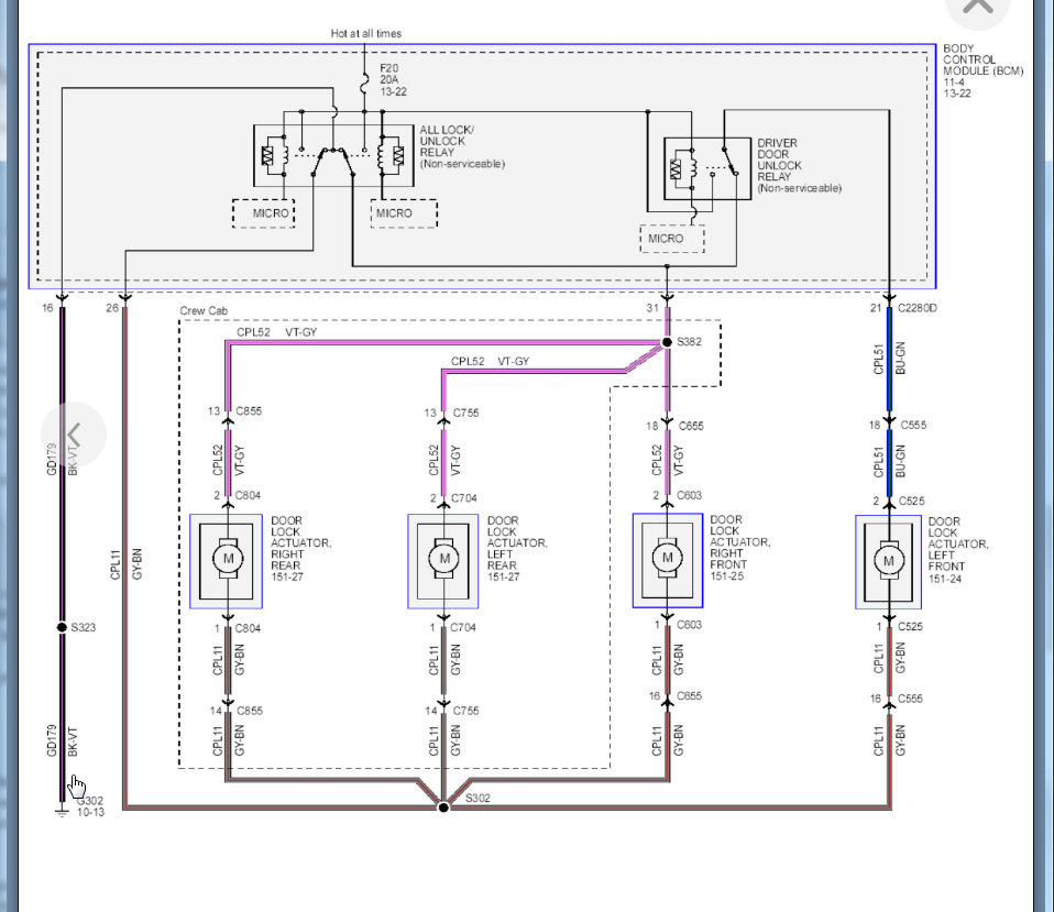
As noted by my original question and information, I had already tried a new door actuator with no help in fixing the issue. Looking at the wiring print, I see a drivers door unlock relay in the BCM. Can this relay be replaced individually, or does the BCM have to be replaced as an assembly?
Was this
answer
helpful?
Yes
No
Wednesday, January 8th, 2020 AT 9:56 PM
Tiny
KASEKENNY
  • MECHANIC
  • 18,907 POSTS
I am sorry. I read too quickly. If the actuator is not able to unlock then you have resistance in the circuit or no power. Unfortunately if it is the relay then you will need to replace the BCM. If you see where it says Non servicable, that means it is part of the module and not serviceable separately.

I should have clarified this because when I see this issue the actuator will move but doesn't actually unlock the lock. It acts like it is too weak and doesn't move its full travel. If the actuator doesn't even move then it very well could be the BCM/driver door unlock relay.

What I would do is go to the lock actuator and measure voltage on that circuit when pressing the button. Tell me what that is and we can go from there. If it is no voltage then yes, that relay/BCM is most likely the issue. If you have some voltage then you have a wiring issue most likely. That causes resistance in the circuit which "steals" power from the actuator and it is not able to move.
Was this
answer
helpful?
Yes
No
Thursday, January 9th, 2020 AT 7:04 PM

Please login or register to post a reply.