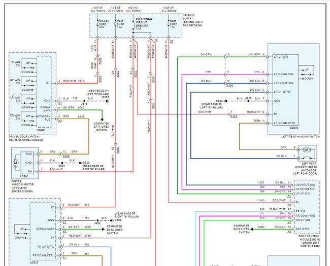
Monday, March 24th, 2025 AT 12:57 PM
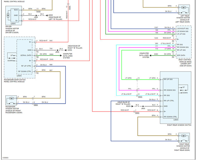
From the switch I'm only getting 11.4 volt to the motor. When I disconnect the switch and manually jump the connector pins I get the same voltage. Motor works great when jumped directly from the battery.


