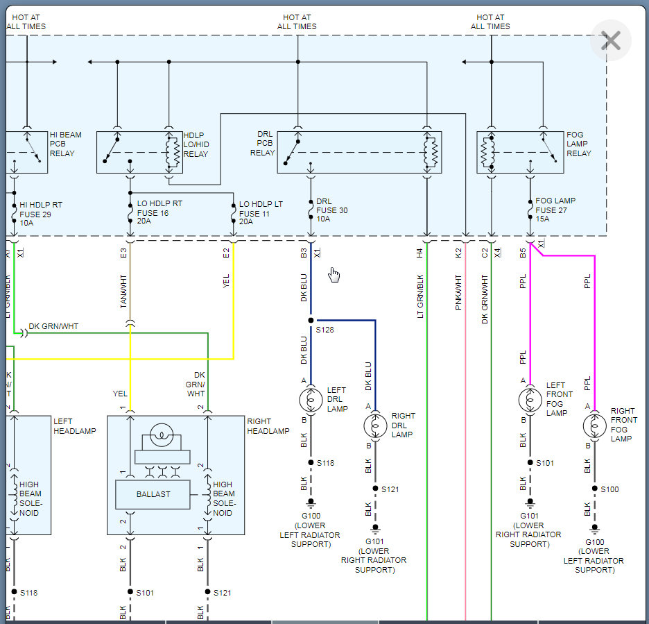
Wednesday, April 1st, 2020 AT 11:22 AM
I just had my driver side taillight and headlight redone at Midas and they told me that it was a front bulb and two fuses. About 3-4 days later the same thing happened and I don't know what to think at this point. Aso. The taillights are LED.





