Driver side door control module wiring?

2009 MERCEDES BENZ E350
220,000 MILES • 3.8L • 6 CYL • 2WD • AUTOMATIC
Avatar
RANDY ALBRIGHT2
  • MEMBER
  • 11 POSTS
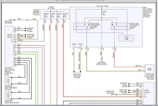
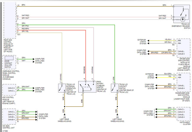
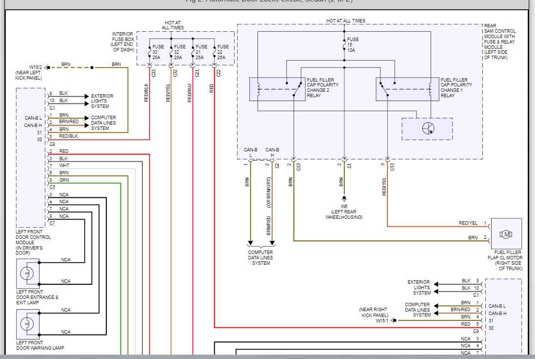
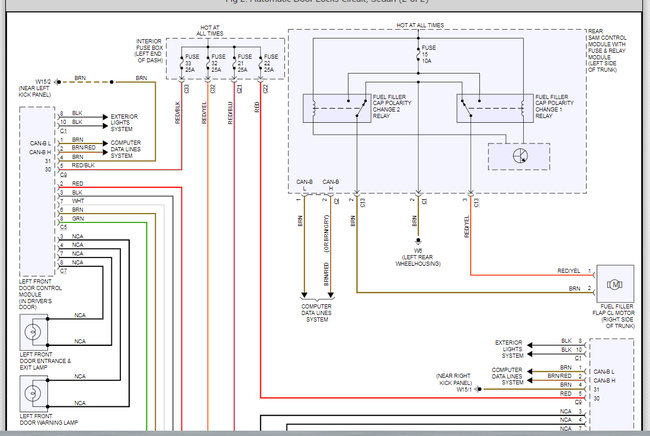
Need schematics for c6 on the DCM. And where the wires 1-10 on c6 go to. Same with 1-10 on c1 on the DCM.
Feb 17, 2020 at 2:20 PM
Repair Safety Notice: This information is for general instructional purposes only. Vehicle repair can be dangerous. Verify all information, follow manufacturer service procedures, use proper tools and safety equipment, and consult a qualified repair shop when needed.
Advertisement
Avatar
PORTAFISHING
  • MEMBER
  • 37 POSTS
Hello,

I hope this is what you need. We are here if you need any more information. Check out the diagrams (Below). Please let us know if you need anything else to get the problem fixed.
Stephen
Feb 18, 2020 at 8:43 AM