Driver seat heating and cooling not working

Tiny
RAY R SANTOS
  • MEMBER
  • 2009 CADILLAC ESCALADE EXT
  • 6.2L
  • V8
  • 4WD
  • AUTOMATIC
  • 146,000 MILES
Took the vehicle in for repair due to driver seat and pedals would not adjust. Also, the seats cooling and heating would not come on line. It was diagnosed that the seat control module was bad. The module has been replaced and everything else worked but the driver seat heating and cooling.
Tuesday, April 16th, 2019 AT 1:12 PM

7 Replies

Tiny
KASEKENNY
  • MECHANIC
  • 18,907 POSTS
Hi Ray,

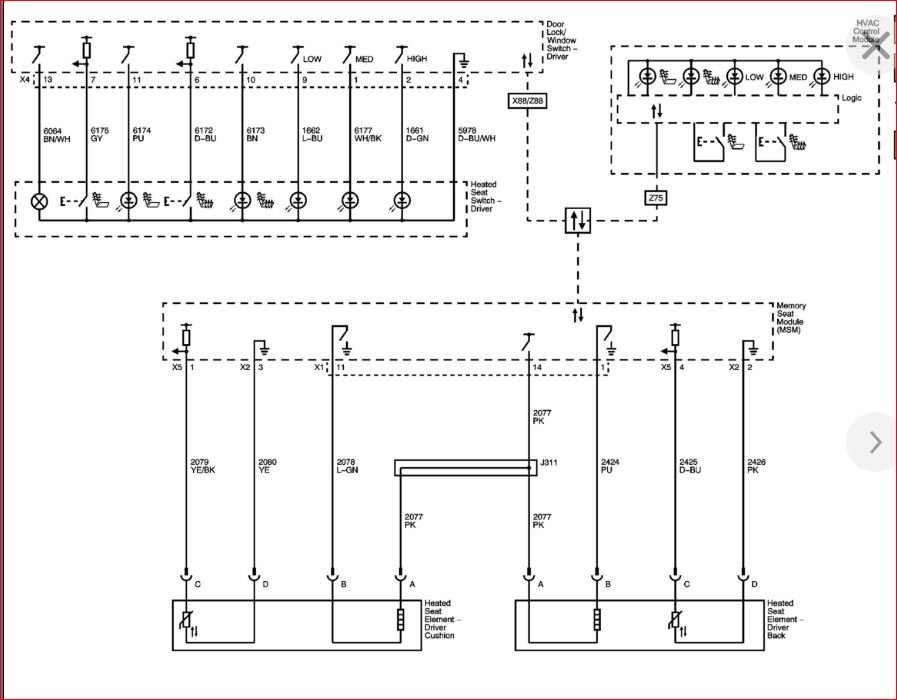
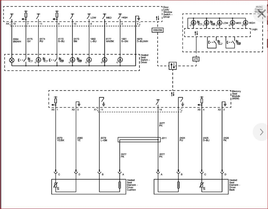
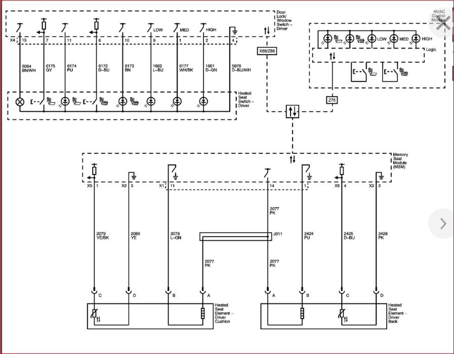
Thanks for the question. If they replaced the memory seat module then that eliminates one possible cause but it also limits it down because the signal follows this path. When you press the heat/cool button it sends the signal from the switch to the door/lock window switch (appears to be just a pass through), to the memory seat module. The memory seat module shares the info with the HVAC module and then sends the signal to the seat climate control module for ventilation. For heat, the MSM shares the info with the HVAC module but then it sends the signal directly to the heating elements.

Due to this small difference, the fact that neither the heat or cool work, then I would suspect your issue is either the switch for the heat/cool, the window switch (doubtful) or the wiring in between.

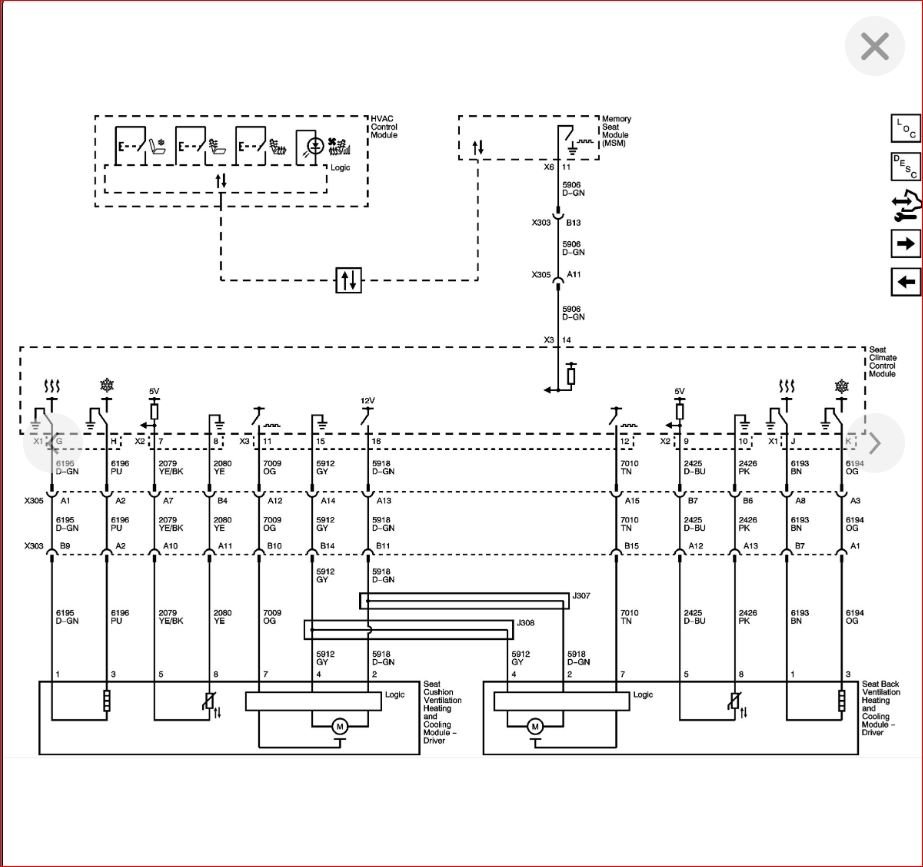
I attached the wiring diagrams however, the real way to test this, is to have a scan tool hooked up to it and monitor each module when you press the button on and off. Each module should see the input from the one before it which indicates it is getting the signal and it is most likely not your issue. I would suspect that the memory seat module was your issue but they just replaced that. There is a small chance that they used a module that does not have heated/cooled seats. Do you have the part number that they used? I can try to verify that it was the correct part.

Thanks.
Was this
answer
helpful?
Yes
No
Wednesday, April 17th, 2019 AT 12:43 PM
Tiny
RAY R SANTOS
  • MEMBER
  • 4 POSTS
KaseKenny1 thanks so much for your reply to my question. I really appreciate it! Just to correct myself. The driver seat heating and cooling has been working since the seat control module (P/N 25862041) had been replaced. However, the driver seat cooling and heating are still non-operational. I would assume the switch is functional, since when the button is pressed from the climate control, the relay audibly clicks and the display comes online, but no air is being pushed.
The last conversation I had with the service advisor, that I needed a new heat control module (P/N 15232555), located under the passenger seat. Does that make sense to you? I have attached photos of the new seat control module and the heat control module that the dealership wanted to replace.
Thank you again in advance.
Was this
answer
helpful?
Yes
No
Sunday, April 21st, 2019 AT 1:30 PM
Tiny
KASEKENNY
  • MECHANIC
  • 18,907 POSTS
Thanks for clarifying. Yes, that makes sense because once you get past the button (driver and passenger) and initial input of the command from the driver/passenger, the two seats are controlled independently of each other. Basically, they have their own modules that run the heater and motor for the cooler.

Without being the one doing the testing I clearly can't say with certainty but what they are telling you seems right. Plus, I would trust that if this is the dealership, that they have checked it with the scan tool on each module to see at which point the command is not reaching. Meaning they can look in each module, press the button and when the command does not register in that module then they found the problem. At that point, they just do a quick voltage check to ensure it is not wiring then condemn the module.

Feel free to keep me updated with what happens but I would be surprised if that does not correct you issue. Thanks
Was this
answer
helpful?
Yes
No
Sunday, April 21st, 2019 AT 7:07 PM
Tiny
RAY R SANTOS
  • MEMBER
  • 4 POSTS
Hi there, just to give you an update with my driver seat heat-cooling issue. The dealership wanted to replace the heat-cooling module, PN 15232555 for $863 part and labor. I declined the work, since I have already spent $544 during my first visit when they replaced the seat module. I took my chance and purchased an OEM heat-cool module. I plugged in the new module and wasn´t quite surprise by the end result. The problem still exist.
Intrigued by the issue, I took some time and dug a little deeper myself. I had checked all the connectors first for obvious damage and found none. Stepped a bit further and checked the circuits with the aid of your diagram and a power probe, to see if there is any direct short. Everything checks good. I had unbolted both seats and turned them into position where I can observe the components during operation. The first photo which I was unable to identify what component it is, (fan or blower?) Did not kick in on either mode (heat/cooling) like the passenger seat does.
I suspect that it is the culprit to the issue. Please advise. Thank you!
Was this
answer
helpful?
Yes
No
Monday, April 29th, 2019 AT 9:37 PM
Tiny
KASEKENNY
  • MECHANIC
  • 18,907 POSTS
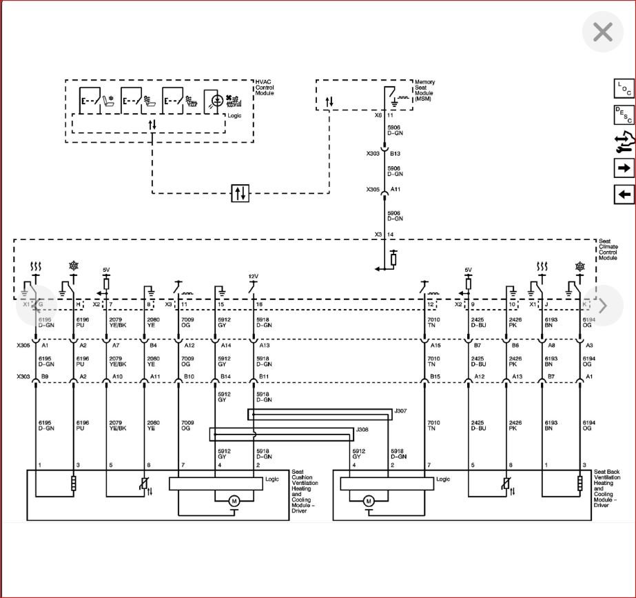
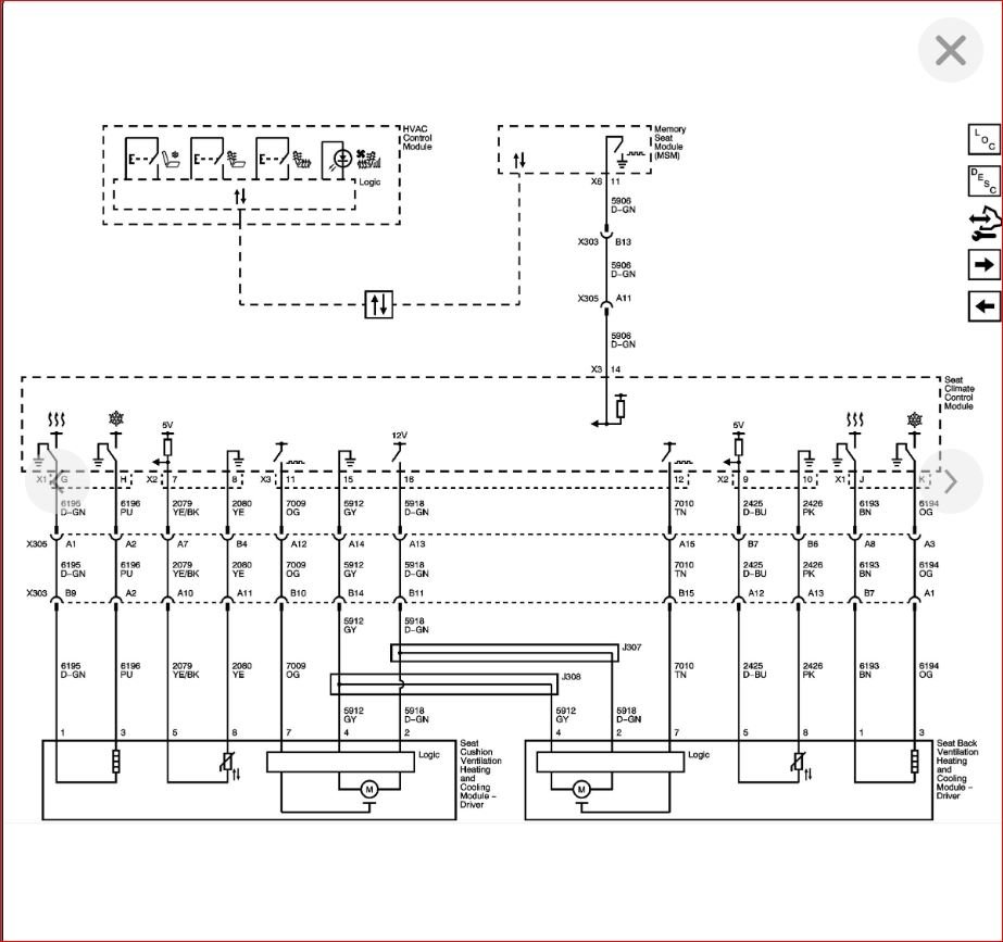
Just so I am clear. You got the heat/cool module that is under the driver seat? Can you send me the part number? It looks like what you took a picture of is the blower fan which is supposed to be part of the ventilation module. You actually have 4 of these. One in the seat back and seat cushion of both front seats.

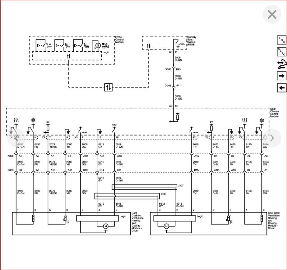
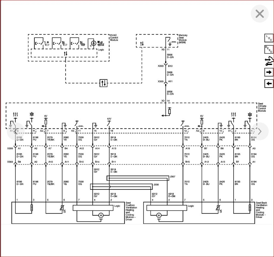
Here is how this system works. You press the button to turn on the heated/cooled seats. It sends a signal to the HVAC control module. This module sends the signal to the Memory Seat Module. The MSM then sends the signal to the Climate Control Seat Module. The CCSM then determines which blower fans it needs to turn on and it sends the voltage to that blower.

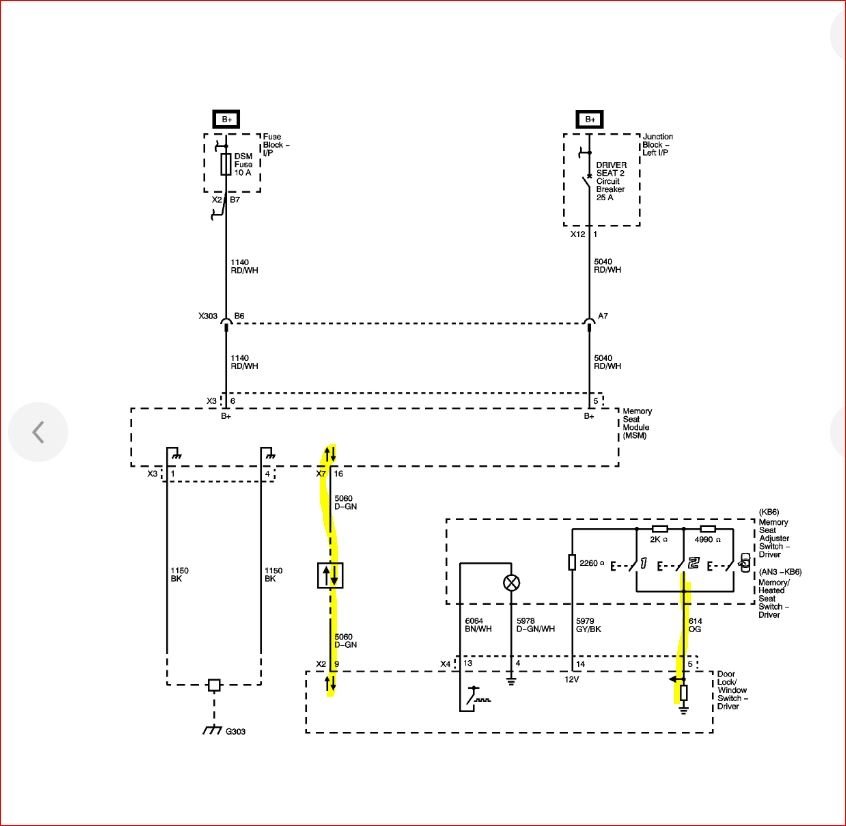
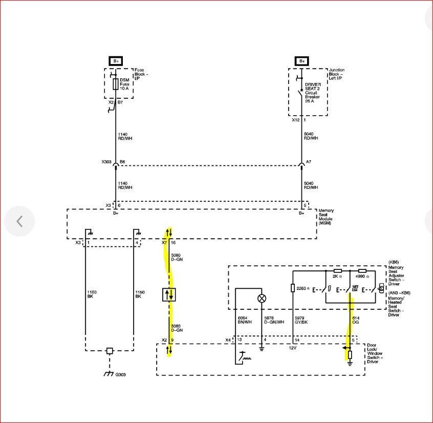
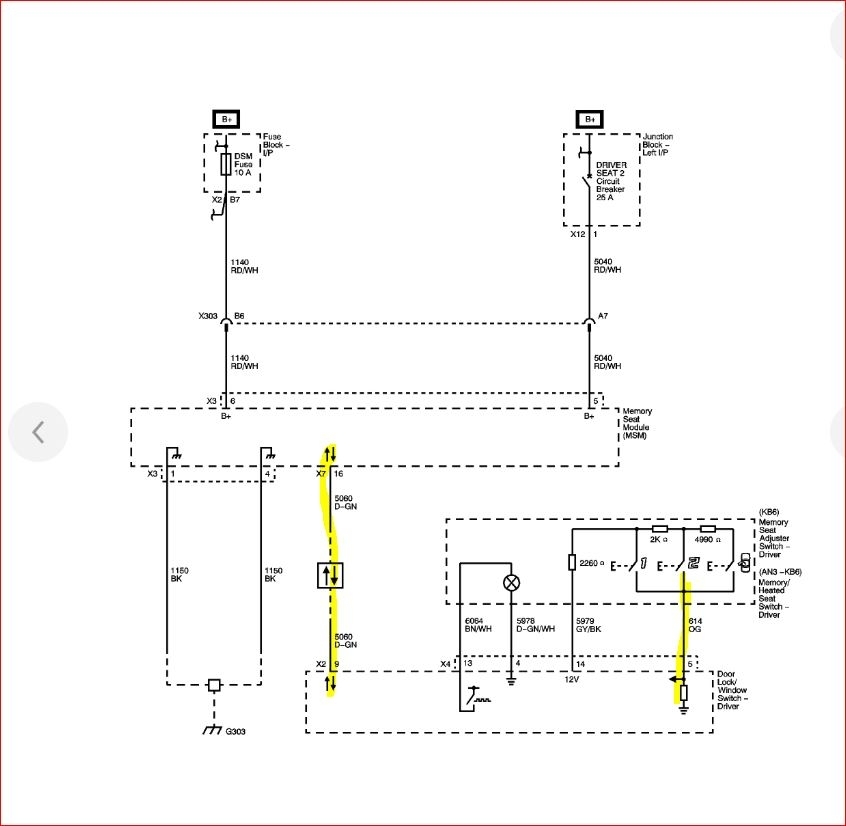
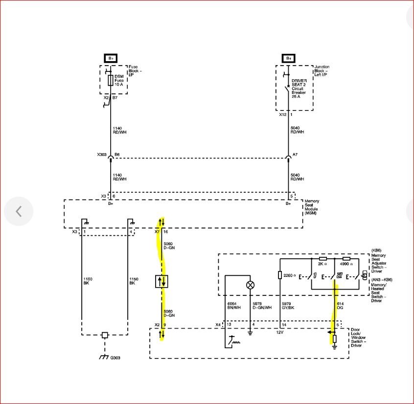
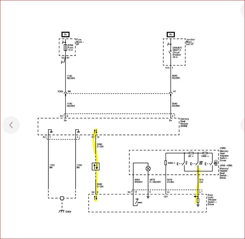
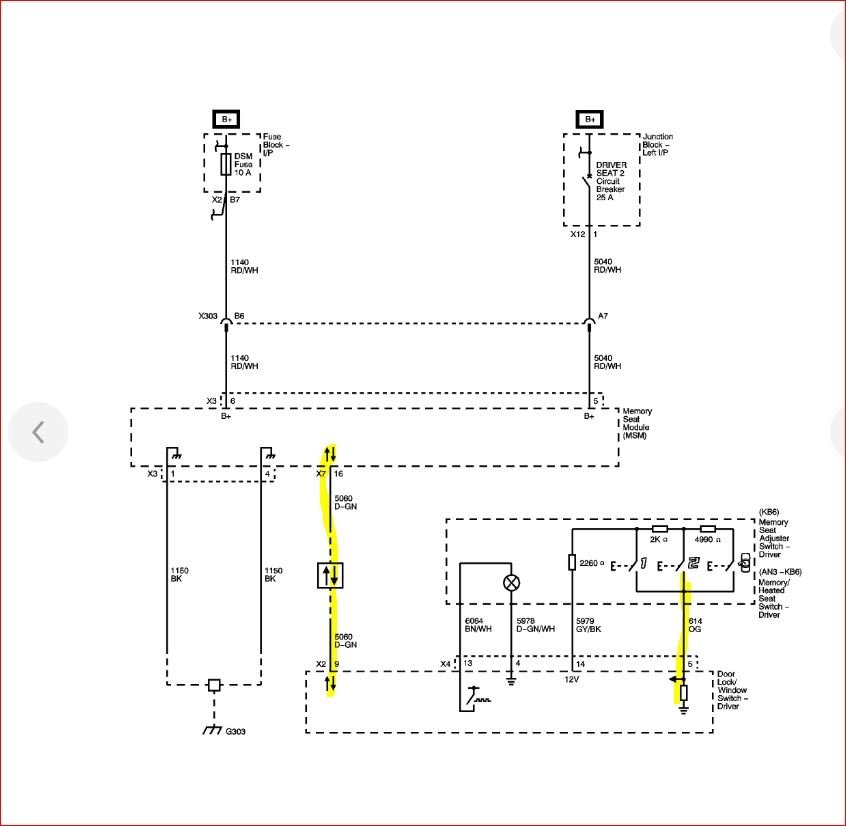
I am having a hard time seeing where you tested for voltage but what you want to see is if there is voltage on the Green wire at the location that I highlighted in yellow. It it pin 2 at the 7 wire connector that is plugged into the ventilation module on the driver side floor. I traced the power voltage in red that it takes when you press the button for cooled seats for the seat and seat back.

If you have voltage here then you may be correct that the blower or heating and cooling ventilation module, is the issue. If you don't then the Climate Control Seat Module is your issue. The part number that you gave me for what they put in says that it is the heat/cool ventilation module for the passenger side. .

With all these parts being some sort of seat module the names are getting confusing.

However, it appears these ventilation modules are well known for melting so they say to replace them and the wiring harness if you find any connectors melted. It won't be the entire connector, just the plastic inside where the wires terminals are, will look distorted.

Let me know the part number of the module you plugged in and what the voltage is on this wire and we can go from there.
Was this
answer
helpful?
Yes
No
Tuesday, April 30th, 2019 AT 3:41 PM
Tiny
RAY R SANTOS
  • MEMBER
  • 4 POSTS
First off, let me apologize for the confusion and I really appreciate your patience in helping me and guiding me using your expertise. I myself is getting stumped with the issue due to the time I have already spent dealing with it and still have not found a resolve.
Let me back track a little bit from where the problem started that led to another.

First photo: memory seat module (PN 20870473 superseded by PN 25862041).
I had the memory seat control module replaced due to lost of driver seat adjust, pedal and steering memories, and lost on both driver and passenger seats heating and cooling.
I didn’t realize that after the seat module was replaced, there was still a problem with the driver seat heating and cooling.
I took the vehicle back in to the dealership for further troubleshooting.

Second photo: seat heat-cool module or CCSM (PN 15232555).
They have determined that the heat-cool control module CCSM under passenger is also bad. Dealership reiterated the same module controls the driver seat heat-cool as well. It does somehow make sense to me, because when I turn on the driver seat heat-cool button, the module kicks on but kicks off after a few seconds. That prompted me to believe that something is shorted out within the driver seat circuit. So, I went ahead and replaced the CCSM (shown on actual photo), but to no avail.
I have not checked the voltages on the 7 pin connector that you have mentioned.
Hopefully I find time this weekend so I can go a little in-depth with the troubleshooting. I will let you know as soon as I discover anything.
Was this
answer
helpful?
Yes
No
Tuesday, April 30th, 2019 AT 10:18 PM
Tiny
KASEKENNY
  • MECHANIC
  • 18,907 POSTS
Ok. That helps. I am more confident that you will find voltage at that Pin 2 of that connector which will point to that ventilation module.

Keep me posted. I am interested to see how it turns out. Thanks
Was this
answer
helpful?
Yes
No
Wednesday, May 1st, 2019 AT 5:15 PM

Please login or register to post a reply.