Sunday, February 15th, 2026 AT 12:42 PM
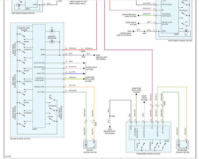
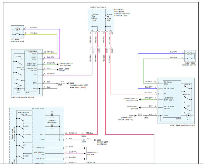
Driver door window control has stopped opening driver window, and all other windows, driver door sensor shows driver door always open, drivers door exterior button lock and unlock function is intermittent

