Saturday, June 13th, 2020 AT 1:27 PM
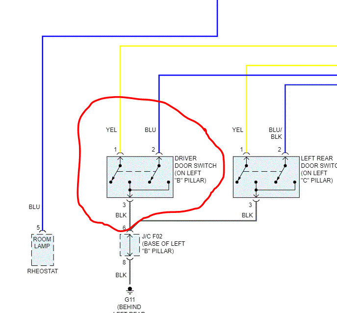
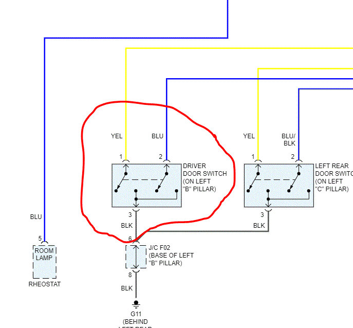
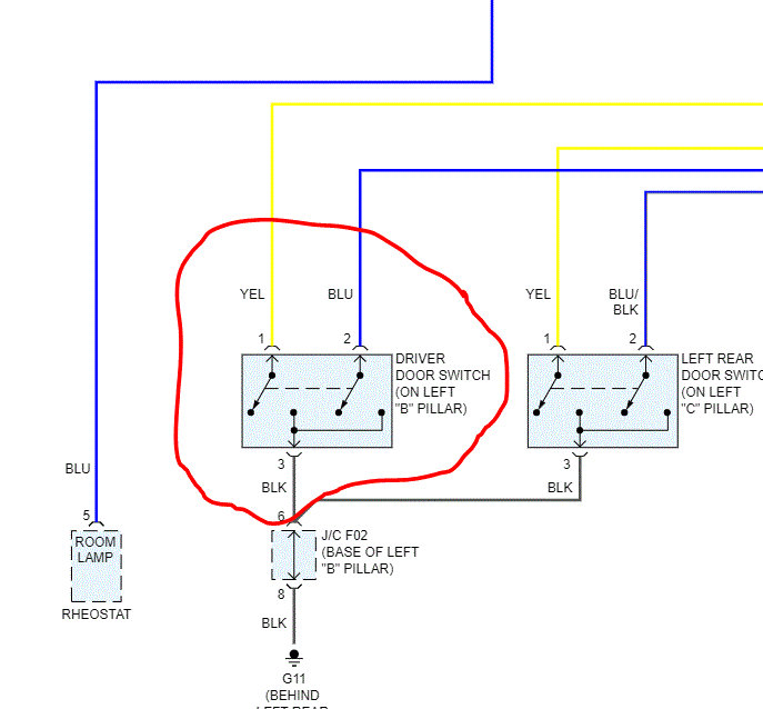
When making right turns or coming to a quick stop my open door alarm goes on. Also my interior lights come on. I should’ve said anytime I go right even in a curve on the highway this happens not just right turns. Doors are all closed tight. Also if I push on my drivers door while in car, I can get that alarm to sound. Door will not pop open unless I use the door handle to get out. So I am not worried at all about door opening up by itself. But I have been keeping it locked while I’m driving.



