Door locks gets stuck halfway and auto relocks?

Tiny
CAMERONWELCH95
  • MEMBER
  • 2005 HONDA ACCORD
  • 2.4L
  • 4 CYL
  • 2WD
  • AUTOMATIC
  • 225,000 MILES
I am having issues getting my driver door to unlock, you can hear and see that the lock is trying to work but it gets stuck halfway and auto relocks. I cannot open the door using the key either because there is resistance to the lock and you cannot force the lock to go any further.
Friday, September 20th, 2024 AT 6:41 AM

1 Reply

Tiny
KEN L
  • MASTER CERTIFIED MECHANIC
  • 55,064 POSTS
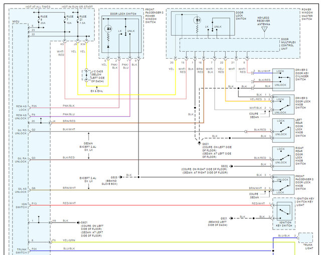
It is probably the door lock module inside the master window switch or the MICU but I think we should disconnect the drivers door outside lock switch and lock knob switch first. You will need to remove the door panel. Here is how in the diagrams below, if that does not make a difference we need to do a CAN scan, you can get a CAN scanner (Controller Area Network) which will work on most cars from Amazon here is a video to show you how.

https://youtu.be/u-4syLc-ifQ

Any of the door lock knob switches can be causing this. Here is the door lock wiring diagrams as well to help you understand how the system works. Check out the images (below). Please upload pictures or videos in your response of any problems so we can see what to help you with.
Was this
answer
helpful?
Yes
No
Friday, September 20th, 2024 AT 11:37 AM

Please login or register to post a reply.