Tuesday, October 16th, 2018 AT 4:08 AM
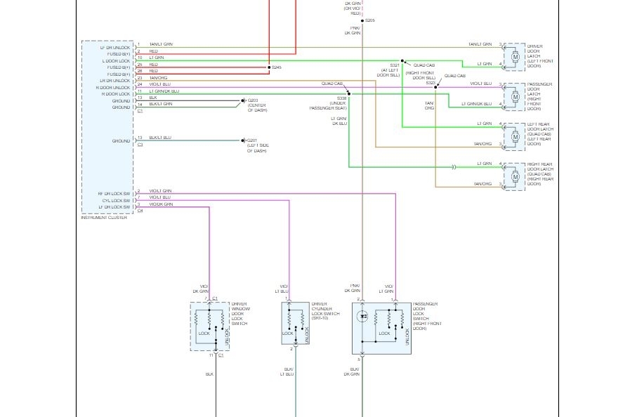
Could someone give me some insight on where to start with an issue with my door locks please? The doors will not lock or unlock anymore with the lock switch. I have replaced the master lock switch on the driver's side door but that did not help. I do not know if the is a relay or a fuse for these switches. The last time I checked I still was getting power to the switches. Thanks.


