Saturday, September 21st, 2024 AT 9:47 AM
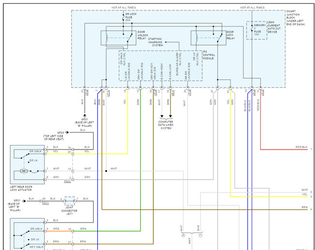
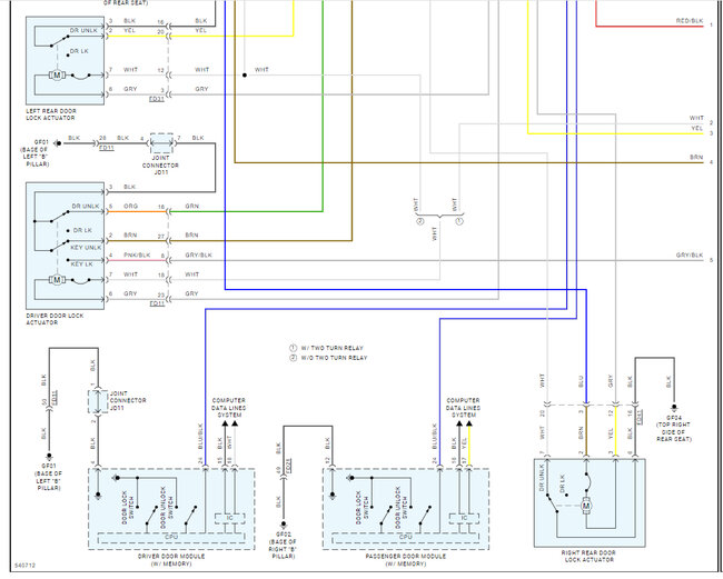
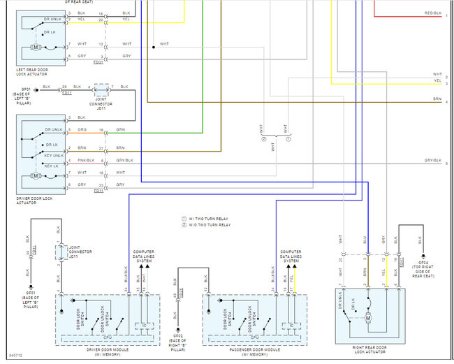
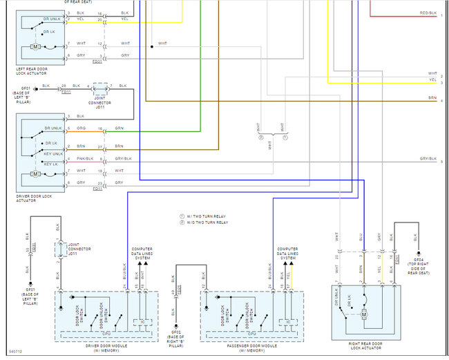
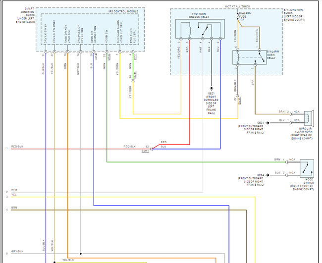
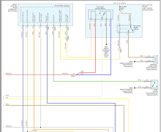
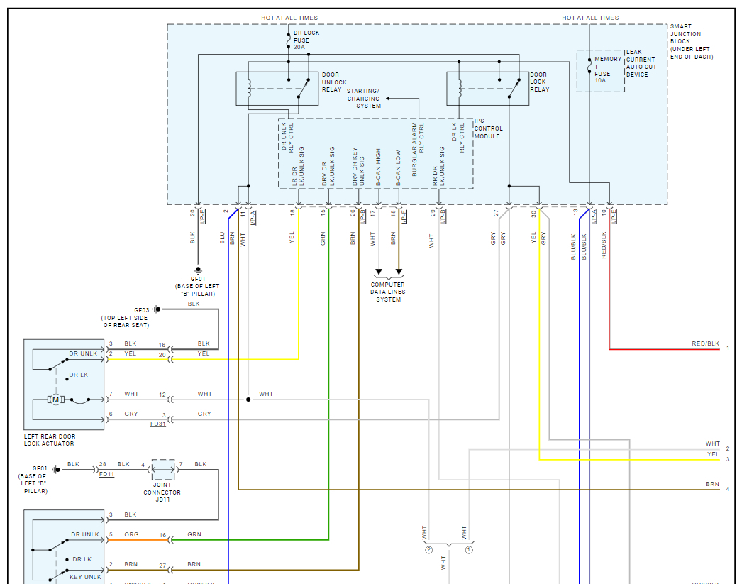
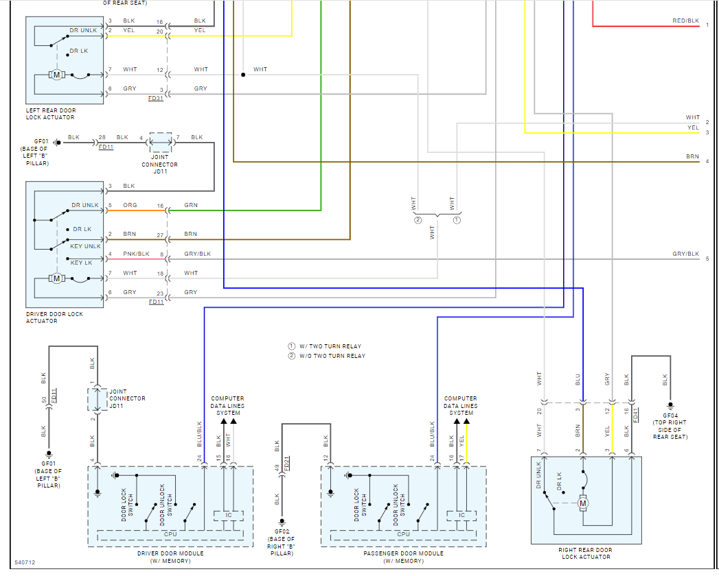
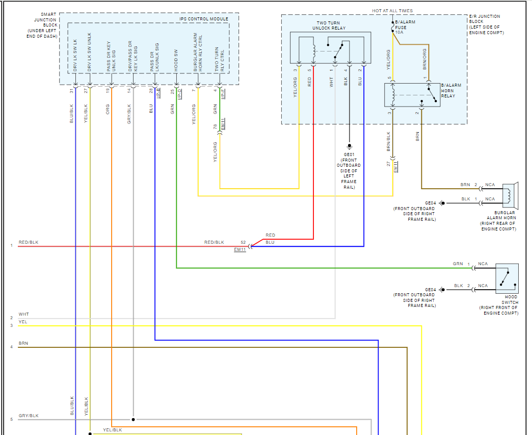
The remote door lock will not lock doors. Will open doors and trunk. Already replaced the driver's side actuator. Hyundai diagnosed that the master switch shorted out. Can I repair myself since they want $1,000 to repair?










