Tuesday, May 30th, 2023 AT 1:50 AM
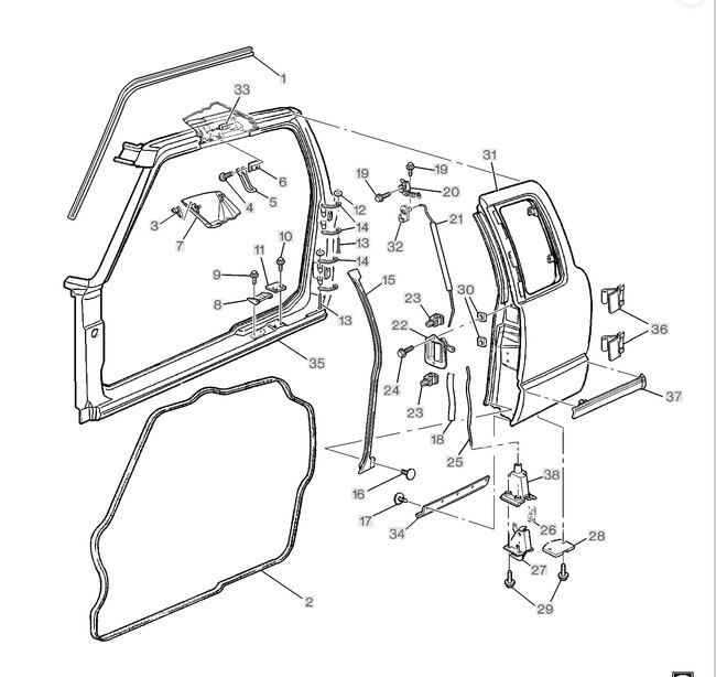
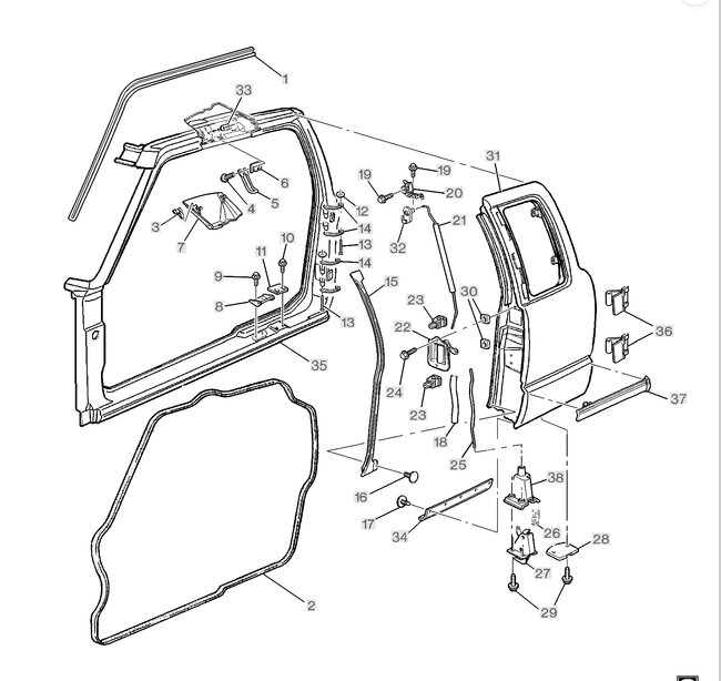
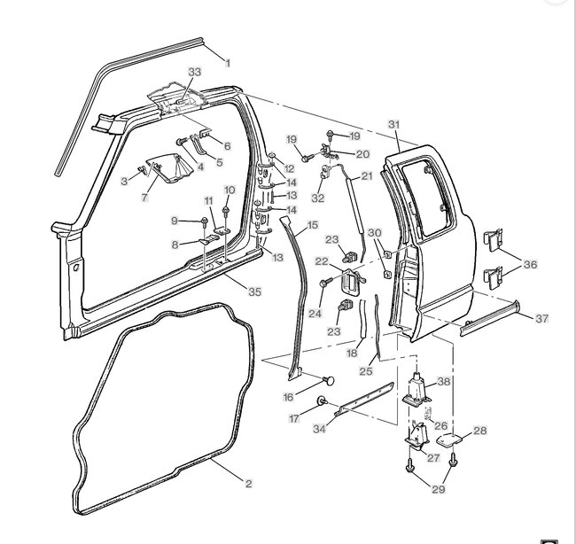
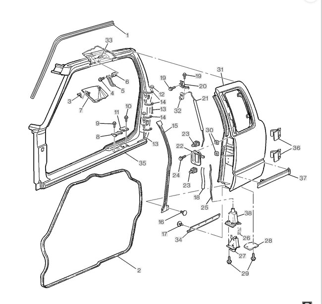
I have the vehicle listed above LS model. I took off driver door and third door off to replace the rocker panel now I am putting it back together now I am having a hard time to get the bushings for the third door. Does anybody know where to get them?





