Sunday, August 27th, 2023 AT 6:45 AM
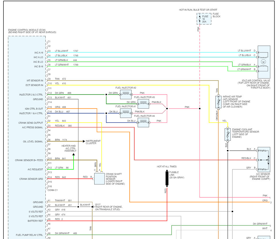
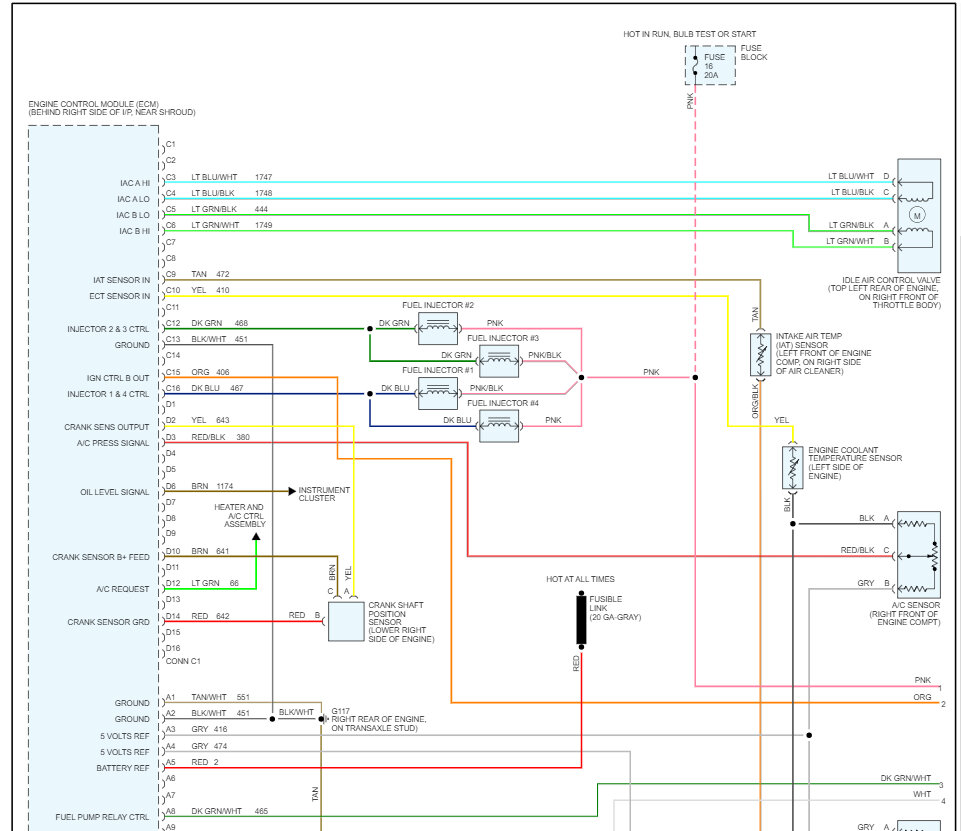
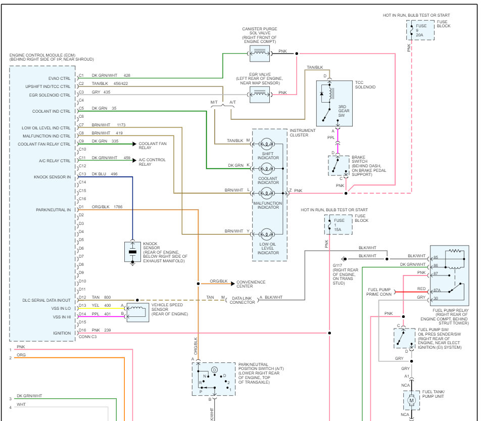
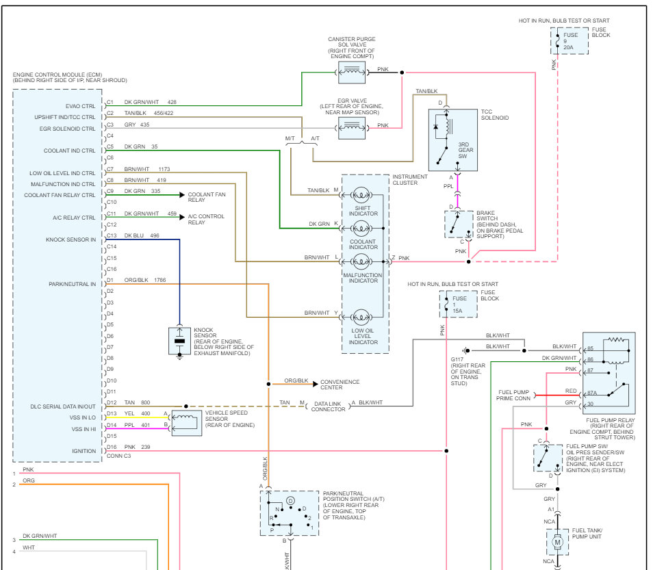
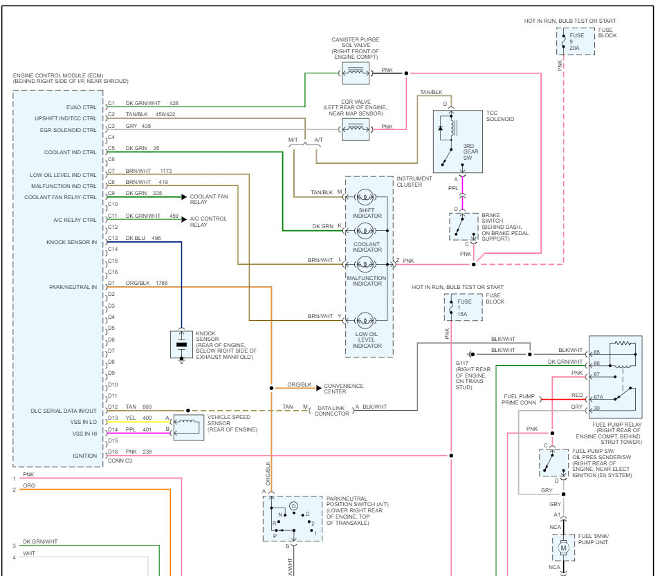
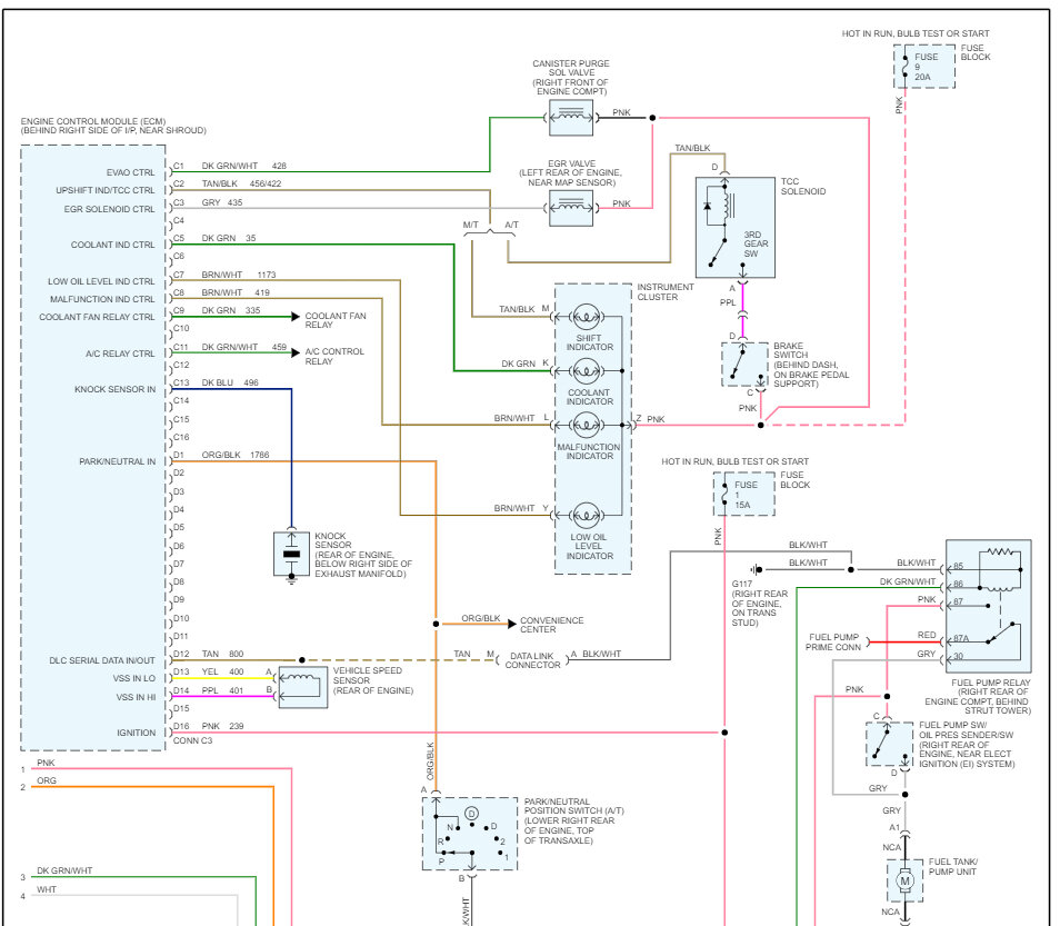
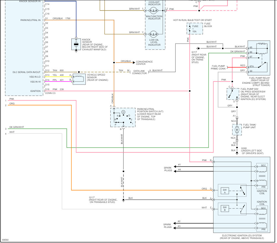
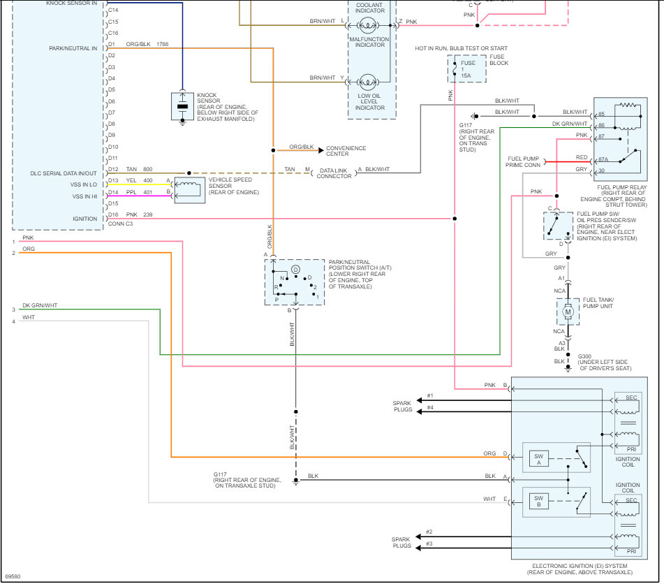
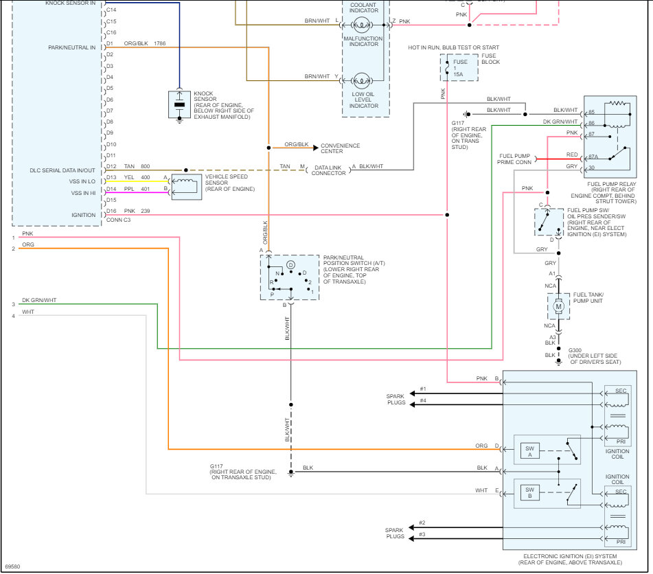
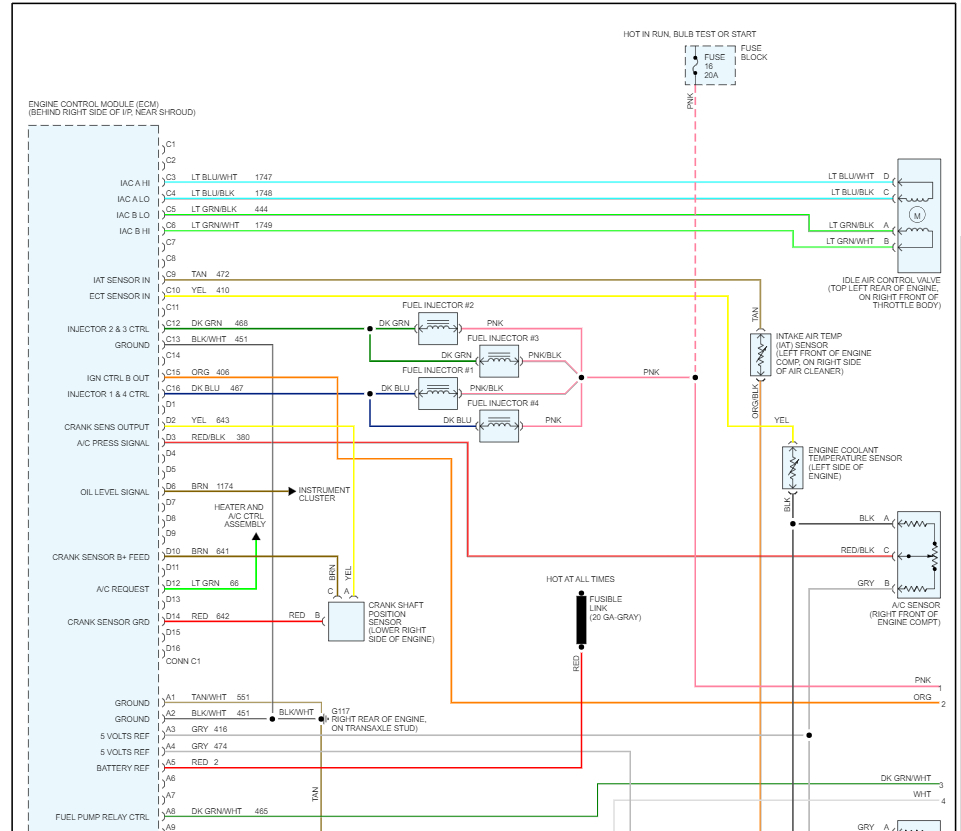
Okay, driving it acted like it lost five cylinders and shut off. I got it home figured it was getting fuel so I replaced the fuel pump I hooked it up after replacing it primed I guess that's what it did turn the key over no fuel getting to the rail I figured it primed so it's getting power. I've tried jumping the relay but I'm not sure if I'm doing the right relay not marked and there's like 4 right together I don't know color of the wires to figure it out. Every time I think I'm looking at the wiring diagram it's not for my car. So, I have no clue right or wrong. I'm really confused because I've been without a car for two months. Help please if you have ideas, please treat me like a kindergartener I would like pictures of the wires I can make since of if that's what you want me to do. I'm an older type of shade tree mechanic. It needs a carburetor, distributor and fuel pump in the side of motor. I could do that. Thanks for any assistance I feel really stupid on this one. No, my fuse is good. Only one it says for fuel no fuse box under the hood thanks again.






