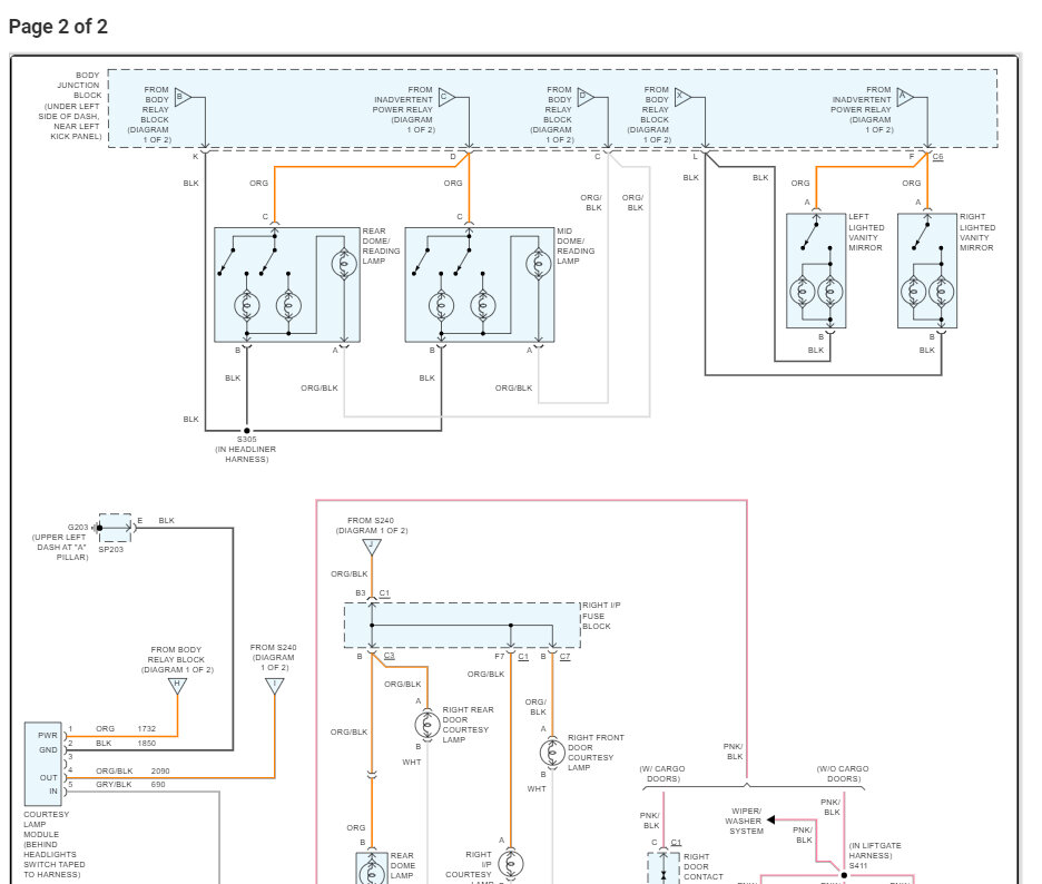
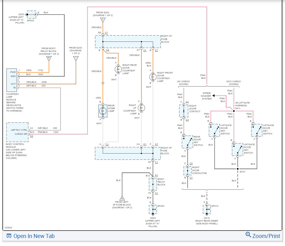
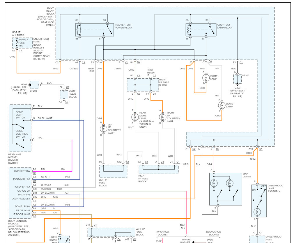
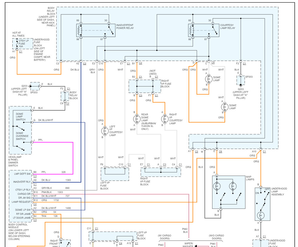
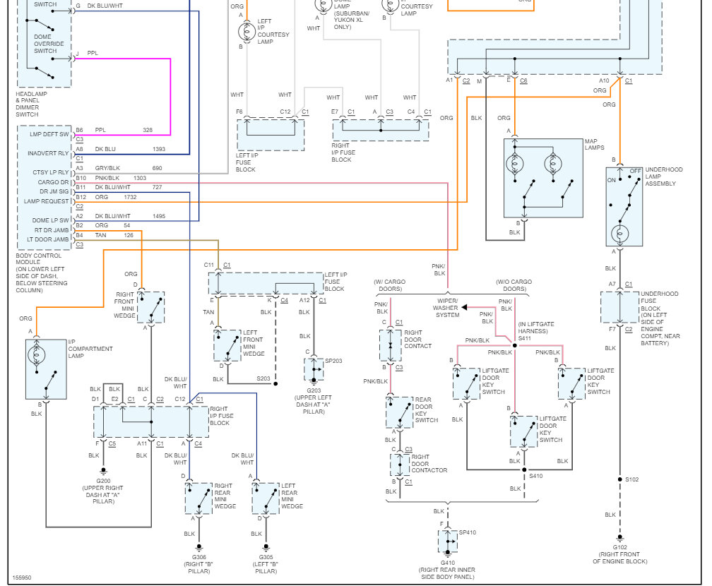
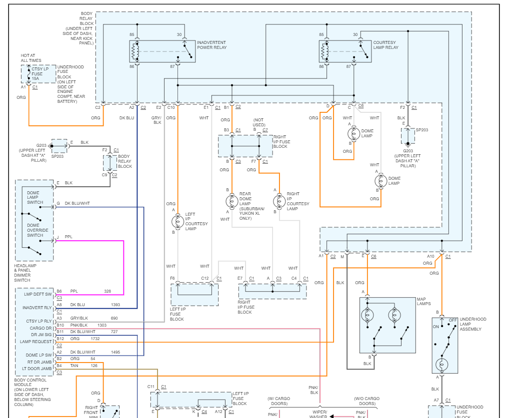
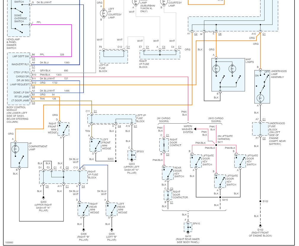
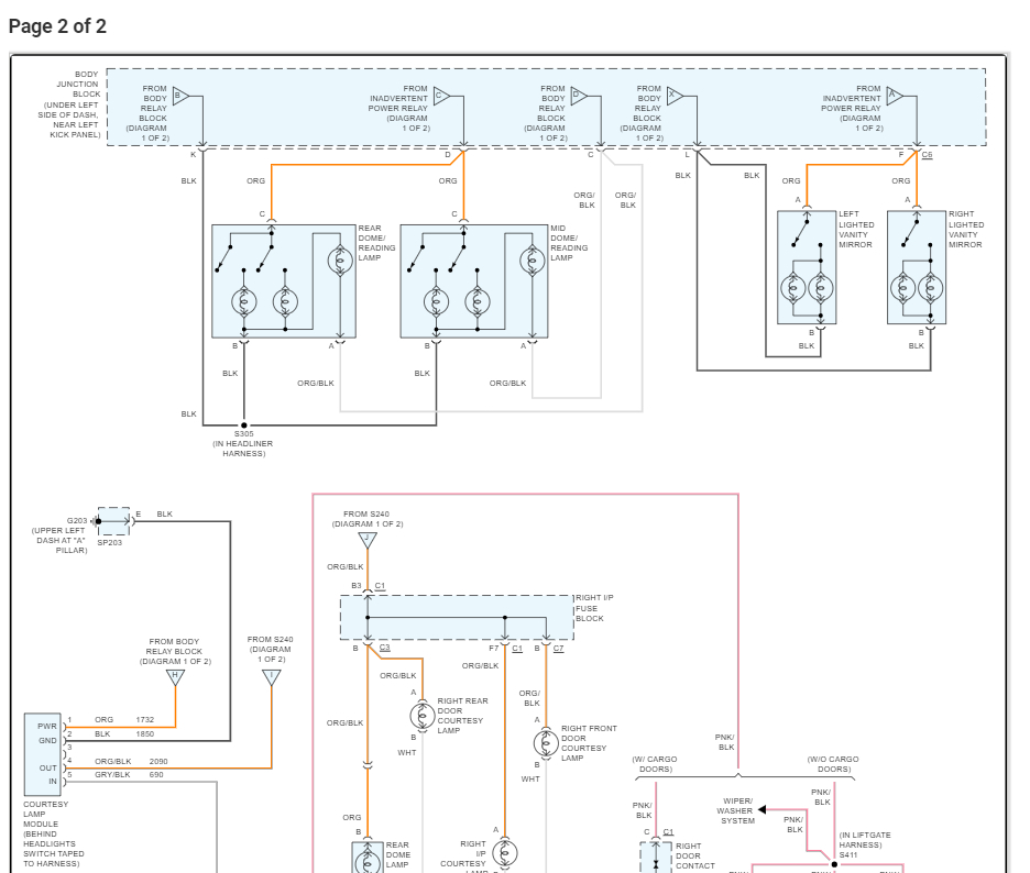
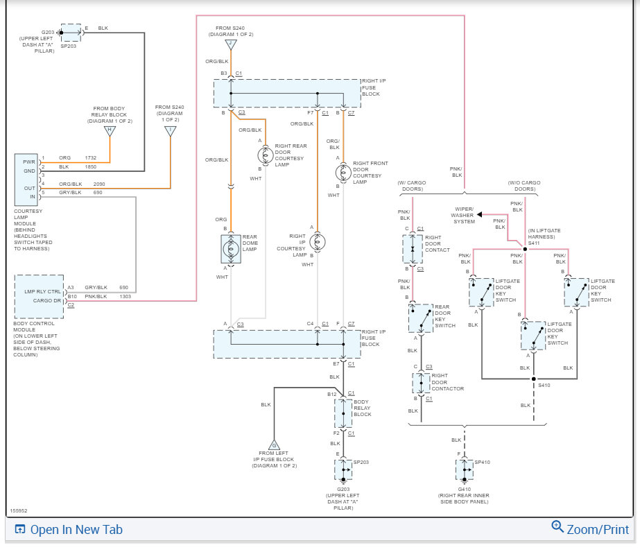
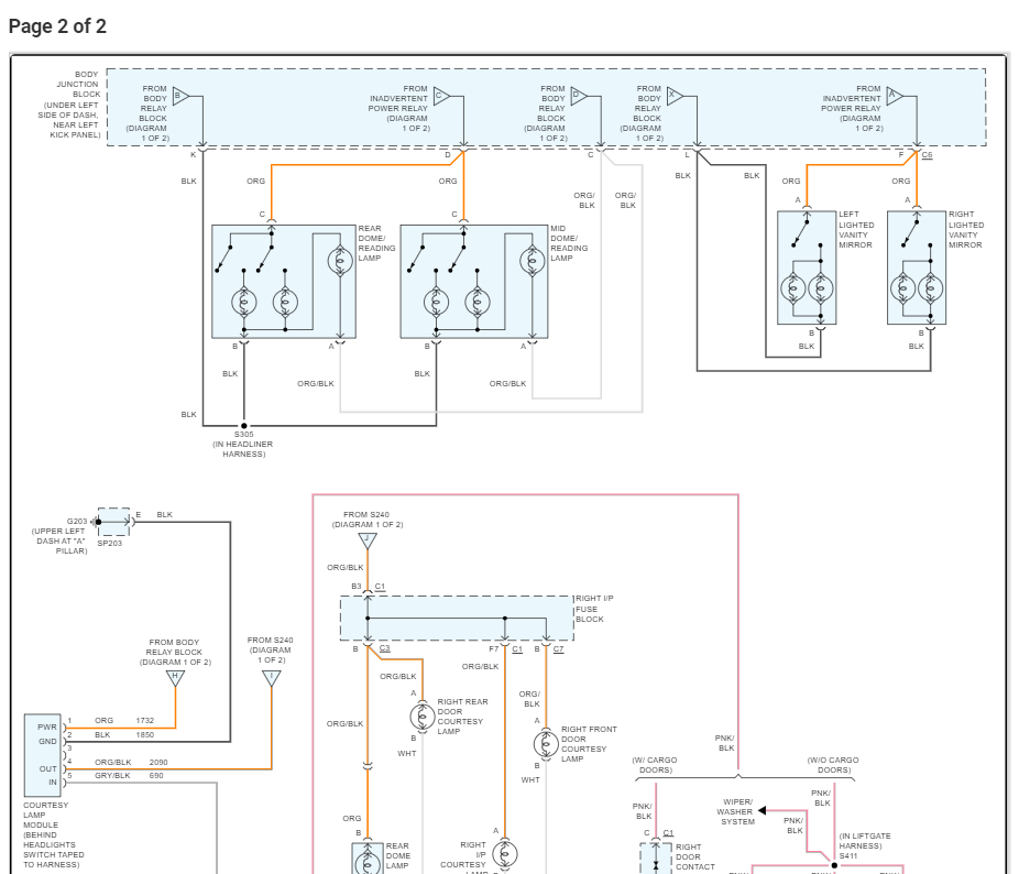
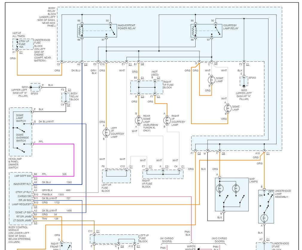
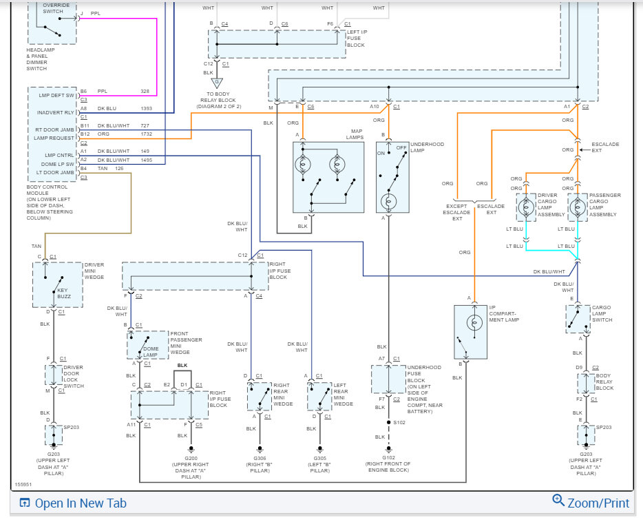
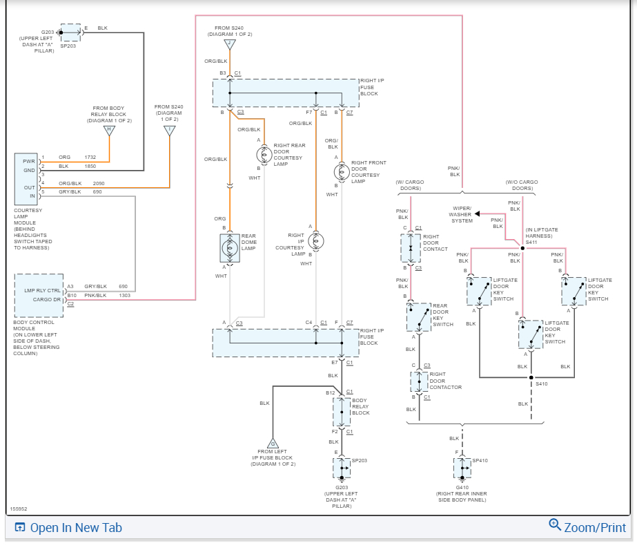
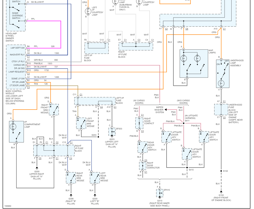
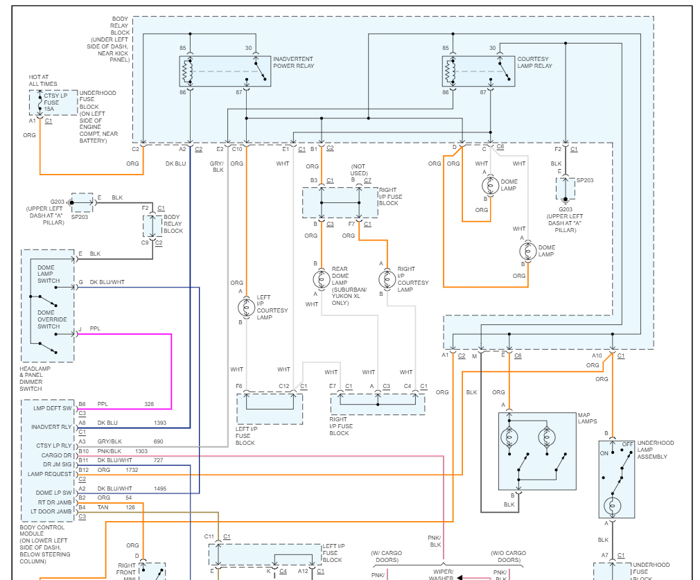
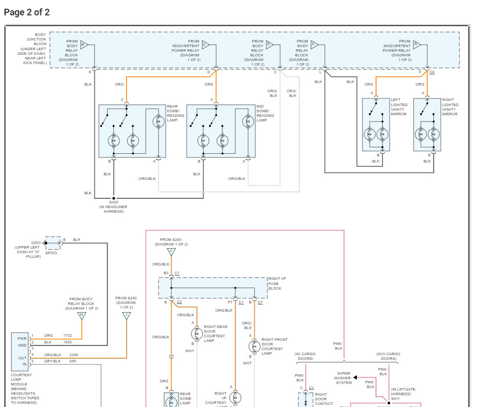
Tuesday, August 29th, 2023 AT 2:36 AM
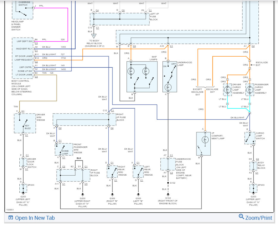
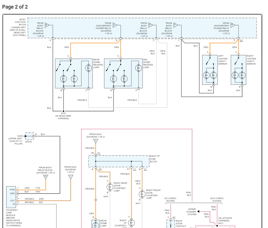
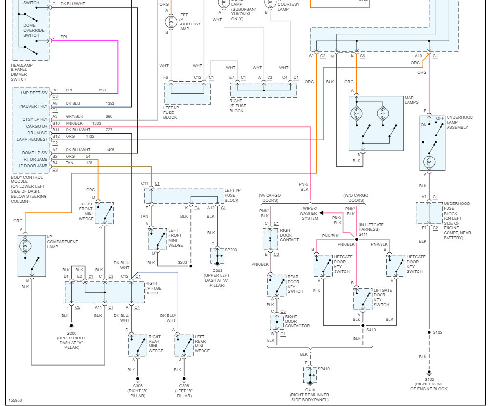
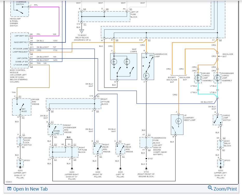
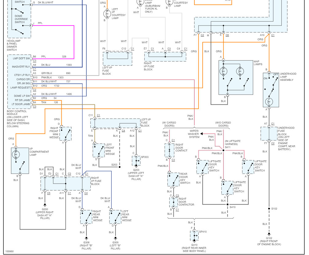
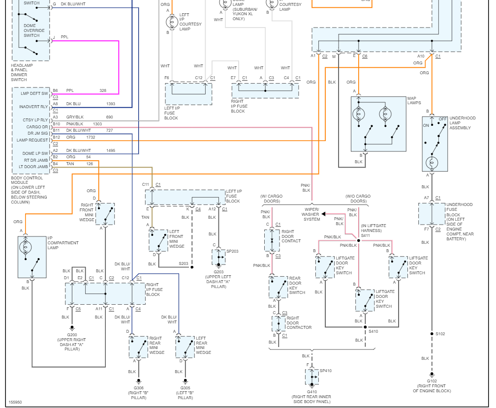
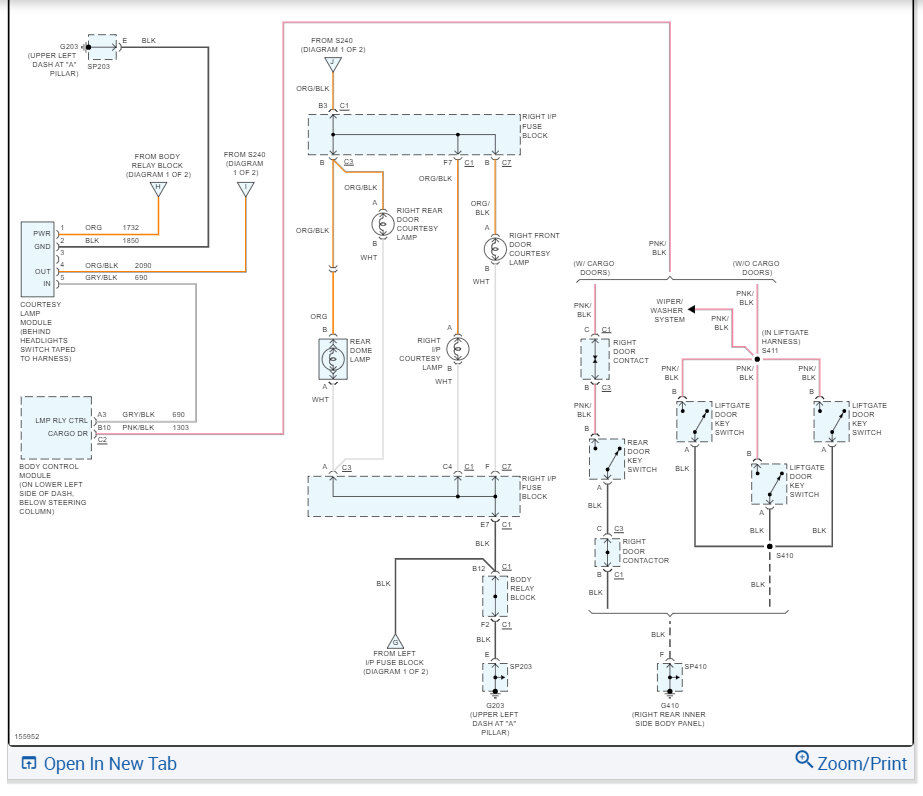
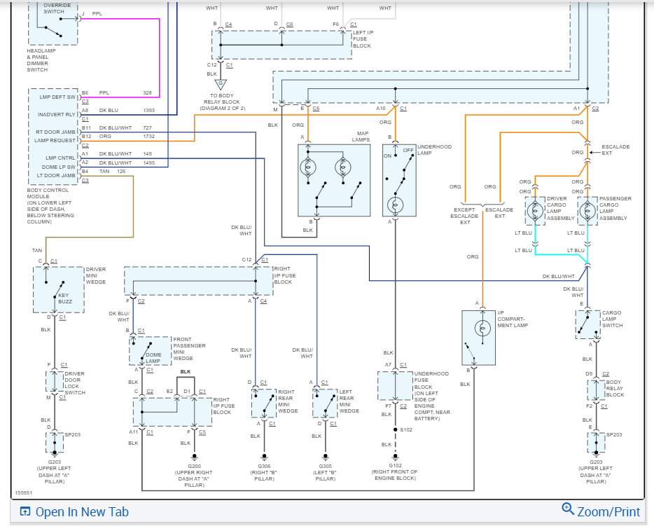
Got in my truck, opened doors and no dome lights came on. Checked the dome override switch and they still didn’t work. I tried pushing the map light buttons and they do not work either. Same issue for Borge front and middle map lights/domes.










