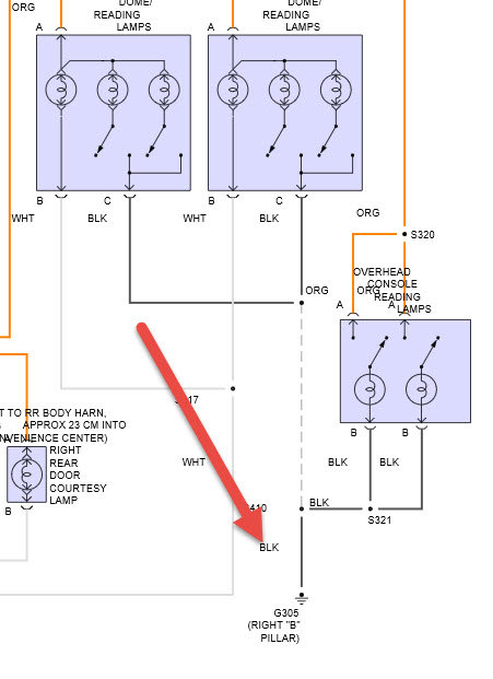
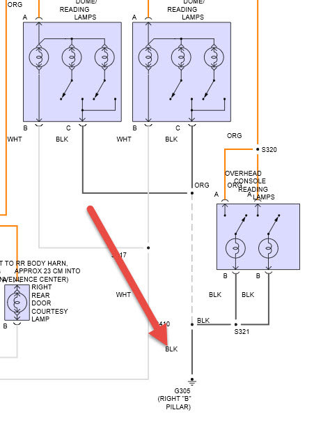
Tuesday, February 2nd, 2016 AT 9:17 AM
Does anyone know what color the ground wire is on my Escalade? Everytime I turn it on my driver side taillight stops working. If anyone knows I would be grateful


