Thursday, August 29th, 2024 AT 6:58 PM
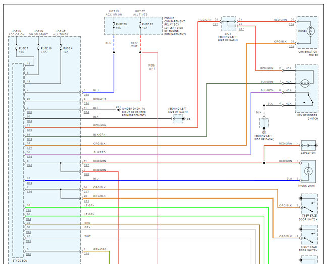
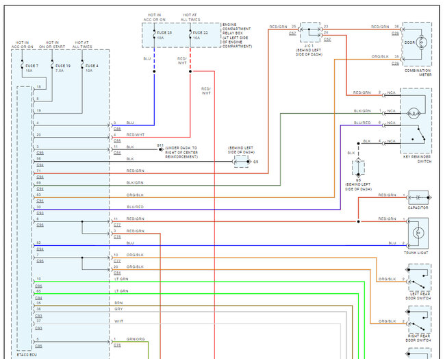
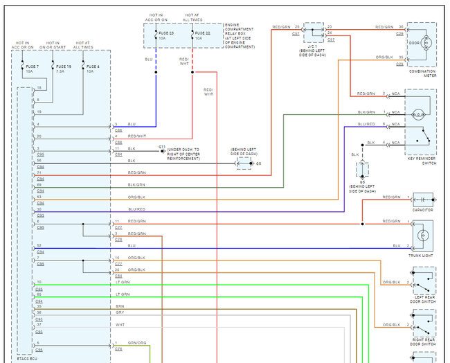
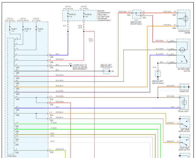
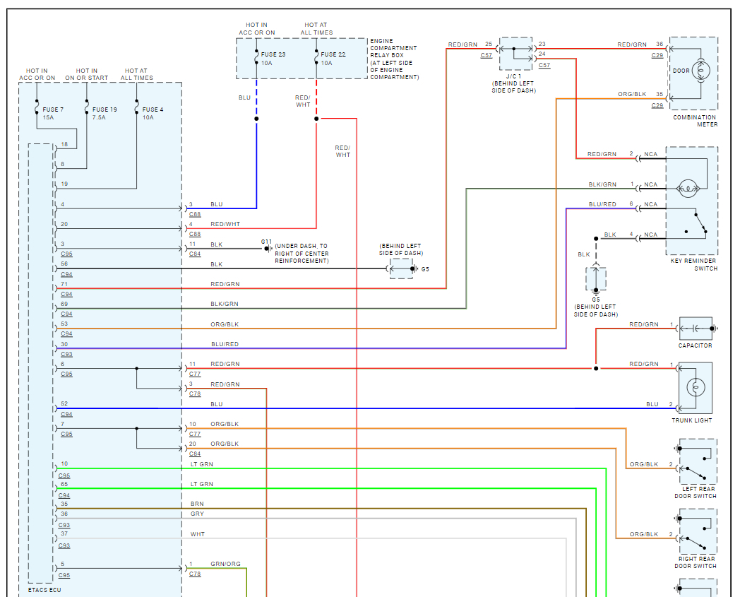
The dome light doesn't turn off like the switch doesn't work and is definitely draining the battery what needs to be replaced to fix the issue.


