Dome light or sunroof diagram needed?

Tiny
JOEPONTIAC
  • MEMBER
  • 2012 MAZDA 3
  • 2.0L
  • 4 CYL
  • 2WD
  • MANUAL
  • 278,000 MILES
Hi,

I want to install autodimming mirror.
So, I need a wiring diagram for dome light or sunroof.
Thanks
Saturday, June 15th, 2024 AT 6:03 PM

5 Replies

Tiny
JACOBANDNICKOLAS
  • MECHANIC
  • 110,194 POSTS
Hi,

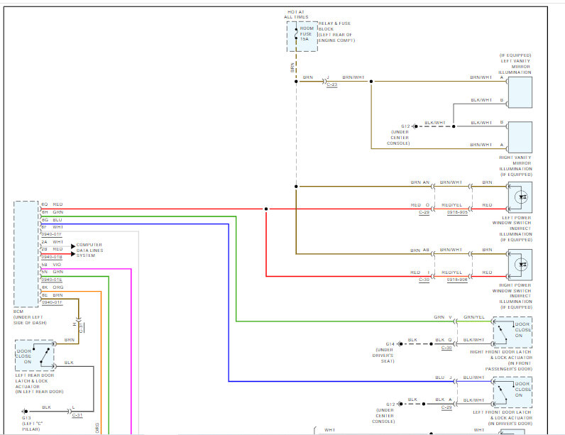
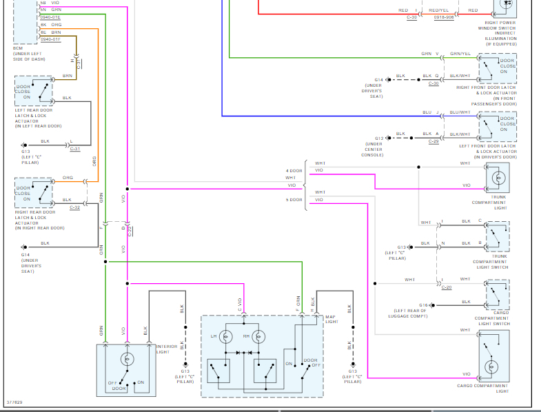
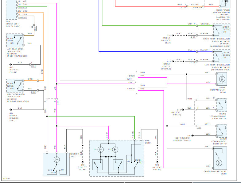
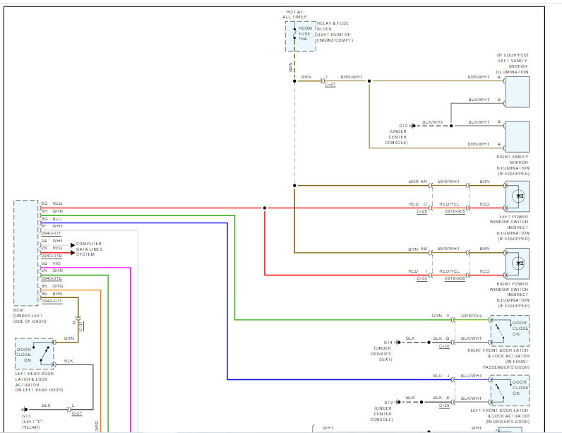
I attached the wiring schematic for the interior courtesy light circuit. Let me know if this is what you wanted.

Also, I had to cut the pic in half to make it readable. I did overlap the two so you can follow from one to the next.

Let me know if this helps.

Take care,

joe

See pics below.
Was this
answer
helpful?
Yes
No
Saturday, June 15th, 2024 AT 6:48 PM
Tiny
JOEPONTIAC
  • MEMBER
  • 13 POSTS
Thank you
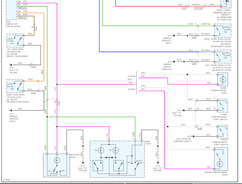
Do you also have for sunroof window?
Was this
answer
helpful?
Yes
No
Saturday, June 15th, 2024 AT 7:20 PM
Tiny
JACOBANDNICKOLAS
  • MECHANIC
  • 110,194 POSTS
Hi,

Yes, I do. I should have attached both. Sorry about that. Take a look at the pic below and let me know if that is what you need.

Take care,

Joe

See pic below.
Was this
answer
helpful?
Yes
No
Saturday, June 15th, 2024 AT 9:08 PM
Tiny
JOEPONTIAC
  • MEMBER
  • 13 POSTS
Thank you very much.
Was this
answer
helpful?
Yes
No
Sunday, June 16th, 2024 AT 6:10 PM
Tiny
JACOBANDNICKOLAS
  • MECHANIC
  • 110,194 POSTS
Hi,

No problem whatsoever. Feel free to come back anytime in the future.

Take care,

Joe
Was this
answer
helpful?
Yes
No
Sunday, June 16th, 2024 AT 7:28 PM

Please login or register to post a reply.