Dome light wiring diagram needed

Tiny
ERIC MERCHANT
  • MEMBER
  • 2008 FORD FUSION
  • 3.0L
  • V6
  • 2WD
  • AUTOMATIC
  • 227,248 MILES
I need a wiring diagram and location of the wires for the dome light.
Monday, November 30th, 2020 AT 4:39 PM

3 Replies

Tiny
DANNY L
  • MECHANIC
  • 5,648 POSTS
Hello, I'm Danny.

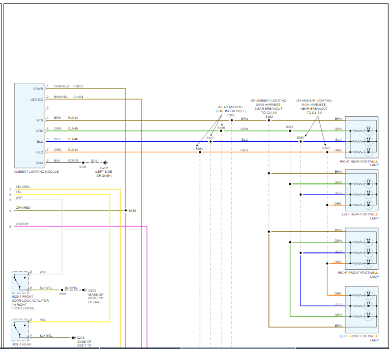
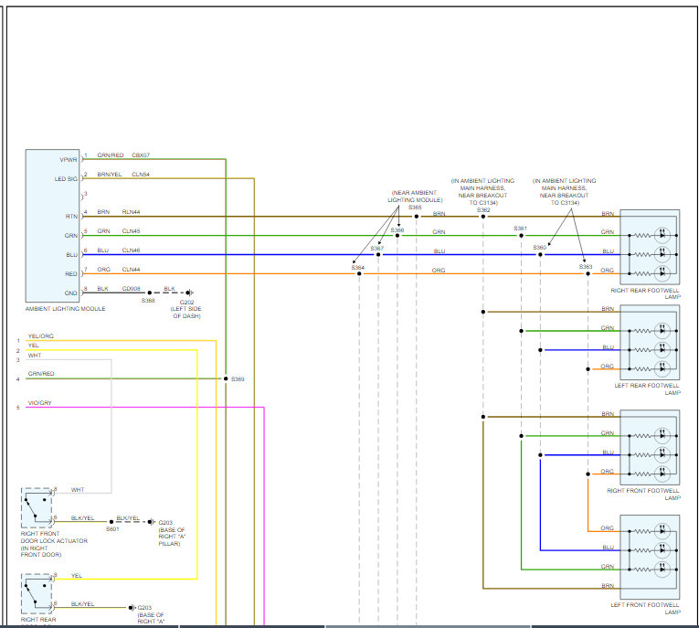
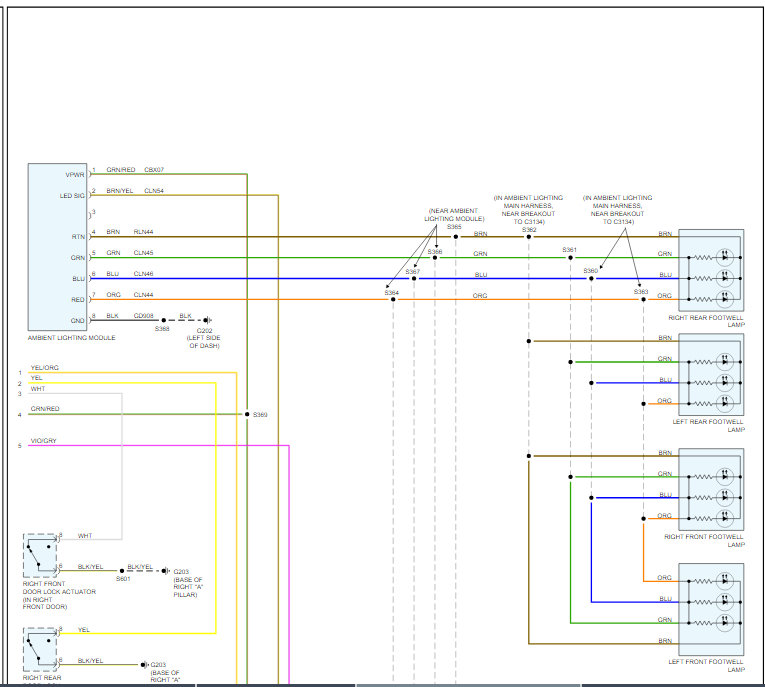
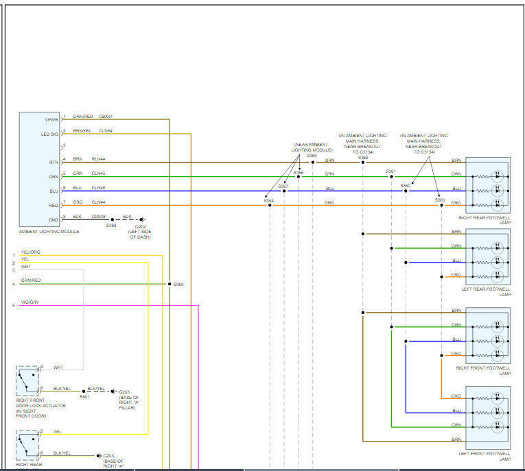
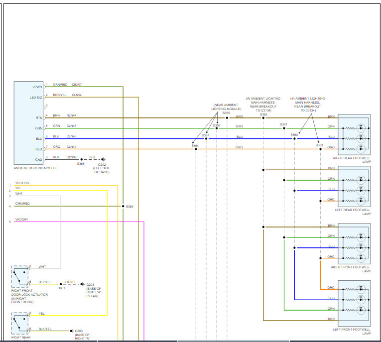
Here is the wiring diagram you've requested. I've cut both pictures in half so you can view larger. I've circled the dome light in red. Hope this helps and thanks for using 2CarPros.
Was this
answer
helpful?
Yes
No
Monday, November 30th, 2020 AT 7:46 PM
Tiny
ERIC MERCHANT
  • MEMBER
  • 2 POSTS
Thank you so much it was perfect.
Was this
answer
helpful?
Yes
No
Monday, December 7th, 2020 AT 12:44 AM
Tiny
DANNY L
  • MECHANIC
  • 5,648 POSTS
You're welcome!

I'm hoping you were able to get the issue fixed. Let us know if you have any further questions if you weren't able to fix this problem. Thank you again for using 2CarPros and hope you will use our site again in the future.

Danny-
Was this
answer
helpful?
Yes
No
Monday, December 7th, 2020 AT 12:54 AM

Please login or register to post a reply.