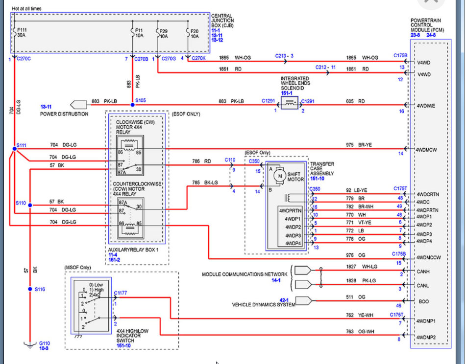
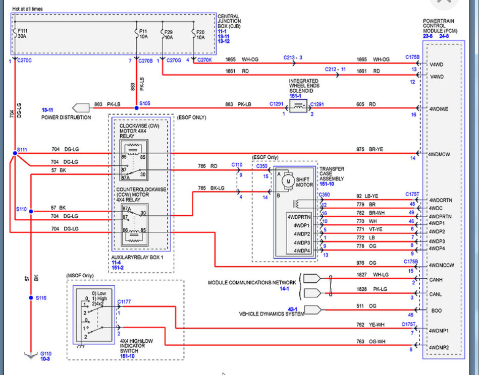
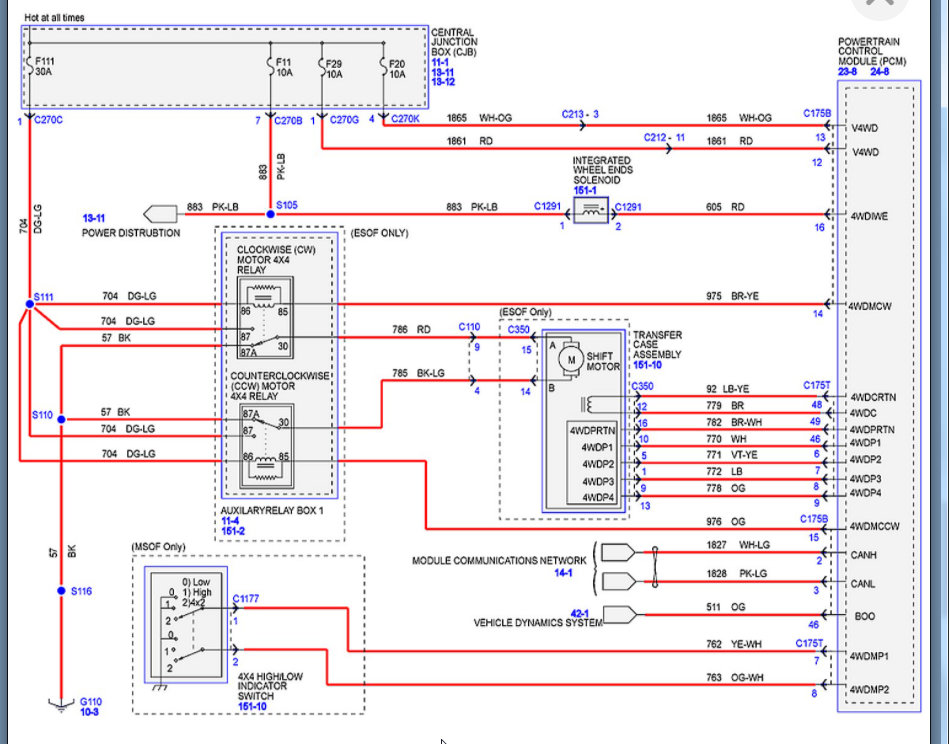
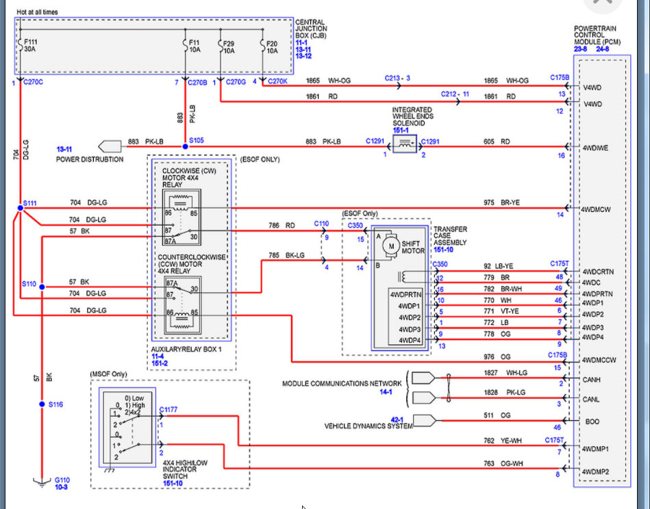
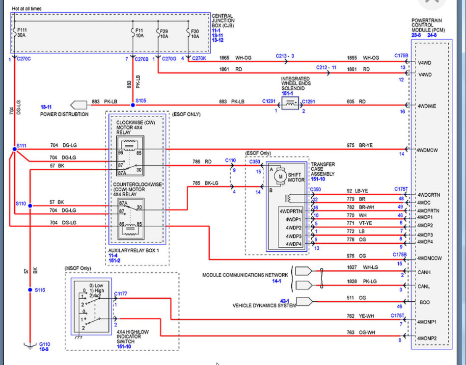
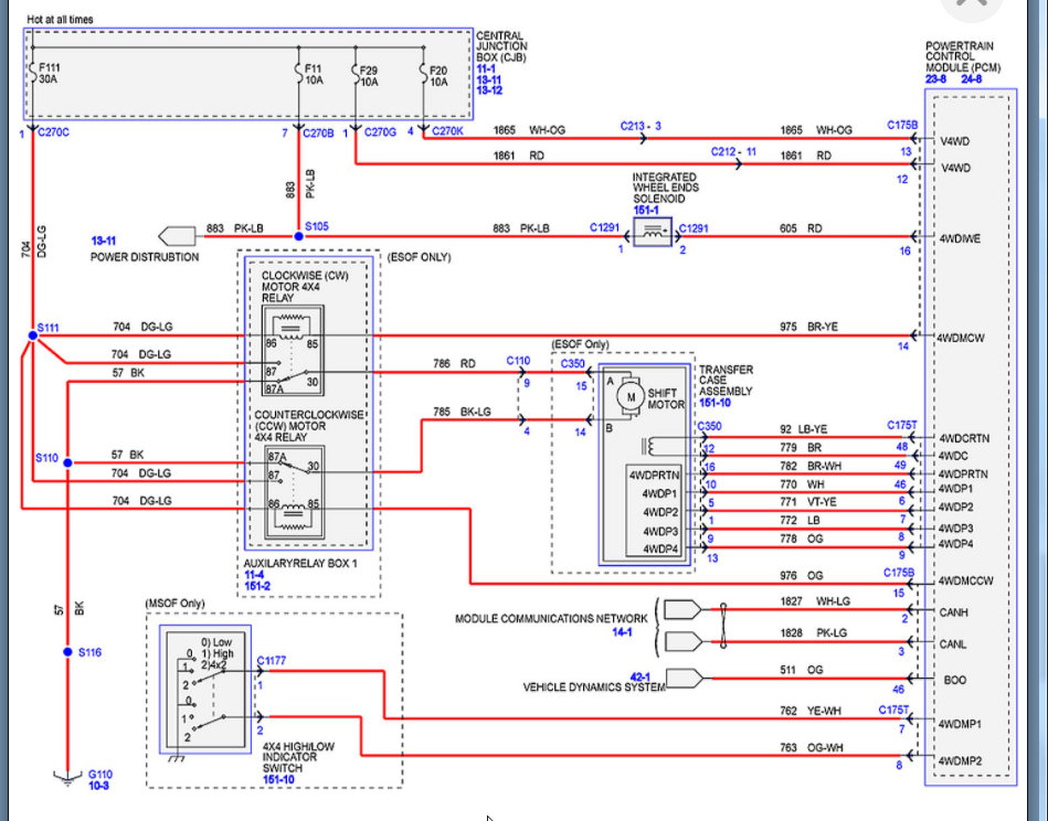
The 4 wheel drive high and low lights come on when I turn on the key then go right back off, which is normal. However, after starting it and I turn the dial to put it into either high or low 4 wheel drive neither light comes on and it most definitely does not go into 4 wheel drive. I found out the hard way and got stuck. That is when I noticed the dash lights did not come on. The rear wheels spin but the front do not at all.
Thanks in advance.
Thanks in advance.
Mar 6, 2021 at 3:58 PM

