Friday, March 21st, 2008 AT 12:43 AM
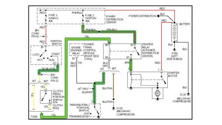
Ok when the truck is in park and the battery is disconnected.I hook the battery up with it in park and the key out of the ignition the truck starts to crank on its on and while its in park it starts to wine when I turn the key on for it to get fire so it starts. Then it when in park and neutral and when I put it in drive while it runiing the starts kicks on and off. So I put a new starter in it and it has the silonod built on to the stater so what do you think it could be I never seen any thing like it.



