
Welcome to the forum, does the fuse blow as soon as you plug it in, or only when you try to honk?
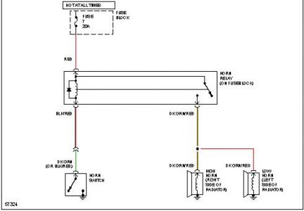
You can unplug horn relay in fusebox, unplug relay, use jumper wire on switch side of relay, see if horn will honk without blowing the fuse? You see the arm on the right side of relay, when the relay is energized, that arm swings to the dark green wire with red tracer.
Friday, November 6th, 2009 AT 9:21 AM