Monday, June 4th, 2007 AT 10:33 PM
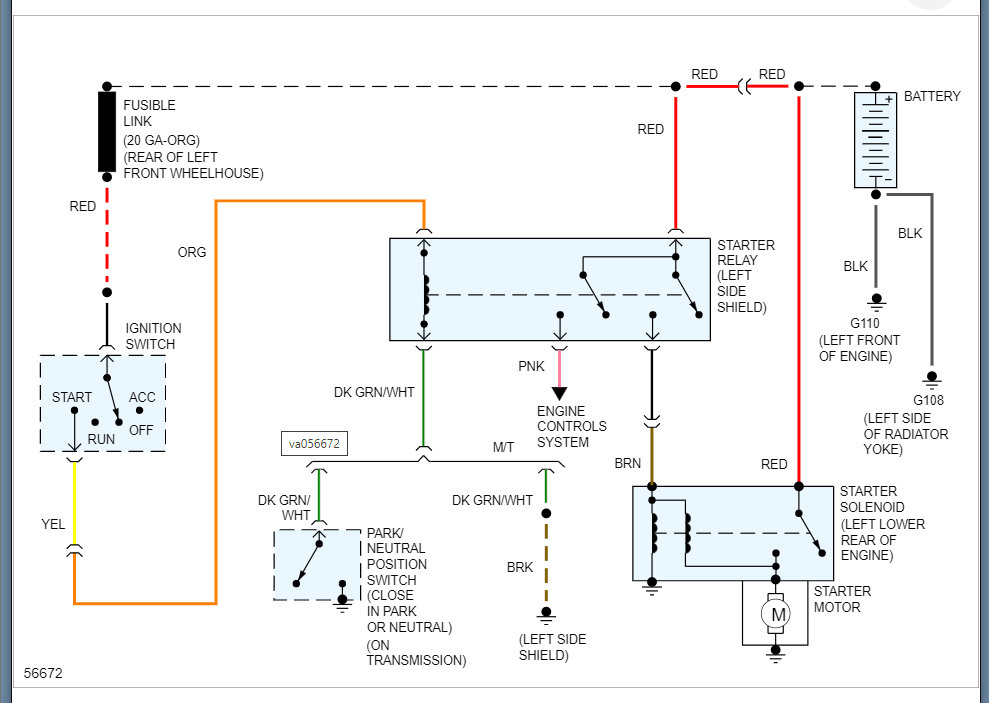
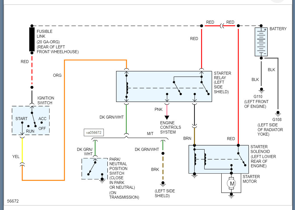
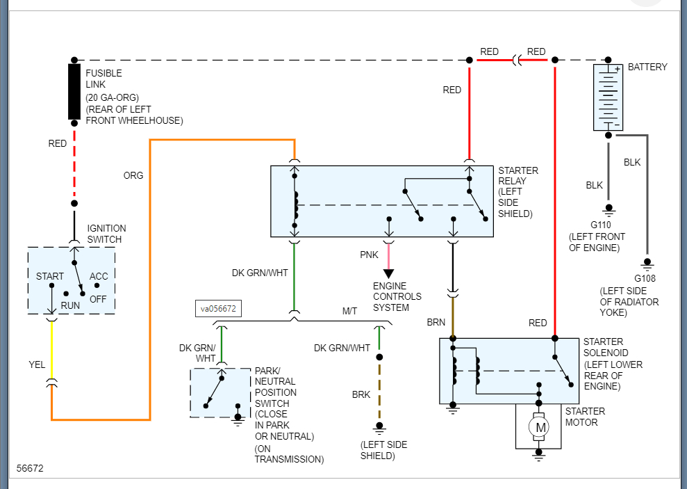
I recently brought my 77 dodge truck to be fixed and the mechanic replaced the relay, ignition module, and park neutral switch. And again 2 months later nothing worked electrical. I tested the battery and its good, and I got the engine to crank but connecting the batter directly to the starter and solenoid. But I have no idea why the cab doesn't have any power. The wires are good.

