Horn switch

Tiny
MIKE 9701
  • MEMBER
  • 2004 DODGE RAM
  • 6 CYL
  • 4WD
  • AUTOMATIC
  • 53,000 MILES
How do you diagnose bad horn switch?
Monday, September 27th, 2010 AT 8:45 PM

1 Reply

Tiny
MADMIKE1735
  • MECHANIC
  • 951 POSTS
The horn switch is in the steering wheel airbag the easiest way is with a test light.... when you press the horn, that is a simple switch... assuming you have airbags, start from the horn, (in the engine bay) and work your way back to the switch....(in the cab) take a test light, and when the horn is pressed (in the cab), it should make the test light glow... (this is a 2 person job) if you have power when you press the horn (in the steering wheel), then check the ground on the actual horn itself.... if both are good, replace the horn.

Here is a guide to help you use the test light.

https://www.2carpros.com/articles/how-to-use-a-test-light-circuit-tester

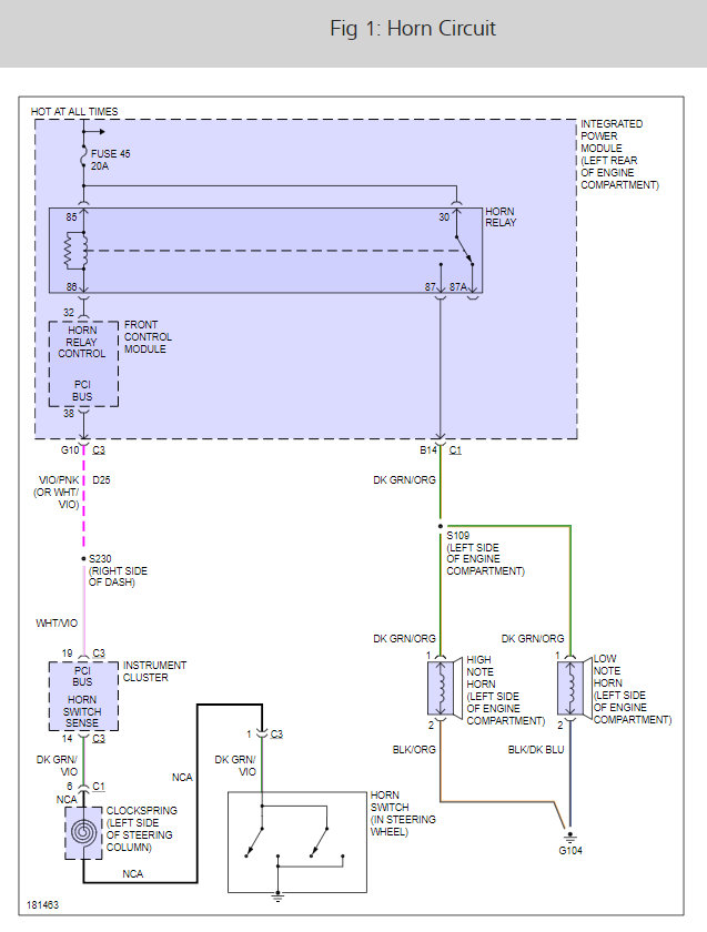
Check out the diagrams (Below). Let us know what happens and please upload pictures or videos of the problem.

Cheers
Was this
answer
helpful?
Yes
No
Monday, September 27th, 2010 AT 8:59 PM

Please login or register to post a reply.