Sunday, January 11th, 2009 AT 6:46 AM
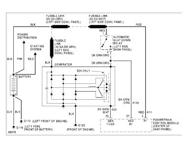
1994 Dodge Ram Van B250 5.2L - Instrument lights (& headlights, if on) will sometimes suddenly become very bright, like voltage is extra high, for 10-30 seconds, then return to normal. Check Engine light usually comes on and stays on. This happens every 5 minutes or so while I'm driving. If I park the van (engine off) for awhile (1hr+), Check Engine light will often be off on startup. Had Check Engine code read at 2 different garages; one time it indicated "charging system malfunction"; another time it said "Overdrive Problem" - I don't have overdrive.

