Help! I have just been given a dodge caravan 1999 3.0L auto electric everything.
which is great it is a Canadian model exported to the uk 5 yrs ago.
I have a couple of jobs to do to get it back on the road for the MOT.
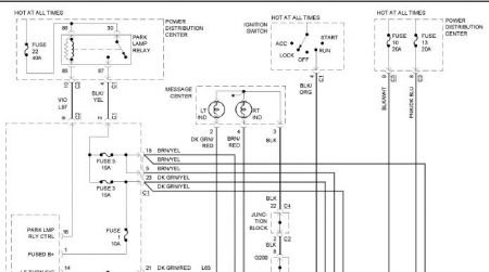
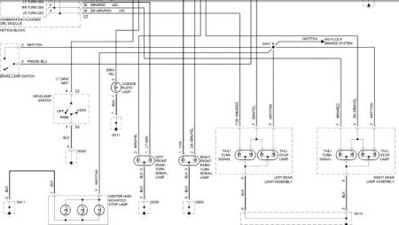
I can do the brakes and tyre etc. But my problem is the left hand turn signal it won't work the right hand one dose and so do the hazard light's the stalk was changed recently (before I got the vehicle) so I am presuming that isn't the issue (i know never presume) any help or advice here would be great a wiring diagram would be fantastic if possible.
Thank you
Mark
Friday, October 30th, 2009 AT 10:41 AM




