HOME
ASK A QUESTION
REPAIR GUIDES
BECOME A MEMBER
LOG IN
Login with Facebook
OR
Remember me
NOT A MEMBER?
FORGOT PASSWORD?
CONTACT US
PRIVACY POLICY
TERMS AND CONDITIONS
☰
Home
Dodge
Other
General
Fuse Test
Diagram of fuse B
KIMBODETT
MEMBER
1986 DODGE
Dodge Ram Van
I need the diagram to check and see where all the fuses go, along with voltage of the fuses.
Thursday, May 1st, 2008 AT 2:38 PM
1 Reply
MERLIN2021
MECHANIC
17,250 POSTS
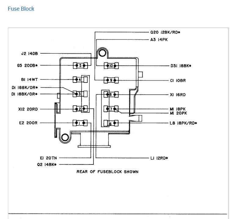
Here are the fuse location and a guide to help test them, please check out the images below
https://www.2carpros.com/articles/how-to-check-a-car-fuse
Check out the images (Below). Please let us know how it goes
Images (Click to make bigger)
Was this
answer
helpful?
Yes
No
+30
Thursday, May 1st, 2008 AT 2:46 PM
Please
login
or
register
to post a reply.
Ask a Car Question. It's Free!
Is it Safe to Drive Check Engine Light?
How to Change Oil and Filter Ford F-150 5.4L
Engine Oil Change and Filter Chevrolet Camaro