Interior lights

Tiny
CAH41220
  • MEMBER
  • 2000 DODGE NEON
  • 6 CYL
  • FWD
  • AUTOMATIC
  • 83,000 MILES
On my daughters car the door light stays on and we have checked all the doors and they are closed but the interior lights won't go off which causes the battery to run down. What would cause this and what do we need to do?
Tuesday, June 2nd, 2009 AT 8:40 AM

1 Reply

Tiny
CARADIODOC
  • MECHANIC
  • 34,489 POSTS
Open each door, one at a time, and push in the door switch to see if one of them makes the light go off. If it does, there's a simple fix. You do NOT have to replace the switch; in fact, you can have the same problem with a new switch.

If that doesn't work, double-check that the dome light switch isn't turned on at the head light switch.

Then, if nothing else works, suspect a defective body controller. This is the price we pay for buying cars with a bunch of unnecessary, unreliable, complicated, expensive computers that do what simple switches did for decades.

Caradiodoc

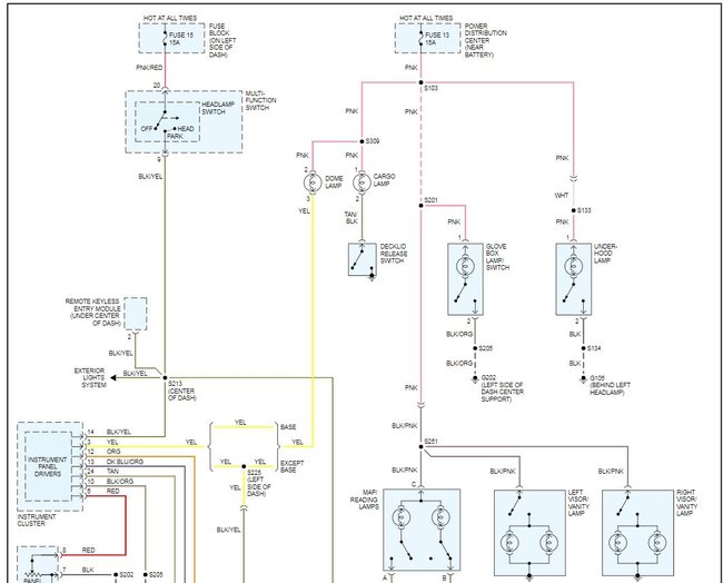
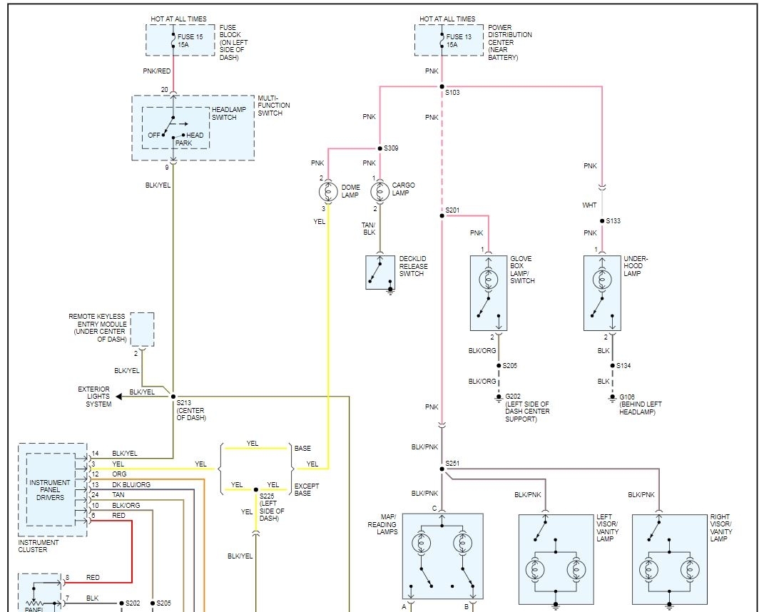
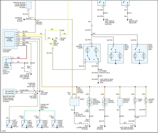
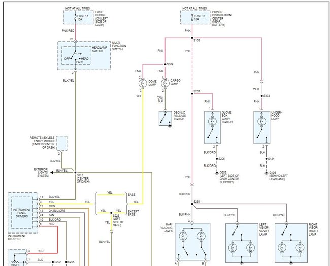
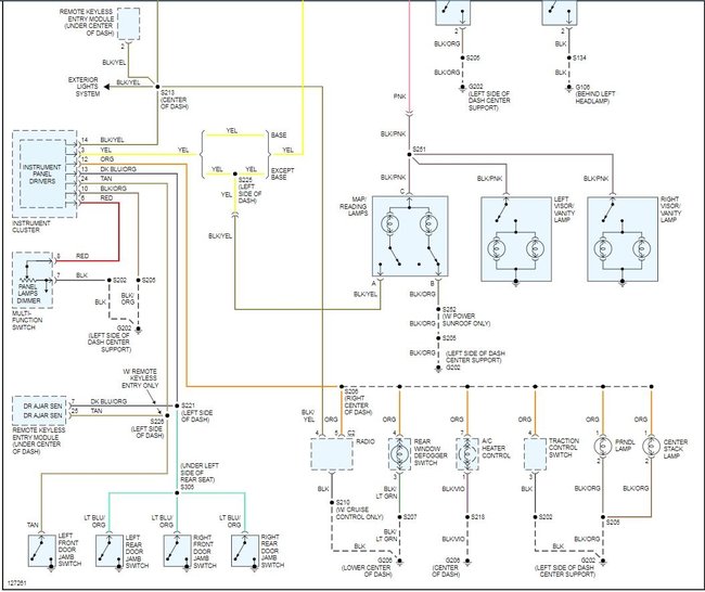
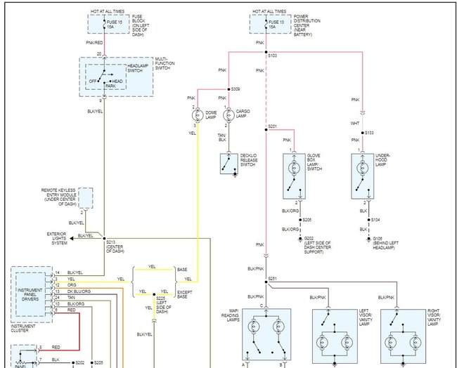
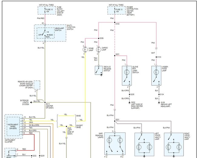
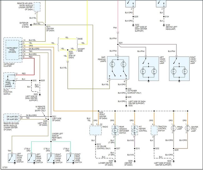
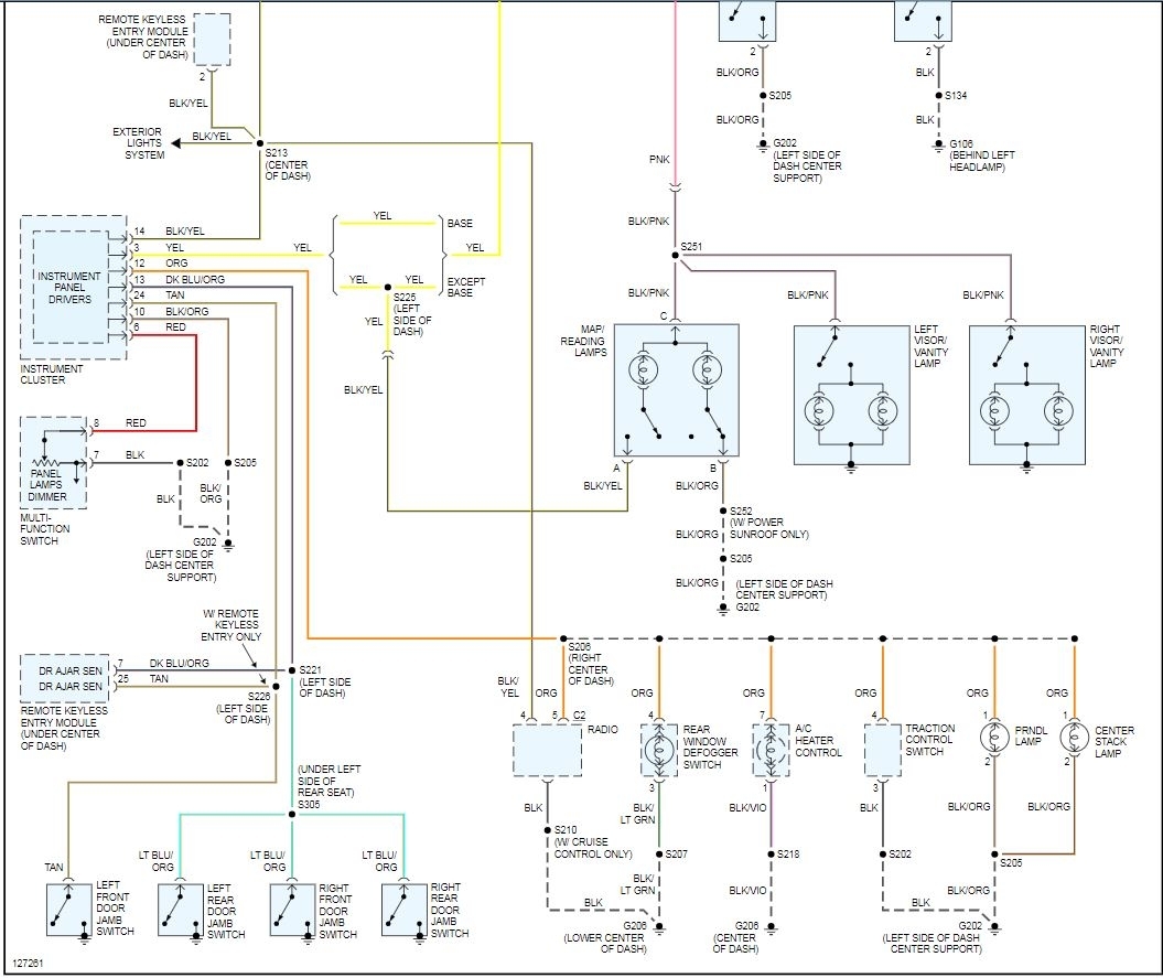
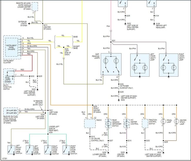
Attached below is the wiring diagram for the interior lights
Was this
answer
helpful?
Yes
No
Wednesday, June 3rd, 2009 AT 2:04 PM

Please login or register to post a reply.