1995 Dodge Neon 4 cyl Front Wheel Drive Automatic
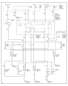
i have a 1995 dodge neon and recently the fuse to the parking lights blew. I changed the fuse and right as I turned the lights on it blew again. I've taken the head light switch out and checked wires going to and from that and the fuse block none of the wires seem to be loose. I've also checked all bulbs and wires going to all lights. I have found nothing and fuses keep blowing can you tell me where and what I should be looking for i'm not mechanically stupid i'm pretty good with cars but when it comes to electrical i'm at a loss. Thank you for any advice.
Josh witman
Sunday, October 12th, 2008 AT 2:03 PM


