1998 Dodge Intrepid heater and air conditioning

Tiny
WALTER44
  • MEMBER
  • 1998 DODGE INTREPID
  • 6 CYL
  • 2WD
  • AUTOMATIC
  • 120,000 MILES
The fan switch works on high but no other speed. Can it be the heater relay?
I know where it is on the GMC and the Fords BUT where is it on the Chryslers. Does the entire dash have to be removed to access it? Does the heater assembly need to come out?
Wednesday, October 14th, 2009 AT 5:25 PM

1 Reply

Tiny
SERVICE WRITER
  • MECHANIC
  • 9,123 POSTS


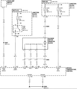
https://www.2carpros.com/forum/automotive_pictures/30961_resis_1.jpg



You probably have a bad blower motor resistor.

The diagram shows how the resistor is responsible for changing the blower speeds by changing the resistance.
Was this
answer
helpful?
Yes
No
-1
Thursday, October 15th, 2009 AT 8:25 AM

Please login or register to post a reply.