I have found the security reset and the fuse location (below). To reset the security system disconnect the battery for 30 minutes then hook it back up again and use the fob to unlock the car the system should be reset. Here is a guide to help you as well.
https://www.2carpros.com/articles/how-to-reset-a-security-system
To check the fuse here is the link for that
https://www.2carpros.com/articles/how-to-check-a-car-fuse
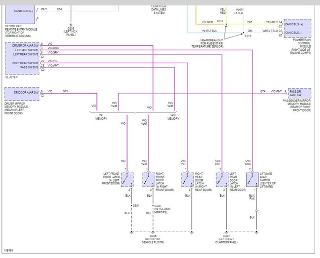
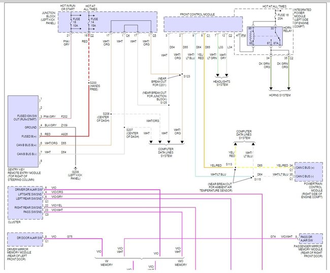
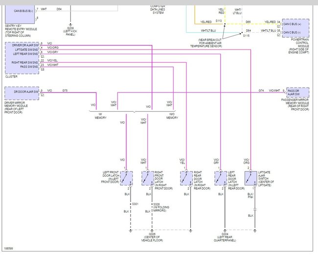
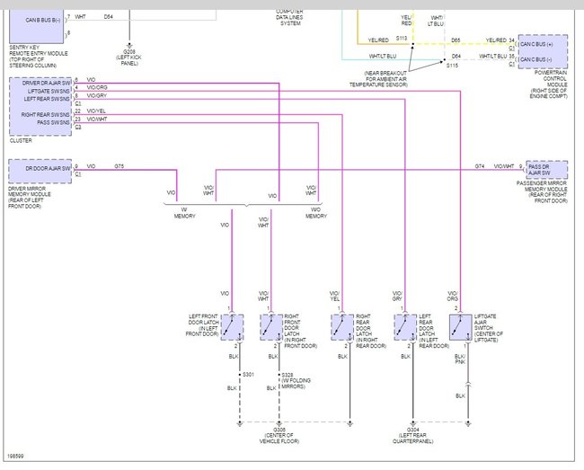
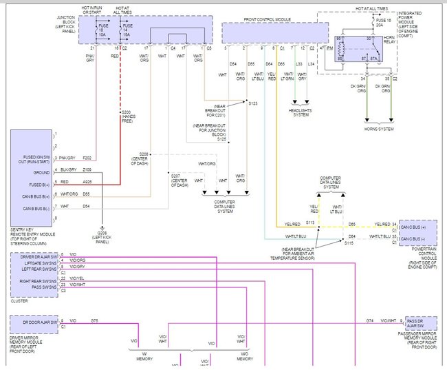
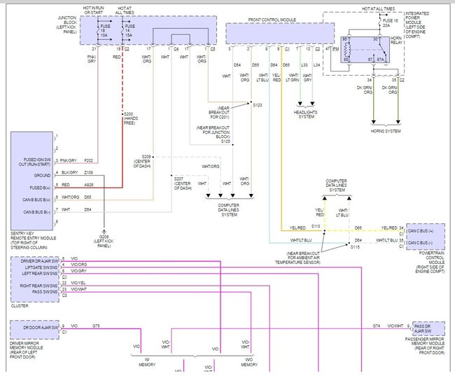
Vehicle Theft Security System Components
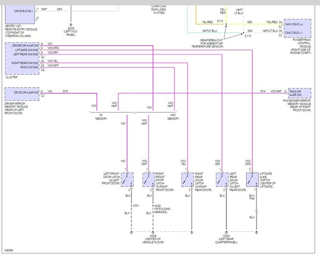
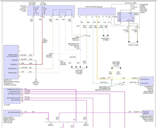
The Vehicle Theft Security System (VTSS) is designed to provide perimeter protection against unauthorized use or tampering by monitoring the vehicle door and liftgate ajar circuits, the power lock and unlock circuits, and the ignition switch circuit. If unauthorized use or tampering is detected, the system responds by pulsing the horn for up to about three minutes and flashing the hazard warning lamps for up to about eighteen minutes.
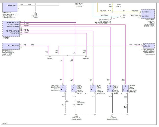
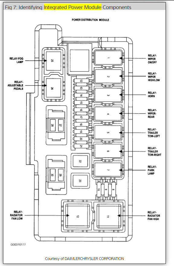
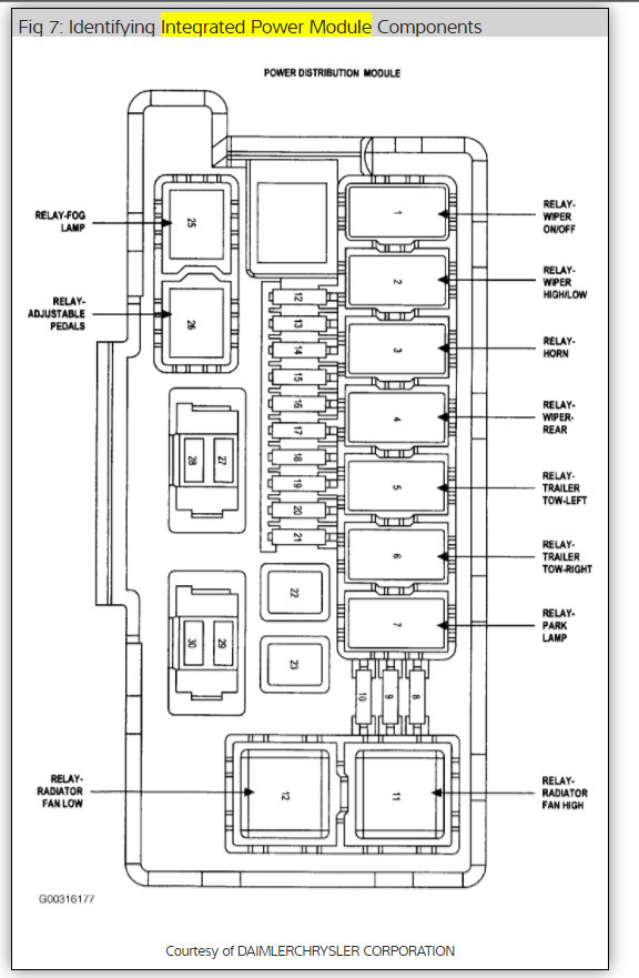
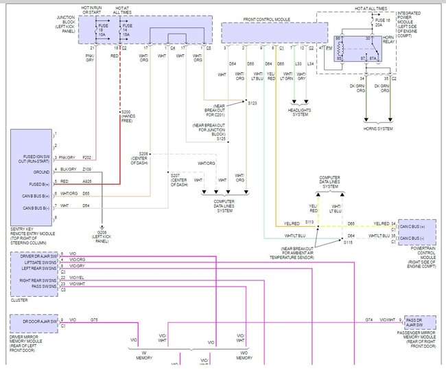
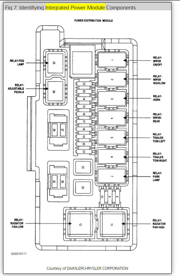
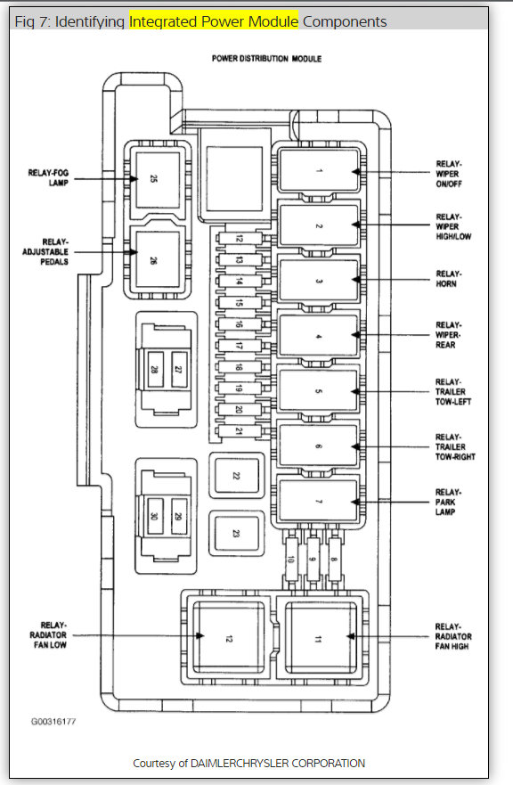
The VTSS includes the following major components, A door ajar switch is integral to the door latch mechanism of each front and rear door. The Front Control Module (FCM) is integral to the Integrated Power Module (IPM). The FCM/IPM is located in the engine compartment, near the battery and the Power Distribution Center (PDC).
The ElectroMechanical Instrument Cluster (EMIC) is also known as the Cab Control Node (CCN) in this vehicle. The EMIC/CCN is located in the instrument panel above the steering column opening, directly in front of the driver.
Security Indicator - The security indicator is integral to the instrument cluster. Hard wired circuitry connects the VTSS components to the electrical system of the vehicle. These hard wired circuits are integral to several wire harnesses, which are routed throughout the vehicle and retained by many different methods. These circuits may be connected to each other, to the vehicle electrical system and to the VTSS components through the use of a combination of soldered splices, splice block connectors, and many different types of wire harness terminal connectors and insulators.




Please let us know what happens
Images (Click to make bigger)
Sunday, May 2nd, 2010 AT 10:27 AM