Monday, April 5th, 2010 AT 1:49 PM
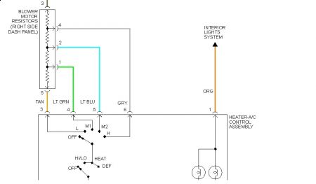
Hello, I just bought a 1996 Dakota, it's awesome, but the blower won't work when you put it on any speed higher than the lowest. It will only work when it is on the lowest speed. I replaced the blower resistor plate and that didn't help. The airconditioner works fine and I have searched everywhere for possible answers.



